Thông báo

Collapse
No announcement yet.

Xin Hướng Dẫn Về Mạch Thu Phát Fm ( Xin Chi Lan Huong Chỉ Dùm)

Collapse
X
 
  • Lọc
  • Giờ
  • Show
Clear All
new posts

  • #61
    Như vậy thì theo em nghĩ là cái tụ này dùng để điều chỉnh tần số phát trong mạch FM phải không ah.
    Em cảm ơn chị LH!!!
    Kí? Có ăn được không nhỉ???

    Comment


    • #62
      Chị LH ạ! Em không mua được con tụ này, chị cho em hỏi có phải nó là con này hay không ạ? vì em thấy nó cũng điều chỉnh được.(Ảnh này em chụp trong bộ thu sóng của micro không dây) Em xin cám ơn!
      Attached Files
      Kí? Có ăn được không nhỉ???

      Comment


      • #63
        Nguyên văn bởi chinhhi Xem bài viết
        Chị LH ạ! Em không mua được con tụ này, chị cho em hỏi có phải nó là con này hay không ạ? vì em thấy nó cũng điều chỉnh được.(Ảnh này em chụp trong bộ thu sóng của micro không dây) Em xin cám ơn!
        OK ... GOOD , biết tìm tòi vậy nó mới nhanh giỏi
        Module RF chuyên dụng điều khiển, truyền dữ liệu, thiết kế đề tài, dự án điện tử - chuyển giao công nghệ... ĐT: 0904964977 - email: dientuqueduong@yahoo.com

        Comment


        • #64
          He he! Bác queduong quá khen!!!
          Kí? Có ăn được không nhỉ???

          Comment


          • #65
            mach này chạy ngon ko

            Comment


            • #66
              Chợ Giời có bán nhiều cái tụ này, nó không ghi trị số nhưng hình như là 10p thì phải. Dùng thì chỉnh ít ít thôi không chóng hỏng.

              Làm mic không dây các bạn có thể tham khảo cái này:
              http://dientuvietnam.net/forums/showthread.php?t=6703
              Attached Files
              |

              Comment


              • #67
                Nguyên văn bởi minhtinh Xem bài viết
                Chợ Giời có bán nhiều cái tụ này, nó không ghi trị số nhưng hình như là 10p thì phải. Dùng thì chỉnh ít ít thôi không chóng hỏng.

                Làm mic không dây các bạn có thể tham khảo cái này:
                http://dientuvietnam.net/forums/showthread.php?t=6703
                Đây là tụ vi chỉnh loại 3 lá xoay,mỗi lá có giá trị trung bình 10pf.Như vậy,tụ này có giá trị trong khoảng 27 ->33pf.
                Hôm nay phải hơn hôm qua và thua ngày mai!

                Comment


                • #68
                  Nhờ chị Lan Huơng giúp đỡ!!!

                  Mới vào diễn đàn, đọc mấy bài của chị thấy kiến thức quả là uyên bác, khen thêm bà chị 1 câu nhé Sau đây là phần cần nhờ chị giúp đây Em đang cần thiết kế mấy cái máy bộ đàm liên lạc không dây với nhau. Chị có thể cho em ý kiến về việc dùng chip nào và thiết kế sơ đồ khối như thế nào không? Em mới bắt tay tìm hiểu phần này, thấy khoai quá chị ạ

                  Comment


                  • #69
                    Các anh chị ơi, em đang cần mua bộ phát FM cho audio stereo . Anh chị nào biết chỗ bán thì chỉ cho em với nhé, đang cần quá
                    Cảm ơn anh chị nhiều

                    Comment


                    • #70
                      em là thành viên mới ,có gì mong anh chị giúp đỡ nhiều.cho em hỏi là nếu ko dùng wireless microphone thì ta có thể mở rộng và thay bằng cái gì trong thực tế đối với ứng dụng của nó

                      Comment


                      • #71
                        Nguyên văn bởi spring Xem bài viết
                        em là thành viên mới ,có gì mong anh chị giúp đỡ nhiều.cho em hỏi là nếu ko dùng wireless microphone thì ta có thể mở rộng và thay bằng cái gì trong thực tế đối với ứng dụng của nó
                        Ứng dụng của RF thì nhiều lắm , bạn động não lên , nếu không suy nghĩ được cái gì mới mẻ hơn thì xem người khác rồi làm theo .

                        --- Mấy cái này gọi là ý tưởng thì phải nghĩ ra thôi .

                        Chẳng hạn làm cái điều khiển từ xa , làm cái máy nghe chộm , làm bộ báo động ... gắn thêm cái sensor làm bộ cảnh báo khi có cháy ( hỏa hoạn ) ...


                        --- Tôi hết ý tưởng rồi bạn nghĩ thêm đi, Chắc cho vào nồi luộc lên , độ vài tiếng nó thành cơm cũng nên ... He he
                        Module RF chuyên dụng điều khiển, truyền dữ liệu, thiết kế đề tài, dự án điện tử - chuyển giao công nghệ... ĐT: 0904964977 - email: dientuqueduong@yahoo.com

                        Comment


                        • #72
                          cho hỏi chị lan hương học ở lò nào ra dzậy

                          Comment


                          • #73
                            hic, em đọc mãi mà vẫn chưa hiểu nếu dùng VĐK để phát tín hiệu thì phát thế nào, cần ghép nối cái j với VĐK để nó phát được ạ ?????????????? ( càng đọc càng ko hiểu j T_T )

                            Comment


                            • #74
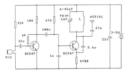
                              Các anh chị cho em hỏi nguyên lý hoạt động của mạch phát FM này. nó phát xa >300m ko?con BC547 ở nhật tảo có bán ko?nếu ko thì thay bằng con gì?
                              Attached Files

                              Comment


                              • #75
                                Có ai biết về tần số truyền hình kts.Tại sao FM bắt được tín hiệu tivi ko bắt được kts vậy.

                                Comment

                                Về tác giả

                                Collapse

                                kyniemdauyeu Tìm hiểu thêm về kyniemdauyeu

                                Bài viết mới nhất

                                Collapse

                                Đang tải...
                                X