Thông báo
Collapse
No announcement yet.
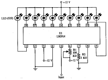
Mạch đèn nháy theo nhạc ( VU mete )
Collapse
This is a sticky topic.
X
X
-
hjc, ko hiểu thế nào nữa, mình ko sài tụ, dùng nguồn trực tiếp cho Led và cũng ko sài trở cho led, hay bạn có sơ đồ nào đã ráp và chạy ok chưa, chứ trong datasheet nó nhiều sơ đồ quá
-
C1 bạn dùng 10uF, mình nghĩ bạn nên chú ý nguồn VLED giữ cố định không quá 7V. Thử không dùng trở cho nguồn VLED xem sao?
Leave a comment:
-
6884 dùng chiếc ap thì ok roi, co video ne, 30led, ko sụt áp(làm ngược): http://www.youtube.com/watch?v=jE-8PRG0KhQ
vần đề là mình dùng 3915 cho nó gọn và đẹp, mình làm theo hình này(datasheet) nhưng nó dập dìu quá, hic
Leave a comment:
-
Nguyên văn bởi tuyennhan Xem bài viếtCó biến trở chỉnh độ nhạy ở ngỏ vào không mà đèn đứng hết vậy , mạch này khi tín hiệu đầu vào vừa đủ thì tín hiệu yếu nó sáng 1 bóng rồi tăng lên 2,3,4,5.....10 bóng theo độ lớn của tín hiệu ,mạch này tôi chỉ làm với led thường chưa có thử với led siêu sáng có lẻ nó không đủ dòng cho đèn này vậy bạn ráp thêm trans PNP kích led xem sao .cái vửa rồi mình lấy 3 chân ra đầu tiên, 1 chân gánh 3 led nhờ trans, phần chỉnh áp cho nó nháy thì ok, nhưng mình muốn làm thế nào để nó ko dập diu nữa, mình chạy bang 6884 thì rất ok, gánh dc 15led.Nguyên văn bởi viettien123 Xem bài viếtnhư vậy tín hiệu hay điện áp vào quá lớn , bạn dùng chiết áp chỉnh điểm tĩnh sao cho no chỉ sáng một bóng đầu tiên thôi
bạn chỉ lấy biên độ tối đa từ 10-14 vôn của ác quy là 0,7-1v đầu vào chân inpút iC thôi nhiều hơn là nó dựng cột sáng lên ngay
nghe noi LM3915 đẹp mà sao có cảm giác nó "lòe" quá, ko dứt khoát!
Leave a comment:
-
như vậy tín hiệu hay điện áp vào quá lớn , bạn dùng chiết áp chỉnh điểm tĩnh sao cho no chỉ sáng một bóng đầu tiên thôiNguyên văn bởi superhieu3 Xem bài viếtmình cho nó nháy 1 dàn led lun chứ ko phải 1 điểm led, tức là nó vẫn tăng level nhưng các đèn đang sáng ko sáng cố định một độ sáng mà nó cũng dập dìu theo nhạc, khi nhạc lớn thì nó sáng, khi nhạc nhỏ thỉ tối hơn, mình muốn nó sáng cố định chứ ko dập dìu giống "yếu pin" nữa, bạn xem video giúp mính với!
mình câu đỡ 3 chân out nha, mính muốn nó ko bị dap diu nữa
http://www.youtube.com/watch?v=s4-7ItEHKE4
bạn chỉ lấy biên độ tối đa từ 10-14 vôn của ác quy là 0,7-1v đầu vào chân inpút iC thôi nhiều hơn là nó dựng cột sáng lên ngay
Leave a comment:
-
Có biến trở chỉnh độ nhạy ở ngỏ vào không mà đèn đứng hết vậy , mạch này khi tín hiệu đầu vào vừa đủ thì tín hiệu yếu nó sáng 1 bóng rồi tăng lên 2,3,4,5.....10 bóng theo độ lớn của tín hiệu ,mạch này tôi chỉ làm với led thường chưa có thử với led siêu sáng có lẻ nó không đủ dòng cho đèn này vậy bạn ráp thêm trans PNP kích led xem sao .
Leave a comment:
-
bạn lấy đầu ra cao nhất của xung cao nhất để điều khiển con IC thứ 2 tức là lấy leve 5 của con thứ nhất kíc vào đầu vào con thứ 2 nối tiếp hai con kiểu như vậyNguyên văn bởi tuyennhan Xem bài viếtCâu tín hiệu vào 2 con chỉnh biến trở sao cho mỗi con chạy 1 nửa điện áp của tín hiệu nếu không khớp thì thay biến trở nhỏ hay lớn hơn cho đến khi chạy đều , 3915 dập dìu là sao chỉ sáng 1 bóng à nếu vậy thì tra datasheet của nó để biết cách ráp chạy vạch hay điểm 3915 chạy đẹp hơn 6884 nhiều máy xịn toàn ráp con này .
Leave a comment:
-
mình cho nó nháy 1 dàn led lun chứ ko phải 1 điểm led, tức là nó vẫn tăng level nhưng các đèn đang sáng ko sáng cố định một độ sáng mà nó cũng dập dìu theo nhạc, khi nhạc lớn thì nó sáng, khi nhạc nhỏ thỉ tối hơn, mình muốn nó sáng cố định chứ ko dập dìu giống "yếu pin" nữa, bạn xem video giúp mính với!
mình câu đỡ 3 chân out nha, mính muốn nó ko bị dap diu nữa
http://www.youtube.com/watch?v=s4-7ItEHKE4
Leave a comment:
-
Câu tín hiệu vào 2 con chỉnh biến trở sao cho mỗi con chạy 1 nửa điện áp của tín hiệu nếu không khớp thì thay biến trở nhỏ hay lớn hơn cho đến khi chạy đều , 3915 dập dìu là sao chỉ sáng 1 bóng à nếu vậy thì tra datasheet của nó để biết cách ráp chạy vạch hay điểm 3915 chạy đẹp hơn 6884 nhiều máy xịn toàn ráp con này .
Leave a comment:
-
cách nối 2 con AN6884/BA6144?
mình có sài qua LM3915(hic, hàng cũ mà 17k/con) nhưng nó nháy rất tệ, tức là các đèn nó ko sáng liên tục mà cứ dập dìu theo tiếng nhac, giống bị thiếu nguồn ấy(nhưng ko thiếu nguồn), mình cho qua AN6884 chạy thì đạt yêu cầu, bây giờ cho mình hỏi làm sao câu 2 con AN6884(hoặc BA6144) cho nó ra dc 10 level gống LM3915?
thứ 2 cho mình hỏi, mình câu sai ntn mà LM3915 nó dập dìu hay bản chất nó như vậy? cảm ơn các bạn!
Leave a comment:
-
Nguyên văn bởi vietquan Xem bài viếthihi thui mình post rùi 2 cậu đừng tranh cãi nhau làm ji.hj mình rất muốn chia sẻ cho mọi người mà
Thanks Vietquan rất nhiều, đây là tinh thần public mà mình muốn nói đấy
Leave a comment:
-
chỗ số 4 là 2 jack nguồn trái là + phải là - chỗ số 1 là jack cắm mà lỗ cắm nguồn đó(giống như jack nguồn modem ấy) jack đó có 3 chân nhưng chỉ dùng 2 chân thôi mà ,còn 2 con bc337 bạn có thể thay = tran npn(c1815....) con bc327 thì thay = con tran pnp(a1815..)
Leave a comment:
-
hihi thui mình post rùi 2 cậu đừng tranh cãi nhau làm ji.hj mình rất muốn chia sẻ cho mọi người màNguyên văn bởi tepriu Xem bài viếtThế thì mình sẵn sàng: xin lỗi bạn DarkGhost nha!!!
Còn về cái phần comment, ý mình muốn nói là : nếu bạn public nó lên (có rất nhiều mục khác nhau trên diễn đàn để post) thì sẽ rất tốt, nhiều người sẽ học hỏi từ đó. (Cái phần "sẵn bực mình" chỉ để nói lên trạng thái, NẾU BẠN KHÔNG THÍCH THÌ MÌNH SẲN SÀNG XIN LỖI, CHỨ KHÔNG PHẢI MÌNH SỢ BẠN PHẢN BIỆN, NHE! ). Ngoài ra không có ý gì khác. !
Chúc vui!
Leave a comment:
Bài viết mới nhất
Collapse
-
Trả lời cho cách làm led Hao Quang.có pro nào biết k nhỉ ???bởi StatusHello! I'm from Kazakhstan. Can anyone share the HEX file with me? The download link in post 50 doesn't work.
-
Channel: Vi điều khiển họ 8051
hôm nay, 00:05 -
-
bởi mylinhattChào anh em cơ khí,
Trong quá trình tư vấn đầu tư thiết bị cho xưởng, mình gặp rất nhiều câu hỏi kiểu: “Nên mua máy phay CNC cũ để tiết kiệm, chọn máy mới phổ thông cho yên tâm, hay cố gắng lên máy chất lượng cao để làm hàng khó?”. Thực tế, đây không phải câu hỏi chỉ về...-
Channel: Máy công cụ
Hôm qua, 13:38 -
-
bởi torasungChào anh em,
Mình đang tìm hiểu và cấu hình một con biến tần Delta model VFD037E43A dùng cho động cơ công suất nhỏ, ứng dụng băng tải và quạt. Trước đây mình chủ yếu làm với vài dòng khác của Delta nhưng chưa dùng nhiều model này, nên muốn...-
Channel: Điện tử công nghiệp
16-12-2025, 09:13 -
-
Trả lời cho Vấn đề về tốc độ quaybởi nguyendinhvanSử dụng động cơ servor, hoặc lắp thêm một cái encoder vào động cơ bước. Encoder sẽ kiểm soát động cơ có quay hoặc đứng im.
-
Channel: Điện tử truyền hình
14-12-2025, 19:50 -
-
bởi Andrea14Chào mọi người,
Tôi muốn mô phỏng sự thay đổi các mùa bằng cách từ từ nghiêng một quả địa cầu 16 inch bằng một động cơ bước nhỏ. Một động cơ bước khác sẽ quay quả địa cầu theo thời gian thực. Hệ thống truyền động...-
Channel: Điện tử truyền hình
12-12-2025, 12:42 -

Leave a comment: