Chào các bạn, minh vừa đọc bài nay và mình có chút thắc mắc mong monij người bàn luận và giúp đỡ.
-
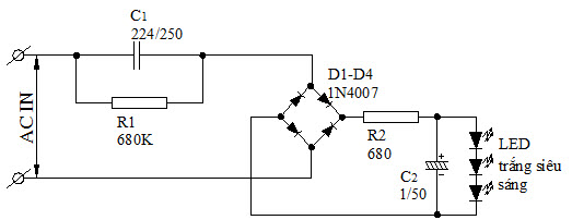
Để LED sáng thì cần điện áp trên nó là 3V.
- Điện áp dự kiến cung cấp là 220V.
- vậy cần mắc nối tiếp với LED 1 điện trở để hạ áp từ 220 xuống 3V. Vậy sụt áp trên điện trở là : 220 - 3 = 217V.
- Dòng nuôi LED sieu sáng thường là 25mA = 0,025A. Vì LED mắc nối tiếp với trở sụt áp nên dòng qua trở cũng là 0,025A.
- Giá trị điện trở cần dùng là: R=U/I = 217/0,025 = 8680Ω.
tuy nhiên led hoạt động ở điện áp xoay chiều dễ giảm tuổi thọ của led, mình đã từng mắc led+diot+trở 820k hoặc 910k. và cách li an toàn mình thấy nó hoạt động tốt. còn việc giảm tuổi thọ thì ko đáng lo, 1 con led có giá 400đ mà dùng 6 tháng hay nữa năm thì cũng đáng đồng tiền mà phải ko? hơn nữa bạn dùng làm đèn ngủ chắc còn "trâu" hơn.
Mình chưa hiểu 0.025A thì dựa vào đâu mà biết là dòng của Led tiêu thụ
Và mình lại co cách tính ntn,
R =220-3=217/0.1^2=21700=22K
Và P của R = 21700X0.1=2170 = 2,1W
Cho mình hỏi là cách tính nào đúng?
-
Để LED sáng thì cần điện áp trên nó là 3V.
- Điện áp dự kiến cung cấp là 220V.
- vậy cần mắc nối tiếp với LED 1 điện trở để hạ áp từ 220 xuống 3V. Vậy sụt áp trên điện trở là : 220 - 3 = 217V.
- Dòng nuôi LED sieu sáng thường là 25mA = 0,025A. Vì LED mắc nối tiếp với trở sụt áp nên dòng qua trở cũng là 0,025A.
- Giá trị điện trở cần dùng là: R=U/I = 217/0,025 = 8680Ω.
tuy nhiên led hoạt động ở điện áp xoay chiều dễ giảm tuổi thọ của led, mình đã từng mắc led+diot+trở 820k hoặc 910k. và cách li an toàn mình thấy nó hoạt động tốt. còn việc giảm tuổi thọ thì ko đáng lo, 1 con led có giá 400đ mà dùng 6 tháng hay nữa năm thì cũng đáng đồng tiền mà phải ko? hơn nữa bạn dùng làm đèn ngủ chắc còn "trâu" hơn.
Mình chưa hiểu 0.025A thì dựa vào đâu mà biết là dòng của Led tiêu thụ
Và mình lại co cách tính ntn,
R =220-3=217/0.1^2=21700=22K
Và P của R = 21700X0.1=2170 = 2,1W
Cho mình hỏi là cách tính nào đúng?

Comment