Em dùng biến áp Minh Quang 850mA 220V : 0 >> 24 : 0 : 24
Đấu vào mạch cầu H ra được ~30V

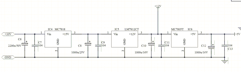
Em dùng 0 - 12V lắp vào mạch inverter sử dụng IC 3524 thì sụt thê thảm, chỉ còn 4V ở chân 12V

Mạch trên em thay 2 con fet irf 3205. Chân sense thì em không dùng phản hồi bên dưới mà nối thẳng xuống đất.
RT và CT em chọn 220k và 105 liệu có ok không ạ? Em tra datasheet thì nó chỉ có đến 100Hz, không có phần 50Hz. f~1/RC nên em cũng muốn hỏi luôn chọn vậy có được không?
Dòng điện thì em đo thang 200mA thì bị tràn nhưng 10A thì lại không lên gì cả. Cầu chì 250mA không đứt nên em đoán cỡ ~220mA
Em đọc datasheet thì KA7818 và 7812 đều có max là 1A. Vậy mà chưa được 1/4 đã sụt áp rồi.
Đây là bài tập của thầy yêu cầu dùng 3524 để làm inverter sáng bóng đèn.
Mọi người giúp với ^^
Đấu vào mạch cầu H ra được ~30V
Em dùng 0 - 12V lắp vào mạch inverter sử dụng IC 3524 thì sụt thê thảm, chỉ còn 4V ở chân 12V
Mạch trên em thay 2 con fet irf 3205. Chân sense thì em không dùng phản hồi bên dưới mà nối thẳng xuống đất.
RT và CT em chọn 220k và 105 liệu có ok không ạ? Em tra datasheet thì nó chỉ có đến 100Hz, không có phần 50Hz. f~1/RC nên em cũng muốn hỏi luôn chọn vậy có được không?
Dòng điện thì em đo thang 200mA thì bị tràn nhưng 10A thì lại không lên gì cả. Cầu chì 250mA không đứt nên em đoán cỡ ~220mA
Em đọc datasheet thì KA7818 và 7812 đều có max là 1A. Vậy mà chưa được 1/4 đã sụt áp rồi.
Đây là bài tập của thầy yêu cầu dùng 3524 để làm inverter sáng bóng đèn.
Mọi người giúp với ^^

Comment