em có con thu hồng ngoại có 3 chân.Bây giờ làm sao để biết 2 chân nào là chân Vcc và mass đây(k có datasheet,con này mua ngoài Nhật Tảo)? nếu dùng VOM thì đo thế nào để biết ? thanks
Thông báo
Collapse
No announcement yet.
cách xác định chân Vcc và chân mass?
Collapse
X
-
Gà con ơi đừng có nghe hannth1325 xui dại. Nếu là mắt nhận có vỏ sắt thì quá dễ dàng rồi. Em chỉ cần đo vỏ với chân bằng VOM nếu nó nối với nhau là chân mass. Thường thì 3 chân của mắt nhận không đều nhau, nó nằm lệch về 1 bên. Chân ngoài cùng gần vỏ nhất sẽ là chân mass.Nguyên văn bởi ga_con Xem bài viếtnó có bọc 1 miếng sắt bên ngoài mặt.
nếu dùng VOM thì làm sao biết chân nào là mass và nguồn?
chỉ em đi để mai mốt có j lấy VOM ra đo.mau hơn!
Không bao giờ họ thiết kế chân giữa là mass cả, thường là chân bên cạnh thôi. còn lại bạn xác định cân nguồn và chân out, chân nguồn B+ đo với mass thường có nội trở bé hơn chân tín hiệu ra.xí lộn rùi
nếu có lưới sắt thì chân giữa(chân 2) là mass chân thứ 3 là vcc
khỏi cần cứ theo thứ tự chân 1,2,3 ma xet theo như trên
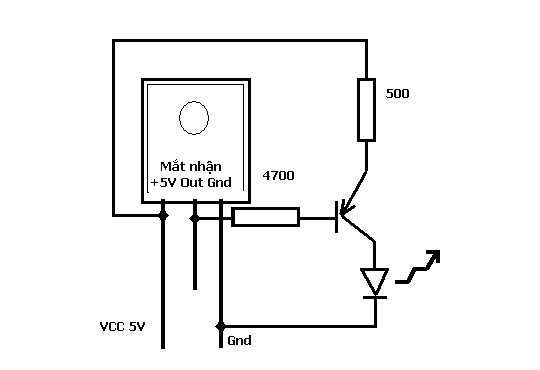
Nếu có đấu nhầm chân nguồn với chân out cũng không hề gì. Bạn thử đấu như mạch này và dùng remot thử cũng được. chúc thành công nhé.
Comment
-
Nếu là mắt sắt thì chân mass bao giờ cũng nối với vỏ sắt.
Là chân ở giữa hay ở ngoài thì còn tuỳ thuộc vào từng loại.
Muốn xác định 2 chân Data và Vcc thì bạn nên có mạch test để tìm. Cấp nguồn 5V vào (nhớ có trở vài chục Ohm để hạn dòng) làm như vậy thì yên tâm ko sợ cháy.
Mạch test đơn giản bạn lắp 1 cái mạch kích BJT để làm sáng 1 cái Led.
Nếu mạch chạy thì bạn có thể biết được chân nào là Vcc hay Data rồi đó.Last edited by Multi System; 31-10-2008, 22:23.
Comment
-
Gà con ơi, mấy con mắt nhận này nó nhận tuốt tín hiệu hồng ngoại điều khiển từ xa của các loại máy. Thậm chí khi quay ra nắng nó cũng nhận được những tín hiệu nhiễu nữa kìa.Nguyên văn bởi ga_con Xem bài viếtủa mấy con thu này mình dùng remote phát tín hiệu,nó đều nhận được hết hả pác?.khi có tín hiệu thì chân data lên mức 1 hả?
Ngày xưa các loại mắt nhận này còn mắc thêm cả cuộn dây và mạch sửa cho xung vuông rồi mới chuyển vào vi điều khiển để tránh tín hiệu bên ngoài nhiễu vào. Nay mắt nhận gọn nhẹ hơn nhiều chỉ có mỗi mạch khuếch đại thuật toán với diotde hồng ngoại thôi.
Hầu hết các mắt nhận điều khiển từ xa khi có tín hiệu thì chân data lên mức 1. Riêng mắt nhận trong TV National lại ngược lại, nên khi thay mắt nhận khác cho máy này thì ta phải dùng mạch đảo.
Với mắt nhận vỏ nhựa như tôi đã nói rồi chân mass bao giờ cũng ở bên cạnh, dùng VOM đo là biết ngay các chân còn lại mà.
Comment
Bài viết mới nhất
Collapse
-
bởi mylinhattTrong vận hành thực tế, nhiều xưởng gia công gặp tình trạng máy phay CNC bắt đầu sai kích thước, bề mặt rung nhẹ hoặc phát sinh lỗi thay dao dù chương trình và dao cắt không thay đổi. Phần lớn các vấn đề này không xuất phát từ lập trình mà đến từ việc bảo dưỡng máy chưa được thực hiện đúng và đủ....
-
Channel: Máy công cụ
Hôm qua, 11:27 -
-
bởi ittcHì, em tính đi mua 1 cái máy Khoan và máy Mài (cắt), em đã chính thức gạt thằng BOSCH sang 1 bên vì giá cao hơn Dewalt và Makita, hơn nữa xem Cataloge của nó thì hàng ít model mẫu mã hơn.
Giá Dewalt và Makita thấy ngang ngửa nhau, thôi thì nhu...-
Channel: Điện tử gia dụng
Hôm qua, 07:20 -
-
bởi DaoVanTrongChào Anh Em. Nay em có tạo 1 sơ đồ mạch UPS sau, xin Ae cho ý kiến.
Và nếu biết sản phẩm này nếu có sẵn thì em xin link để mua (nếu giá phù hợp) thì em đỡ phải làm ạ, vì em tìm nhưng không thấy:
╔═══════════════════[ĐIỆN_LƯỚI_220V]════════════════╗...-
Channel: Điện tử sáng tạo
21-12-2025, 23:32 -
-
Trả lời cho Nên mua máy phay CNC cũ, máy mới phổ thông hay máy chất lượng cao? Góc nhìn từ bài toán sản xuất thực tếbởi nguyendinhvanNgày trước, khi KT đang tăng trưởng, một cái máy tự động cũ tầm trung, thì khoảng 5 năm là hoàn vốn. Nhưng hiện tại, mọi việc đều chậm trễ, cạnh tranh, nên theo các xếp tính thì phải hơn 10 năm làm việc ngon lành thì mới hoàn vốn....
-
Channel: Máy công cụ
20-12-2025, 20:23 -
-
Trả lời cho cách làm led Hao Quang.có pro nào biết k nhỉ ???bởi StatusHello! I'm from Kazakhstan. Can anyone share the HEX file with me? The download link in post 50 doesn't work.
-
Channel: Vi điều khiển họ 8051
18-12-2025, 00:05 -
-
bởi mylinhattChào anh em cơ khí,
Trong quá trình tư vấn đầu tư thiết bị cho xưởng, mình gặp rất nhiều câu hỏi kiểu: “Nên mua máy phay CNC cũ để tiết kiệm, chọn máy mới phổ thông cho yên tâm, hay cố gắng lên máy chất lượng cao để làm hàng khó?”. Thực tế, đây không phải câu hỏi chỉ về...-
Channel: Máy công cụ
17-12-2025, 13:38 -
-
Trả lời cho Vấn đề về tốc độ quaybởi nguyendinhvanSử dụng động cơ servor, hoặc lắp thêm một cái encoder vào động cơ bước. Encoder sẽ kiểm soát động cơ có quay hoặc đứng im.
-
Channel: Điện tử truyền hình
14-12-2025, 19:50 -

Comment