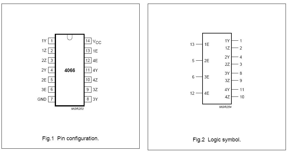
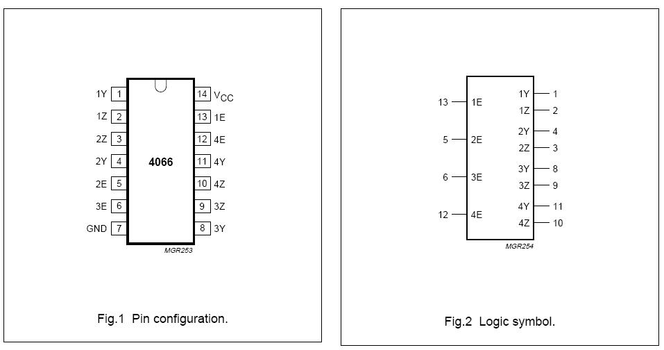
Em đang làm 1 mạch về VXL sử dụng rất nhiều relay để đóng ngắt,khoảng 8 cái relay loại 5V 8 chân. Vì thế mà cái mạch trở nên tốn diện tích rất nhiều.Vì vậy em muốn làm sao có thể thay thế cái relay đó bằng 1 mạch điện tử nhỏ gọn hơn,tiết kiện diện tích hơn . Với chức năng như 1 relay vậy .Nghĩa là cũng có 2 chân để cấp Vcc(+5v),GND và 3 chân thực hiện việc đóng ngắt.
Kính mong các anh chị chỉ dạy cho em !!!
Thank you !
Kính mong các anh chị chỉ dạy cho em !!!
Thank you !



Comment