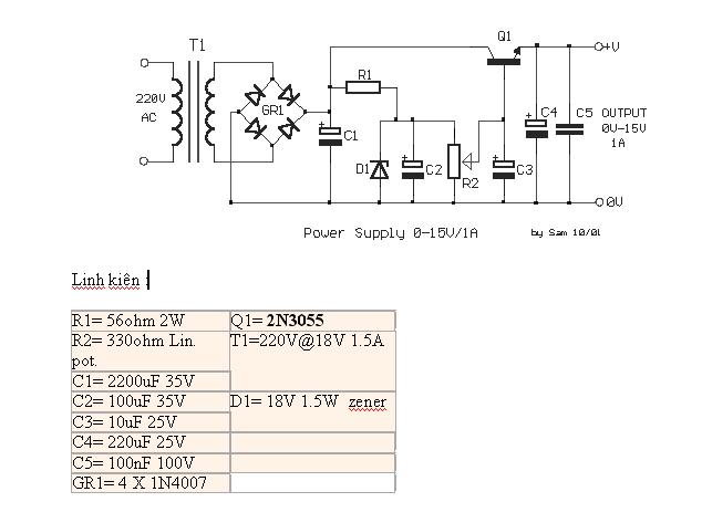
Chào các anh chị, em vừa tìm được mạch này : nhưng không biết giải thích nguyên lý hoạt động ra sao. Ai có thể chỉ giúp để em sáng mắt ra được không ạ! Em xin cám ơn
Thông báo
Collapse
No announcement yet.
Mạch điều chỉnh điện áp từ 0 đến 15v
Collapse
X
-
Cám ơn bạn rất nhiều, nhưng mình vẫn chưa hiểu tại sao diode phải là 1.5w và làm sao biết được dòng ra là 1A. Em đang nhức đầu chỗ này nè (mà tại sao lại chọn 2n3055)? Mong bạn chỉ thêm.Nguyên văn bởi huyQN Xem bài viếtdiot 18v ghim điện áp ra .r1 với biến trở r2 là cầu chia áp cho q1. khi r2 thay đổi thì áp trên chân b của q1 thay đổi dẫn đến điện áp ra thay đổi . còn các tụ trên mạch chỉ lọc nhiễu và tăng độ ổn định của mạch thôi|
Comment
-
Không phải thay đổi góc mở đâu nhé. Mà thay đổi áp Ub. Mạch này tran chạy chế độ khuếch đại nên hơi bị "ấm áp". Đầu ra cũng không ổn định cho lắm. Muốn đầu ra ổn định thì cái chiết áp trị số phải nhỏ để Ub ít phụ thuộc vào Ib. Và do đó để tạo điện áp ổn định cho chiết áp thì con zener cũng phải trâu bò hơn => 1.5W.Nguyên văn bởi bboyminh Xem bài viết2N3055 là tran công suất và mạch này thay đổi biến trở làm thay đổi góc mở của tran>>thay đổi áp
Comment
-
Mạch rất đơn giản khá cũ rồi nen xài 2n3055
thật ra bạn có thể xài bất kì con transistor công suất ampli npn đều dc vd con
d 718
R1, C2 ,Dz tạo mạch ỗn áp tại chổ mạc định 18v do hiệu ứng Zener nhằm cấp ỗn áp chỉnh dc. cho Ub Q1
R2 (đúng ra phải viết là vR 2) dùng chỉnh mức từ 0 đến 18v được lọc = C3 cấp Ub cho Q1 làm thay đỗi áp ra ở E
C4 , lọc điện áp ra , c5 lọc bù tần số cao tránh ù khi dùng cấp cho radio hay tb nhạy khác
nhận xét :
Mạch có thể trà về ov do Vr chiết áp nằm mức 0v nối đất
tốn linh kiện và khi điều chỉnh hiện tượng đo không tải sẽ đáp ứng chậm do hệ số nạp xã tụ đầu ra.
Diện áp Ac là 18v lọc ra Dc =18x1.4=25.v . do đó diode Zener không cần dòng lớn đến thế nếu bạn điều chỉnh R 1 trị số lớn hơn và cũng không ảnh hưỡng gì ngõ ra vì dòng Ub cho Q1 không cần lớn .
Mạch chỉ mang tính tham khảo có ích cho việc học .hiện nay phổ biến dùng Lm 317 mạch đon giản vừa nhanh vừa ỗn tốt giá thành thấp .
Comment
-
- Mạch này khi dùng con 2n3055 rất nóng. giống như xài ổn áp linear họ 78xx (ex: LM 7805) vậy. Hiệu suất rất thấp,
- Nên dùng mấy con nguồn xung PWM như ; lm 2576 adj => hiệu suất và độ ổn định cao hơn- Bảo trì, sửa chữa máy công nghiệp
- Thiết kế, chế tạo board mạch điện tử
- Mua bán, sửa chữa thiết bị test: Oscilloscope; Spectrum Analyzer...
- Dt: 0985205886 -
Comment
-
nhìn cái mạch này lại nhớ đến cái nguôn b+ của con tivi đen trắng ngày xưa,nhưng nó có thêm con điện trở mắc qua C-E .ngày mới vào nghề, chả biết nó chập cái gì, sờ ngày vào con điện trở sứ thể là nó nướng mất miếng da tay.......
cung cấp linh kiên LCD chính hãng có bảo hành. full linh kiện toshiba,sharp, philips
địa chỉ:
liên hệ: 0976.494.694
Comment
Bài viết mới nhất
Collapse
-
bởi mylinhattTrong vận hành thực tế, nhiều xưởng gia công gặp tình trạng máy phay CNC bắt đầu sai kích thước, bề mặt rung nhẹ hoặc phát sinh lỗi thay dao dù chương trình và dao cắt không thay đổi. Phần lớn các vấn đề này không xuất phát từ lập trình mà đến từ việc bảo dưỡng máy chưa được thực hiện đúng và đủ....
-
Channel: Máy công cụ
Hôm qua, 11:27 -
-
bởi ittcHì, em tính đi mua 1 cái máy Khoan và máy Mài (cắt), em đã chính thức gạt thằng BOSCH sang 1 bên vì giá cao hơn Dewalt và Makita, hơn nữa xem Cataloge của nó thì hàng ít model mẫu mã hơn.
Giá Dewalt và Makita thấy ngang ngửa nhau, thôi thì nhu...-
Channel: Điện tử gia dụng
Hôm qua, 07:20 -
-
bởi DaoVanTrongChào Anh Em. Nay em có tạo 1 sơ đồ mạch UPS sau, xin Ae cho ý kiến.
Và nếu biết sản phẩm này nếu có sẵn thì em xin link để mua (nếu giá phù hợp) thì em đỡ phải làm ạ, vì em tìm nhưng không thấy:
╔═══════════════════[ĐIỆN_LƯỚI_220V]════════════════╗...-
Channel: Điện tử sáng tạo
21-12-2025, 23:32 -
-
Trả lời cho Nên mua máy phay CNC cũ, máy mới phổ thông hay máy chất lượng cao? Góc nhìn từ bài toán sản xuất thực tếbởi nguyendinhvanNgày trước, khi KT đang tăng trưởng, một cái máy tự động cũ tầm trung, thì khoảng 5 năm là hoàn vốn. Nhưng hiện tại, mọi việc đều chậm trễ, cạnh tranh, nên theo các xếp tính thì phải hơn 10 năm làm việc ngon lành thì mới hoàn vốn....
-
Channel: Máy công cụ
20-12-2025, 20:23 -
-
Trả lời cho cách làm led Hao Quang.có pro nào biết k nhỉ ???bởi StatusHello! I'm from Kazakhstan. Can anyone share the HEX file with me? The download link in post 50 doesn't work.
-
Channel: Vi điều khiển họ 8051
18-12-2025, 00:05 -
-
bởi mylinhattChào anh em cơ khí,
Trong quá trình tư vấn đầu tư thiết bị cho xưởng, mình gặp rất nhiều câu hỏi kiểu: “Nên mua máy phay CNC cũ để tiết kiệm, chọn máy mới phổ thông cho yên tâm, hay cố gắng lên máy chất lượng cao để làm hàng khó?”. Thực tế, đây không phải câu hỏi chỉ về...-
Channel: Máy công cụ
17-12-2025, 13:38 -
-
Trả lời cho Vấn đề về tốc độ quaybởi nguyendinhvanSử dụng động cơ servor, hoặc lắp thêm một cái encoder vào động cơ bước. Encoder sẽ kiểm soát động cơ có quay hoặc đứng im.
-
Channel: Điện tử truyền hình
14-12-2025, 19:50 -

Comment