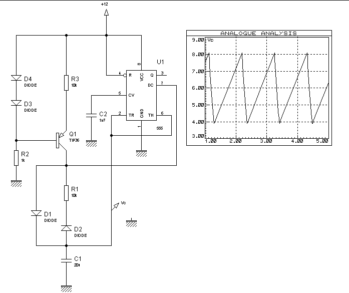
Mạch tích phân đầu vào của 555, sử dụng cổng NAND CMOS như một mạch khuếch đại đảo. Anh có thể sử dụng Op Amp tốt hơn. Tín hiệu bảo đảm thẳng băng. Chỉ cần lấy qua một mạch đệm là có sóng răng cưa.
(Có lẽ các anh ít khi dùng cổng NAnd hay cổng Not logic như một mạch khuếch đại tuyến tính?)
(Có lẽ các anh ít khi dùng cổng NAnd hay cổng Not logic như một mạch khuếch đại tuyến tính?)
.. 


Comment