Em chào mọi người !
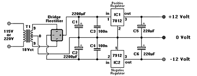
Anh em nào có kinh nghiệm và có mạch về nguồn đôi đối xứng -5Vdc --> +5Vdc (dùng IC 7805 và 7905). Nguồn cấp cho mạch ổn áp này là 220Vac đưa qua biến áp thành (9Vac hoặc 12Vac hoặc 15Vac hoặc 18Vac..., 1A) đó. Em cần mạch nguồn đôi để cấp nguồn cho Opamp, vì vậy mong anh em tận tình giúp đỡ mình nhé!
Chân thành cảm ơn mọi người....
Anh em nào có kinh nghiệm và có mạch về nguồn đôi đối xứng -5Vdc --> +5Vdc (dùng IC 7805 và 7905). Nguồn cấp cho mạch ổn áp này là 220Vac đưa qua biến áp thành (9Vac hoặc 12Vac hoặc 15Vac hoặc 18Vac..., 1A) đó. Em cần mạch nguồn đôi để cấp nguồn cho Opamp, vì vậy mong anh em tận tình giúp đỡ mình nhé!
Chân thành cảm ơn mọi người....


Comment