chào diễn đàn
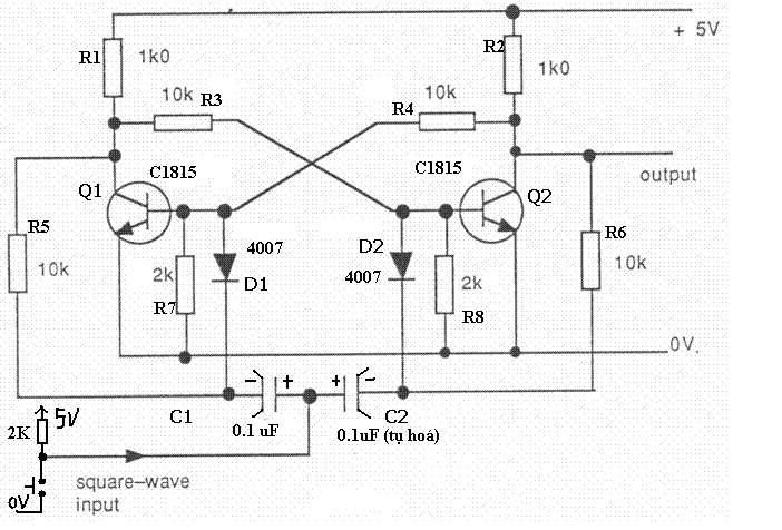
hiện nay mình muốn làm mấy thứ đồ chơi (nghịch cho vui thôi :P) cần 1 mạch chuyển trạng thái (kiểu 0-1) chỉ cần 1 nút bấm,để bình thường đầu ra 0v,bấm 1 lần đầu ra là 3v,bấm tiếp lại trở về 0v và lặp lại
vì mạch này cần yếu tố nhỏ gọn ( càng gọn càng tốt) và dùng 2 quả pin cúc áo ( total=3v) nên mình ko thẻ sử dụng các IC số dc,mạch chỉ được phép sử dụng trans rời (cả thuận và ngược),điện trở,và tụ ko quá 10uF
hy vọng có bạn giúp mình thiết kế mạch này. cám ơn
hiện nay mình muốn làm mấy thứ đồ chơi (nghịch cho vui thôi :P) cần 1 mạch chuyển trạng thái (kiểu 0-1) chỉ cần 1 nút bấm,để bình thường đầu ra 0v,bấm 1 lần đầu ra là 3v,bấm tiếp lại trở về 0v và lặp lại
vì mạch này cần yếu tố nhỏ gọn ( càng gọn càng tốt) và dùng 2 quả pin cúc áo ( total=3v) nên mình ko thẻ sử dụng các IC số dc,mạch chỉ được phép sử dụng trans rời (cả thuận và ngược),điện trở,và tụ ko quá 10uF
hy vọng có bạn giúp mình thiết kế mạch này. cám ơn

Comment