Thông báo

Collapse
No announcement yet.

Mach on ap

Collapse
This topic is closed.
X
This is a sticky topic.
X
X
 
  • Lọc
  • Giờ
  • Show
Clear All
new posts

  • #16
    Trời đất . Bạn nhìn vào cái circuit của bạn nó còn phức tạp và tốn điện nhiều gấp mấy lần cái tôi chỉ ra . Nếu không dùng transformer để biến điện thì cái cục gì mà bạn có L1 từ đầu lúc chuyển từ 220V thành điện thấp hơn vậy ??? Kế nữa không có Brigde Rectifier thì cái gì tiếp tục có chữ RECT vậy . Theo đuôi là một dọc Inductors và thêm một transformers vậy thì bạn nghĩ bước kế tiếp của nó là gì ??? Có phải là DC/DC conveter không ??? Cái bạn đang dùng là Flyback . Cho người mới vào nghề thì nên dùng Buck hay là Boost vì không cần đến secondary transformer . Chỉ cần dùng 1 con PWM ,1 con inductor , 1 con diode và 1 con FET là xong .
    Last edited by cooloo; 05-12-2007, 23:05.

    Comment


    • #17
      chao anh,em đang làm mạch nguồn vào 35v ,ra từ 1,2-17v dùng biến trở chỉnh nhưng bây giờ em muốn thêm một rờ le vào để khi ngắn mạch ko bị hỏng,nhưng ko biết gắn rơle vào đâu ,va như thế nào,nhờ chỉ giúp.http://C:\Documents and Settings\machnguon.doc

      Comment


      • #18
        Biến áp thường hiệu suất không dưới 85% đâu. Có điều nó bất tiện vì cồng kềnh và không ổn áp. Còn mạch nguồn switching thì gọn nhẹ, có ổn áp sẵn, có điều phức tạp, giá cao hơn nguồn biết thế sắt, có nhiễu cao tần kèm theo. Theo tui thì nên xài nguồn xung vì an toàn hơn nguồn xung vì an toàn hơn, gọn nhẹ và ổn định hơn, trừ khi phải làm cái gì đó cần ổn định cao hơn, chống gợn tốt hơn mới dùng analog.

        Comment


        • #19
          Bạn tiger86 ra tiệm sách tìm cuốn các mạch điện ứng dụng của Nguyễn Đức ánh, trong đó có cái mạch mà bạn cần, coi cọp cũng được mà.

          Comment


          • #20
            Nguyên văn bởi thaokhau Xem bài viết
            Biến áp thường hiệu suất không dưới 85% đâu. Có điều nó bất tiện vì cồng kềnh và không ổn áp. Còn mạch nguồn switching thì gọn nhẹ, có ổn áp sẵn, có điều phức tạp, giá cao hơn nguồn biết thế sắt, có nhiễu cao tần kèm theo. Theo tui thì nên xài nguồn xung vì an toàn hơn nguồn xung vì an toàn hơn, gọn nhẹ và ổn định hơn, trừ khi phải làm cái gì đó cần ổn định cao hơn, chống gợn tốt hơn mới dùng analog.
            Từ 220V để thành 50-60V để tiếp tục gắn switching DC Switching Regulator vào thì bạn dùng cái gì nếu không dùng biến áp?

            Comment


            • #21
              Mod cu lu vui tính quá nhỉ! Không biết là ngây thơ thật hay giả nai đây???

              Đã vậy thì em xin mạn phép các cao thủ khác, trình bày cho Mod hiểu cái hoạt động của nguồn xung...

              Thứ nhất, chẳng cần phải hạ xuống 50-60V đâu ạ! Điện áp lưới 220V được nắn thành DC bằng Diode, qua tụ lọc. Điện áp DC này xấp xỉ 300V.

              Không tin Mod cứ tháo 1 bộ nguồn máy tính, tìm đến cái củ đen đen, dài dài, tròn tròn... rồi Mod xem trị số điện áp của tụ.

              Tiếp theo, điện áp DC này sẽ đi qua 1 biến áp mà hay gọi là biến áp xung. Biến áp này vốn là bột sắt từ trộn với keo rồi đúc lại. Vì vậy mà trong chuyên môn người ta gọi là biến áp Ferrite. Biến áp này được thiết kế để hoạt động với tần số cao. Nguyên lý chuyển đổi năng lượng từ chẳng khác gì với biến áp thường (silic). Nhưng vì nguồn cấp là DC nên cần một khóa ngắt mở để tạo thành AC. Khóa này chính là Transitor hoặc Mosfet công suất.

              Để điều khiển ngắt mở, cần phải có một mạch giao động tạo ra tần số cao. Và cái con UC3842 đó là để làm việc này. Tần số giao động phụ thuộc vào Rt và Ct ở chân 4. Tín hiệu này có dạng sóng răng cưa, nó được đưa vào mạch điều chế độ rộng xung (PWM) để xuất ra xung vuông, còn rộng bao nhiêu thì do đường hồi tiếp (feedback) quyết định. Đường feedback này lại phụ thuộc ở mạch điều chỉnh điện áp ra. Nhờ vậy mà mạch có tính ổn áp theo trị số ta đã chọn.

              Tóm lại, đây cũng chỉ là 1 bộ biến đổi điện áp. Mà mod biết rồi đấy, mạch nào cũng chỉ đạt được 1 hiệu suất nhất định, và không bao giờ đạt 100% cả. Vì vậy, qua mỗi bộ biến đổi sẽ tổn hao một ít.
              Vậy thì dùng 1 bộ sẽ hao ít hơn 2 bộ. Mod hiểu rồi chứ???
              Đêm nay tớ không ngủ - ngày mai tớ ngủ bù

              Comment


              • #22
                tìm đến cái củ đen đen, dài dài, tròn tròn :=) làm tui nhớ tới mấy bài sinh vật .

                anh nhathung , nếu không biết thì đâu có gì là xấu hổ . Làm Mod không có nghĩa là phải biết hết đâu . Cu Lu thích người khác chỉ ra chổ không biết của mình . Con UC3842 không thể xài VCC> 30V được . Theo yêu cầu thì điện ra là 20-30V , I= 4A . Cho dù anh xài Ferite biến áp . Anh có thể giới thiệu cho Cu Lu biết cái biến áp bằng Ferrite như thế nào không ?? Cu Lu thiệt là không biết . Còn cách đơn giản nhất không dùng tới transformer thì dùng circuit như sau . Nhưng cách này khá mắc tiền cho anh em mới vào nghề .
                Last edited by cooloo; 06-12-2007, 05:11.

                Comment


                • #23
                  Ê ê! Đừng có hiểu lầm tui mà tội nghiệp tui à nha!
                  Tui là khoái diễn giải như vậy, mà cũng chẳng trách gì Cu Lu đâu mà. Đúng là không biết thì không có gì xấu cả. Chỉ có những tên lười học tui mới ghét.

                  Còn dòng IC 38xx chạy từ 8,5V -> 20V. Điện áp kích cho nó lấy từ nguồn DC 300V, qua một con trở khoảng vài chục Komh/2W. Sau khi kích khởi, IC sẽ được nuôi bằng 1 nguồn từ biến áp đưa về (khoảng 15->18V).

                  Có gì cứ tranh luận nhé, tui rất khoái tranh luận. Nhưng chẳng thích cãi nhau tẹo nào.

                  À mà cái biến áp Ferrite nó nhiều kiểu lắm... Tui gửi cho Cu Lu cái này xem tạm.
                  Attached Files
                  Last edited by nhathung1101; 06-12-2007, 06:07.
                  Đêm nay tớ không ngủ - ngày mai tớ ngủ bù

                  Comment


                  • #24
                    Tui thấy cái đen đen của anh giới thiệu vẫn là transformer . Nó là lỏi SẮT trắng hay là lỏi ferrite đen thì cũng là transformer . Khác nhau chổ nặng hơn và hiệu suất thôi ( hiệu suất không khác nhau bao nhiêu). Cách nào anh kích thích cho nó lên tới 30V , I=4A thì cũng qua con đường Cu Lu giải nghiã thôi . Con đen của anh có dây nhợ lòng thòng ghê thí mồ :=) . Ở VN thường hay dùng lỏi sắt vì thông dụng và tự quấn lấy được .

                    Comment


                    • #25
                      Thôi được! Tạm gác chuyện hiệu suất sang một bên. Tính chuyện kinh tế đã. Theo cách của Cu Lu (dùng biến áp cổ điển), thì với giá Cu hiện nay... e là đắt quá!

                      Cu Lu có biết, gỡ Cu từ 1 biến áp đó quấn được bao nhiêu biến áp xung không???
                      Đêm nay tớ không ngủ - ngày mai tớ ngủ bù

                      Comment


                      • #26
                        Nếu anh nhìn ngược lại cái circuit của anh thì anh thấy gì ??? Cái transformer và cái PWM . Anh nhìn xuôi theo Cu thì anh thấy cái chi ?? Cái transformer và cái PWM .

                        hahahaha bắt chẹt Cu Lu hử ??? Kinh tế thì bây giờ thì Cu Lu tính theo hoàn cảnh nhà giàu nhà nghèo nhé .
                        Bi giờ ra chợ Nhật Tảo coi thử cái lỏi sắt và cái lỏi Ferrite khác nhau giá cả bao nhiêu liền ( cùng inductance và Q à nghen ) .
                        Của Cu Lu thì rẻ òm . Qua nhà thằng hàng xóm , mượn cái computer , bứng cái transformer ra rùi trả lại . Khỏi tốn tiền , điếc tai chút xíu thui .
                        Last edited by cooloo; 06-12-2007, 07:31.

                        Comment


                        • #27
                          Cu Lu giải thích giùm cái Inductance và Q của cái lõi.
                          Đêm nay tớ không ngủ - ngày mai tớ ngủ bù

                          Comment


                          • #28
                            hì hì hì , cái lõi làm gì có inductance , q ( thằng ferrite có inductance đấy ). Ý Cu Lu nói là sau khi quấn 2 cái lõi đó xong thì so sánh cái q với cái inductance của hai cái transformers sao cho chúng có thể nhả ra cùng điện áp và cường độ . Thế là biết cái lõi nào mắc tiền hơn đấy ạ . Trời , sao bắt bí hoài dzậy ?
                            Last edited by cooloo; 06-12-2007, 09:43.

                            Comment


                            • #29
                              Nguyên văn bởi cooloo Xem bài viết
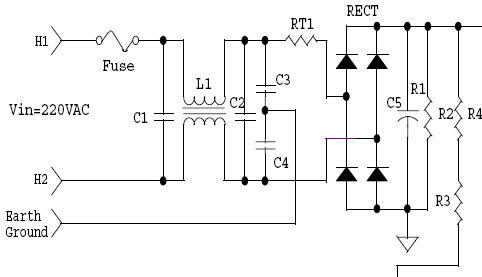
                              Trời đất . Bạn nhìn vào cái circuit của bạn nó còn phức tạp và tốn điện nhiều gấp mấy lần cái tôi chỉ ra . Nếu không dùng transformer để biến điện thì cái cục gì mà bạn có L1 từ đầu lúc chuyển từ 220V thành điện thấp hơn vậy ??? Kế nữa không có Brigde Rectifier thì cái gì tiếp tục có chữ RECT vậy . Theo đuôi là một dọc Inductors và thêm một transformers vậy thì bạn nghĩ bước kế tiếp của nó là gì ??? Có phải là DC/DC conveter không ??? Cái bạn đang dùng là Flyback . Cho người mới vào nghề thì nên dùng Buck hay là Boost vì không cần đến secondary transformer . Chỉ cần dùng 1 con PWM ,1 con inductor , 1 con diode và 1 con FET là xong .
                              ... bác không đọc kỹ đoạn trích dẫn bên dưới của MHz roài, cái Application Note gửi kèm theo là đễ dẫn chứng đây là mạch khả thi, có thể ứng dụng thực tế, níu cần thì Mod lại chút đỉnh là "ngon cơm".... ... khi Mod xong rùi thì nó cũng gọn, nhẹ, chứ cũng không phức tạp lắm có phải không ạ...

                              Thế bác Cooloo có thể dẫn chứng cho em một sơ đồ cụ thể nào đó (qua 2 giai đoạn AC to DC Power Supply, dùng biến áp thường, rùi DC to DC Converter lần nữa) níu dẫn chứng bằng Application Note thì tốt quá... để cho em mở rộng tầm nhìn được không ạ...
                              Nguyên văn bởi MHz
                              ... bác tham khảo cái file *.pdf của bác nhathung đưa lên... hoặc tham khảo thêm cái *.pdf kèm theo bên dưới... tất nhiên là muốn áp ngã ra khoảng hai ba mươi Volts thì phải modify lại chút ít....
                              Attached Files

                              Comment


                              • #30
                                Nguyên văn bởi cooloo Xem bài viết
                                Trời đất . Nếu không dùng transformer để biến điện thì cái cục gì mà bạn có L1 từ đầu lúc chuyển từ 220V thành điện thấp hơn vậy ??? Kế nữa không có Brigde Rectifier thì cái gì tiếp tục có chữ RECT vậy .
                                ... trời ạ, bác có bị làm sao không vậy... L1 là cuộn dây chống nhiễu đầu nguồn chứ đâu phải biến thế hạ áp.... ... còn cái Brigde Rectifier thì tất nhiên phải có roài, nó nắn dòng trực tiếp từ nguồn 220VAC... để làm gì chắc không cần giải thích thêm nhể....
                                Attached Files

                                Comment

                                Về tác giả

                                Collapse

                                signalfethut Tìm hiểu thêm về signalfethut

                                Bài viết mới nhất

                                Collapse

                                Đang tải...
                                X