Thông báo
Collapse
No announcement yet.
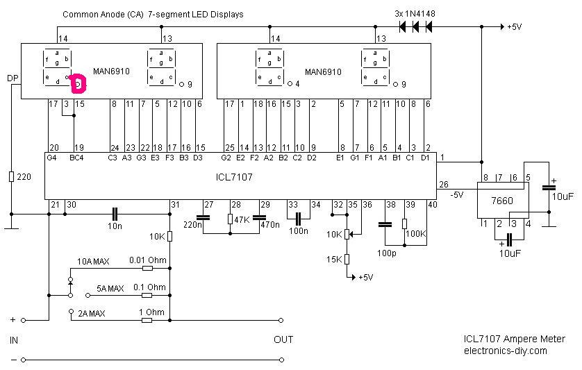
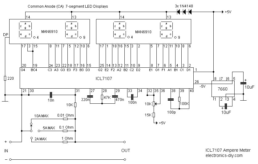
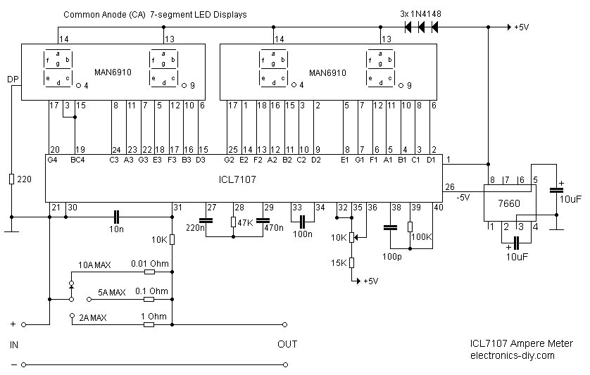
Các bạn giúp mình về mạch đo dòng điện sử dụng 7107
Collapse
X
-
Nếu dùng 7107 thì nó không tự chuyển được đâu...Nguyên văn bởi bienvaem08 Xem bài viếtMình thấy nhiều bạn quan tâm chủ đề này. Và một số bạn đã làm được rồi thì chia sẻ kinh nghiệm với a e 1 tý !
Cho mình hỏi dấu chấm động của led 7 đoạn trong mạch này mắc như thế nào để đo được các giá trị có phần thập phân. vd: 9.5 V, -6.5 V.....
Bạn nào biết thì chỉ giúp. Thanks !
Comment
-
đc chứ cái đó do mình tự để mà nếu như mạch ở trên đo điện áp 200v thì pác để đấu chấm ở con led thứ 2 là okNguyên văn bởi bienvaem08 Xem bài viếtMình thấy nhiều bạn quan tâm chủ đề này. Và một số bạn đã làm được rồi thì chia sẻ kinh nghiệm với a e 1 tý !
Cho mình hỏi dấu chấm động của led 7 đoạn trong mạch này mắc như thế nào để đo được các giá trị có phần thập phân. vd: 9.5 V, -6.5 V.....
Bạn nào biết thì chỉ giúp. Thanks !
Comment
-
mạch trên cậu mắc chỗ nào mình giúp choNguyên văn bởi minhhoang121 Xem bài viếtmình cũng đang cần mạch này.làm ơn giúp mình,mình sẽ hậu tạ
Comment
-
Mạch đo Volt dùng 7107
Theo như vinh0904426 thì mình mắc dấu chấm động cố định phải ko? Mình có 1 tài liệu, trong đó có 1 thông số mạch đo Volt dùng 7107 là độ chính xác 0.1% như vậy thì phải có dấu chấm động chạy được thì mới đạt. Nhưng tác giả ko nhắc tới. Các bạn quan tâm thì tải về xem giúp. Mình nghĩ là có cách
Attached Files
Comment
-
Dấu chấm là chân 5 của cái LED 7 đoạn .Muốn sáng cái nào thì phải nối cái đó , không tự động được đâu.....( bạn xem kĩ trên sơ đồ ấy...)Nguyên văn bởi bienvaem08 Xem bài viếtTheo như vinh0904426 thì mình mắc dấu chấm động cố định phải ko? Mình có 1 tài liệu, trong đó có 1 thông số mạch đo Volt dùng 7107 là độ chính xác 0.1% như vậy thì phải có dấu chấm động chạy được thì mới đạt. Nhưng tác giả ko nhắc tới. Các bạn quan tâm thì tải về xem giúp. Mình nghĩ là có cách
Last edited by thetung; 25-06-2013, 10:48.
Comment
-
Nguyên văn bởi bienvaem08 Xem bài viếtTheo như vinh0904426 thì mình mắc dấu chấm động cố định phải ko? Mình có 1 tài liệu, trong đó có 1 thông số mạch đo Volt dùng 7107 là độ chính xác 0.1% như vậy thì phải có dấu chấm động chạy được thì mới đạt. Nhưng tác giả ko nhắc tới. Các bạn quan tâm thì tải về xem giúp. Mình nghĩ là có cách
mạch này đọ phân giải là 1/1000v (đo đc 2v thôi) đọ cx =0,1% rồi
mạch này đọ phân giải là 1/10 v
Last edited by vinh0904426; 25-06-2013, 11:18.
Comment
-
mình đọc datasheet của con này xong (7107), vẫn còn vài điều thắc mắc, mong các sư huynh chỉ giúp
1) đây là ic chuyển đổi tín hiệu tương tự sang tín hiệu số @@!
2) phải tìm các điện trở 0.01ohm, 0,1ohm ở đâu, ca này quả là khó >_<
3) theo sơ đồ thì đo ngõ vào có giá trị áp DC tùy ý có phải không? mình cần sử dụng cho mạch 5-24V, dòng 0-10A thì lắp theo sơ đồ có đạt yêu cầu hay không?
Comment
Bài viết mới nhất
Collapse
-
Trả lời cho Nên mua máy phay CNC cũ, máy mới phổ thông hay máy chất lượng cao? Góc nhìn từ bài toán sản xuất thực tếbởi nguyendinhvanNgày trước, khi KT đang tăng trưởng, một cái máy tự động cũ tầm trung, thì khoảng 5 năm là hoàn vốn. Nhưng hiện tại, mọi việc đều chậm trễ, cạnh tranh, nên theo các xếp tính thì phải hơn 10 năm làm việc ngon lành thì mới hoàn vốn....
-
Channel: Máy công cụ
hôm nay, 20:23 -
-
Trả lời cho cách làm led Hao Quang.có pro nào biết k nhỉ ???bởi StatusHello! I'm from Kazakhstan. Can anyone share the HEX file with me? The download link in post 50 doesn't work.
-
Channel: Vi điều khiển họ 8051
18-12-2025, 00:05 -
-
bởi mylinhattChào anh em cơ khí,
Trong quá trình tư vấn đầu tư thiết bị cho xưởng, mình gặp rất nhiều câu hỏi kiểu: “Nên mua máy phay CNC cũ để tiết kiệm, chọn máy mới phổ thông cho yên tâm, hay cố gắng lên máy chất lượng cao để làm hàng khó?”. Thực tế, đây không phải câu hỏi chỉ về...-
Channel: Máy công cụ
17-12-2025, 13:38 -
-
Trả lời cho Vấn đề về tốc độ quaybởi nguyendinhvanSử dụng động cơ servor, hoặc lắp thêm một cái encoder vào động cơ bước. Encoder sẽ kiểm soát động cơ có quay hoặc đứng im.
-
Channel: Điện tử truyền hình
14-12-2025, 19:50 -
-
bởi Andrea14Chào mọi người,
Tôi muốn mô phỏng sự thay đổi các mùa bằng cách từ từ nghiêng một quả địa cầu 16 inch bằng một động cơ bước nhỏ. Một động cơ bước khác sẽ quay quả địa cầu theo thời gian thực. Hệ thống truyền động...-
Channel: Điện tử truyền hình
12-12-2025, 12:42 -

Comment