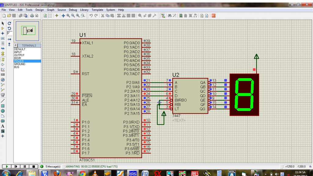
Chào các bạn, các bạn cho mình hỏi là hiện nay các IC nào thường được dùng phổ biến để tạo mạch tổ hợp giải mã LED 7 đoạn ? như mình thì mình biết IC 74LS47 và bạn nào có file demo Proteus đơn gian thiết kế mạch tổ hợp đếm từ 0-7 thì cho mình xin tham khảo với, xin cám ơn các bạn.
Thông báo
Collapse
No announcement yet.
Hỏi những IC nào thường dùng để làm mạch LED 7 đoạn.
Collapse
X
-
Mạch:Nguyên văn bởi ittc Xem bài viếtChào các bạn, các bạn cho mình hỏi là hiện nay các IC nào thường được dùng phổ biến để tạo mạch tổ hợp giải mã LED 7 đoạn ? như mình thì mình biết IC 74LS47 và bạn nào có file demo Proteus đơn gian thiết kế mạch tổ hợp đếm từ 0-7 thì cho mình xin tham khảo với, xin cám ơn các bạn.
Code :#include<reg52.h>
#include <delay.h>
void main()
{
unsigned char i,ma[]={0,1,2,3,4,5,6,7,8,9};
while(1)
{
for(i=0;i<10;i++)
{
P2=ma[i];
delay(200);
}
}
}vanduc0211@gmail.com
-
Dùng 74247 hiển thị sẽ đủ nét hơn (số 6, 9). Còn nếu dùng loại âm chung thì sử dụng IC 4511.Nguyên văn bởi ittc Xem bài viếtChào các bạn, các bạn cho mình hỏi là hiện nay các IC nào thường được dùng phổ biến để tạo mạch tổ hợp giải mã LED 7 đoạn ? như mình thì mình biết IC 74LS47 và bạn nào có file demo Proteus đơn gian thiết kế mạch tổ hợp đếm từ 0-7 thì cho mình xin tham khảo với, xin cám ơn các bạn.VNATR Forum:
Comment
Bài viết mới nhất
Collapse
-
Trả lời cho Yêu thơ mê nhạc, mời các bác vào đây!bởi vi van phamHôn nhân của tôi dường như có bàn tay sắp đặt của ông tơ, bà nguyệt. Bà xả nói tôi viết hồi ký duyên số này. Tôi đã viết vào tập 100 trang học sinh. Sau 50 năm lật tới, lật lui xem quyển hối ký có nơi rách nát. Tôi viết lại bằng AI, giọng đọc VBBe, ca sĩ hát là là Synthesizer V.
...-
Channel: Tâm tình dân kỹ thuật
hôm nay, 14:18 -
-
Trả lời cho Công thức tính định luật kirchhoffbởi nguyendinhvanCông thức này chắc là để áp dụng cho UAV để bắn máy bay F15....
-
Channel: Hỗ trợ học tập
Hôm qua, 21:17 -
-
Trả lời cho Yêu thơ mê nhạc, mời các bác vào đây!bởi dinhthuong92GIỚI THIỆU CA KHÚC VỀ CHA MẸ:
Nặng Nghĩa Mẹ Cha
Sáng tác: Hoàng Đình Thường
Giọng hát: AI
Công cha cao tựa như Thái Sơn
Nghĩa mẹ sâu nước biếc xanh trong
Mong con khôn lớn đời hạnh phúc
Mẹ cha...-
Channel: Tâm tình dân kỹ thuật
12-05-2026, 16:22 -
-
bởi afrendlyCảm ơn bạn. Mình hỏi để thợ có thể tham khảo thôi chứ không đủ kiển thức để sửa, mà cũng không có đồ nghề, mua đồ nghề quá tiền máy. Gọi nhiều lần mà thợ hẹn mãi chưa có tới ấy bạn. Mình muốn sửa được chứ bỏ thì uống, nhưng sợ là được mỗi người thợ mà lại không sửa nổi....
-
Channel: Điện tử gia dụng
11-05-2026, 00:34 -
-
bởi mèomướpDạ nó bị tắc ẩm hoặc rò thiếu gas hoặc lốc yếu hoặc van tiết lưu có vấn đề hoặc tất cả những nguyên nhân trên ạ. Chú ko chuyên về mảng này thì bán đi, giành thời gian trồng rau sạch đem ra chợ bán lấy tiền mua tủ mới ạ. Còn...
-
Channel: Điện tử gia dụng
10-05-2026, 17:01 -
-
bởi afrendlyXin chào mọi người. Mình lại có vấn đề về đồ điện cần nhờ mọi người hỗ trợ giúp. Mình có tủ lạnh Sharp dùng cũng lâu rồi. Trước có bị kém lạnh, không đông đá thì có thợ họ mang về, sục đường ga gì đó hết 900k và đã dùng...
-
Channel: Điện tử gia dụng
10-05-2026, 16:53 -
-
bởi dinhthuong92Đấy, cái tôi thắc mắc là chỗ màu hồng ấy bạn, để áp vào cao chứ không bị sụt gần bằng áp pin thì rất cần cuộc cảm để làm điều đó. Tuy nhiên, trong công thức bác thớt dẫn không thấy mặt L, và một vài mạch MPPT tôi đã kiểm...
-
Channel: Nguồn!
09-05-2026, 10:01 -
-
bởi mèomướpDạ mạch sạc là 1 cục nguồn, nó sẽ điều chỉnh công suất đầu ra để có tổng trở bằng nội trở của pin ạ. Và cái cách nó chỉnh công suất đầu ra sẽ là dạng buck, boot. Đều cần đến cuộn cảm ạ. Tất nhiên chú thích thì có thể dùng dạng tuyến tính transistor để bù trừ nhưng mà nó đốt năng lượng vô ích ạ...
-
Channel: Nguồn!
08-05-2026, 16:26 -
-
bởi dinhthuong92Tng trở R của tải (gồm pin và mạch sạc) trong công thức đó rõ ràng khống có L xuất hiện. Nếu tính các dây dẫn thì rất nhỏ, bỏ qua. Vì nội trở pin là rất nhỏ, có thể nói luôn lớn hơn nội trở solar, nên mạch MPPT sẽ hầu như luôn tính...
-
Channel: Nguồn!
08-05-2026, 11:00 -

Comment