Ai cho em hỏi về cổng NAND này, đang tự mò mạch số, tới đây ko hiểu lắm, ai giải thích dùm e với.
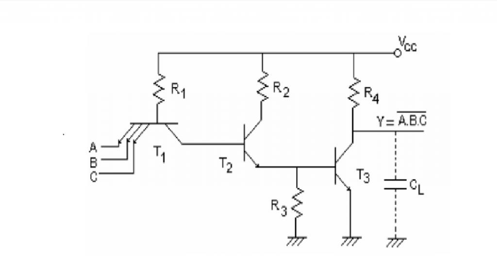
Khi một trong các ngã vào A, B, C xuống mức không T1dẫn đưa đến T2ngưng, T3
ngưng, ngã ra Y lên cao; khi cả3 ngã vào lên cao, T1ngưng, T2dẫn, T3dẫn, ngã ra Y xuống
thấp. Đó chính là kết quảcủa cổng NAND. Là sao ạ??
Tại sao T1 dẫn mà T2 lại ngưng ạ?
Khi một trong các ngã vào A, B, C xuống mức không T1dẫn đưa đến T2ngưng, T3
ngưng, ngã ra Y lên cao; khi cả3 ngã vào lên cao, T1ngưng, T2dẫn, T3dẫn, ngã ra Y xuống
thấp. Đó chính là kết quảcủa cổng NAND. Là sao ạ??
Tại sao T1 dẫn mà T2 lại ngưng ạ?
, theo kiến thức hạn hẹp của e thì chân C của Q1 lúc này ko đc mắc vào nguồn nào hết thì nó dẫn sao ạ,

, bài tập giao trinh ko co giai a oi, :3, a năm nay bnhiu r mà lão thế, ( đầu muối tiêu chưa a,
)

Comment