Nếu đây là lần đầu tiên đến với Điện Tử Việt Nam, bạn có thể đọc phần Hỏi đáp bằng cách nhấn vào liên kết. Có thể bạn cần đăng kí trước khi có thể gửi bài . Để bắt đầu xem bài viết, chọn diễn đàn bạn muốn thăm dưới đây.
Thông báo
Collapse
No announcement yet.
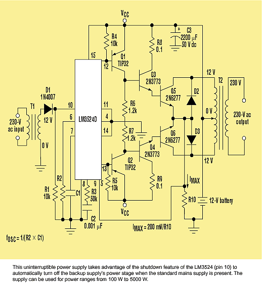
bac nao co mach nang dien ap tu 12V len 220V 500w khong
Cái này muốn chơi thì có thể mua con biến ap converter về gắn vô chứ chế chi cho mệt . Còn tốn tiền hơn là đi mua . Nội cái giải nhiệt không là cũng muốn xiểng liểng rùi . Còn muốn mày mò nghiên cứu thì chuyện khác . Em muốn nghiên cứu thì vào các mạch simulation hay spice mà tạo sơ đồ . Hông tốn đồng nào .
nhung em biet la co 2 con IC mot con la 4047 con con kia la con gi vay mong bac nao biet chi gium em voi
vua la de hoc hoi vua la de su dung luon em lap may cai mach mai ma khong chay duoc buc qua em cung tot rat nhieu linh kien roi ma khong an thua gi ca mong bac nao biet chi giup
nhung em biet la co 2 con IC mot con la 4047 con con kia la con gi vay mong bac nao biet chi gium em voi
vua la de hoc hoi vua la de su dung luon em lap may cai mach mai ma khong chay duoc buc qua em cung tot rat nhieu linh kien roi ma khong an thua gi ca mong bac nao biet chi giup
con IC thứ 2 là con lm324 ko bít thì bạn bỏ nó di cũng dược . nối tin hiệu chân 10-11 của con 4047 vào chan B của con c1061 là chạy ngon.
chúc ban thành công
go bien ap ra, quan them vong day vo coi dc kn, mach nay de bao dam phai co con trasistor dieu xung nua chu khi co tai de bi sut nguon lam
mình chỉ là dân nghịch chơi thôi nhưng rất đam mê nghien cứu điẹn tử do vậy am hiểu còn hạn chế nhiều. nghe bạn nói phải lắp thêm trasistor để điêu xung nếu bạn có mạch post cho mình với hoặc gửi theo Mail dinhthangxn10572@yahoo.com
Thank nhiều
lướt qua một vòng ý kiến của các anh em nếu ai có nhu cầu cần mạch chuyển từ 12vdc lên 220VAC/500W thì liên lạc qua mail : tranthanhbinh8888@gmail.com thông cảm mình không phải không muốn port lên mà vì chưa có đường link khi nào có nhiều người cần thì mình port lên, mình có 2 mạch, mạch thứ nhất là khoảng 200W thì phải cái này làm rồi nó có thể chạy đc quạt cây khá lớn, còn mạch thứ 2 thì 500W mình chưa làm nhưng thấy chi phí quá lớn ( hay còn gọi là mạch Inventer í) các con sò lớn phải mua của nhật cộng thêm cuốn biến áp bự lắm (mấy trăm í) chúc các bạn vui vẽ không dùng ic như mấy mạch trên đâu
Chào anh em cơ khí, Trong quá trình tư vấn đầu tư thiết bị cho xưởng, mình gặp rất nhiều câu hỏi kiểu: “Nên mua máy phay CNC cũ để tiết kiệm, chọn máy mới phổ thông cho yên tâm, hay cố gắng lên máy chất lượng cao để làm hàng khó?”. Thực tế, đây không phải câu hỏi chỉ về...
Tôi muốn mô phỏng sự thay đổi các mùa bằng cách từ từ nghiêng một quả địa cầu 16 inch bằng một động cơ bước nhỏ. Một động cơ bước khác sẽ quay quả địa cầu theo thời gian thực. Hệ thống truyền động...
Comment