Nói Thật Khi Post Lên Thấy Ngần Ngại Nhưng Vì Trình đội Còn Còi Nên Mong Cả Nhà Jup đỡ Em:
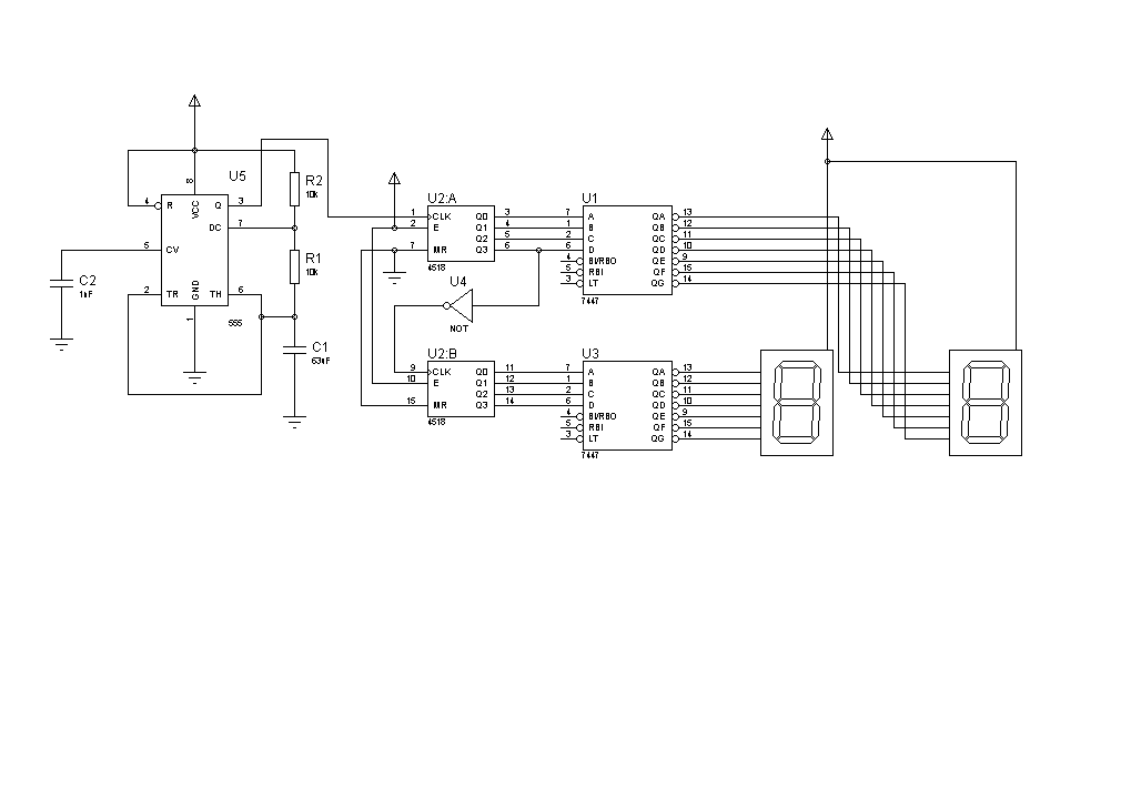
Em Làm Bài Tập Cho Bộ đếm Từ 0 đến 8 Liên Tục .dùng C0n 555 Tạo Xung Rồi 3 Con 7447+7473+7408 +led 7thanh Rồ Gép Mạch Rồi Nhưng Không Chạy Cay Cú Lắm Các Bác Ah:bác Nào Có Sơ đồ Mách Hay Cái Ji đó Jup Em Nhanh Nhanh Dc Không? Năm Hết Tết đến Gấp Lắm Rồi
Em Làm Bài Tập Cho Bộ đếm Từ 0 đến 8 Liên Tục .dùng C0n 555 Tạo Xung Rồi 3 Con 7447+7473+7408 +led 7thanh Rồ Gép Mạch Rồi Nhưng Không Chạy Cay Cú Lắm Các Bác Ah:bác Nào Có Sơ đồ Mách Hay Cái Ji đó Jup Em Nhanh Nhanh Dc Không? Năm Hết Tết đến Gấp Lắm Rồi

Comment