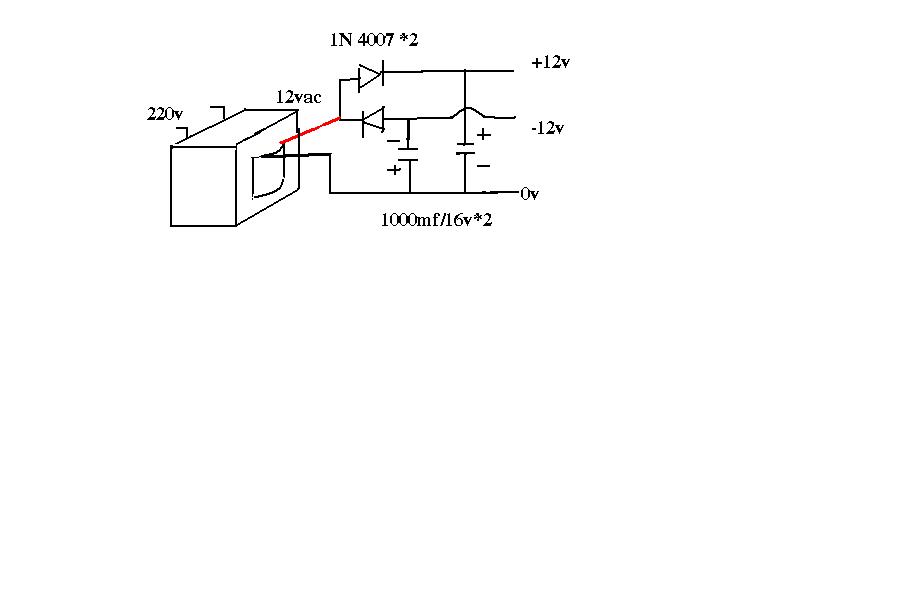
tình hình là e đang thực hành mạch nguồn, thầy bảo thiết kế mạch nguồn đôi dùng 7812 với 7912, từ trước tới giờ e toàn làm mạch nguồn đơn thôi, chưa làm mạch nguồn đôi bao giờ cả. à quên yêu cầu là đầu ra biến áp chỉ có 12V thôi, ko có 2 nguồn 6v đâu đấy.bác nào biết vụ này thì cho e xin cái mahcj nguyên lý nhá, có công thức tính toán thì càng tốt
Thông báo
Collapse
No announcement yet.
Mạch nguồn đôi dùng 7812 và 7912
Collapse
X
-
biến áp 12V sau khi chỉnh lưu và lọc nó ra được khoảng 15-16V. Ko đủ để cấp trực tiếp cho 7812 với 7912. Bạn nên mua cái biến áp khác đi. có 3 đầu ra là tốt nhất
Mạch nguyên lý thì cũng chỉ là ghép hai cái nguồn đơn lại với nhau. công thức bạn tính được cho nguồn đơn 7812 thì cũng vẫn dùng được cho 7912
xem thêm ở mục search trên diễn đàn nữa
eg: http://dientuvietnam.net/forums/showthread.php?t=8451123...
-
cái mạch nó đây.Nguyên văn bởi hoasua_2005 Xem bài viếttình hình là e đang thực hành mạch nguồn, thầy bảo thiết kế mạch nguồn đôi dùng 7812 với 7912, từ trước tới giờ e toàn làm mạch nguồn đơn thôi, chưa làm mạch nguồn đôi bao giờ cả. à quên yêu cầu là đầu ra biến áp chỉ có 12V thôi, ko có 2 nguồn 6v đâu đấy.bác nào biết vụ này thì cho e xin cái mahcj nguyên lý nhá, có công thức tính toán thì càng tốt
- 1 like
Comment
-
Mạn phép sửa lại mạch của Cao Van Huong cho phù hợp yêu cầu !Nguyên văn bởi hoasua_2005 Xem bài viếtkhờ khờ, yêu cầu là ko có điểm chung giữa 2 cuộn dây của biến áp cơ mà, mạch của bác cvh chạy được nhưng mà chưa đúng với đề bài, dù sao cũng thnkss bác, ai có cao kiến khác koChuyển điện điều hòa Nhật, nồi cơm IH ... từ 100V sang 220V
Hoàng Thanh Tâm- Km32, QL32 Hà Nội - Sơn Tây-ĐT:0912242352
Comment
-
Good, nhưng phải dùng đầu ra của biến thế là 24V AC thì đầu ra ổn áp mới được 12V!Nguyên văn bởi hoangtam741 Xem bài viếtMạn phép sửa lại mạch của Cao Van Huong cho phù hợp yêu cầu !
Comment
-
Chỉ cần đầu ra 12VAC là được. Kia có mạch chỉnh lưu nhân 2 điện áp nên sau chỉnh lưu nó đã cho điện áp khoảng 30V DC rồi, quá đủ cho 7812 và 7912. Hơn nữa sau chỉnh lưu nó sẽ cho 3 đầu ra mặc dù biến áp chỉ có 2 đầu ra nên rất dễ ráp.Nguyên văn bởi natra2k2 Xem bài viếtGood, nhưng phải dùng đầu ra của biến thế là 24V AC thì đầu ra ổn áp mới được 12V!
Comment
-
Thế thì chịu.Nguyên văn bởi luanbgdt3 Xem bài viếtmach chay ac lam
deb boi chay ka tu cua em
mach nay` that la kinh khung
so vao IC ma bong ka tay
Ông ráp sai thì có.
Mà dịch xong bài này muốn nổ con mắt, chả biết dịch đúng không nữa
Comment
-
tụ nhỏ thế thì nó nổ cho vỡ mặt ra còn gìNguyên văn bởi duong_act Xem bài viếtThế thì chịu.
Ông ráp sai thì có.
Mà dịch xong bài này muốn nổ con mắt, chả biết dịch đúng không nữa
ko bít thì lại còn lắm mồm.
haui
Comment
-
Tụ nhỏ mà nổ được à ?Nguyên văn bởi luanbgdt3 Xem bài viếttụ nhỏ thế thì nó nổ cho vỡ mặt ra còn gì
ko bít thì lại còn lắm mồm.
haui
Đã ng... lại còn to mồm cái l... gì.
Không biết thì im mà nghe người khác nói, ng... mà chém gió không sợ người ta cười cho à.Last edited by duong_act; 07-06-2010, 18:14.
Comment
Bài viết mới nhất
Collapse
-
Trả lời cho Nên mua máy phay CNC cũ, máy mới phổ thông hay máy chất lượng cao? Góc nhìn từ bài toán sản xuất thực tếbởi nguyendinhvanNgày trước, khi KT đang tăng trưởng, một cái máy tự động cũ tầm trung, thì khoảng 5 năm là hoàn vốn. Nhưng hiện tại, mọi việc đều chậm trễ, cạnh tranh, nên theo các xếp tính thì phải hơn 10 năm làm việc ngon lành thì mới hoàn vốn....
-
Channel: Máy công cụ
Hôm qua, 20:23 -
-
Trả lời cho cách làm led Hao Quang.có pro nào biết k nhỉ ???bởi StatusHello! I'm from Kazakhstan. Can anyone share the HEX file with me? The download link in post 50 doesn't work.
-
Channel: Vi điều khiển họ 8051
18-12-2025, 00:05 -
-
bởi mylinhattChào anh em cơ khí,
Trong quá trình tư vấn đầu tư thiết bị cho xưởng, mình gặp rất nhiều câu hỏi kiểu: “Nên mua máy phay CNC cũ để tiết kiệm, chọn máy mới phổ thông cho yên tâm, hay cố gắng lên máy chất lượng cao để làm hàng khó?”. Thực tế, đây không phải câu hỏi chỉ về...-
Channel: Máy công cụ
17-12-2025, 13:38 -
-
Trả lời cho Vấn đề về tốc độ quaybởi nguyendinhvanSử dụng động cơ servor, hoặc lắp thêm một cái encoder vào động cơ bước. Encoder sẽ kiểm soát động cơ có quay hoặc đứng im.
-
Channel: Điện tử truyền hình
14-12-2025, 19:50 -
-
bởi Andrea14Chào mọi người,
Tôi muốn mô phỏng sự thay đổi các mùa bằng cách từ từ nghiêng một quả địa cầu 16 inch bằng một động cơ bước nhỏ. Một động cơ bước khác sẽ quay quả địa cầu theo thời gian thực. Hệ thống truyền động...-
Channel: Điện tử truyền hình
12-12-2025, 12:42 -
Có đọc bì của bác nào đó Bên Làm SUB có cái mạch này!Tôi đã lắp chạy ngon. kiểu như của bác 
Comment