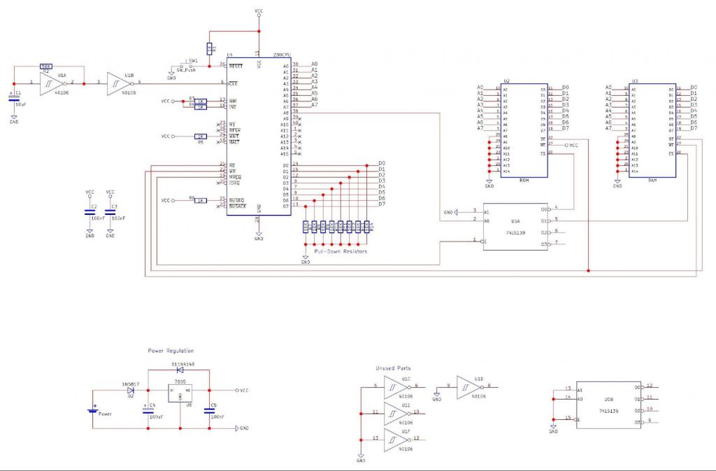
Tình hình là em đang có 1 con VXL Z80 đem chưng tủ thì phí quá. Nay em lục ra tính tự làm một cái máy tính, nhưng mà tới phần giải mã địa chỉ giữa RAM và ROM thì hơi khó hiểu chỗ chân A8 được làm chân chọn RAM. Vậy vd em muốn ghi một con số là 88 ở RAM có địa chỉ là 00 thì em phải lập trình phần địa chỉ là 256 hay là đơn giản nó sẽ tự động chuyển địa chỉ ảo là 00 thành địa chỉ vật lý là 256 ?
Thông báo
Collapse
No announcement yet.
Quản lý bộ nhớ cpu z80
Collapse
X
-
Em không làm bài tập mà chỉ tìm hiểu sâu hơn về vxl và muốn làm một cái mạch về nó.Nguyên văn bởi KVLV Xem bài viếtbạn đang nhờ bà con làm bài tập?
tạo truth table, học truth table của con 74ls139, học tín hiệu not wr là gì, e là gì?
hình không được rõ lắm.
Em chỉ thắc mắc ở chỗ lập trình chứ không phải là phần cứng, có phải mình sẽ khai báo vùng nhớ giữa RAM và ROM trong chương trình để khi muốn đưa dữ liệu vào ô nhớ có địa chỉ bất kì thì nó sẽ chuyển từ địa chỉ ảo sang địa chỉ vật lý hay là mình sẽ phải ghi thẳng địa chỉ vật lý vào câu lệnh để đưa được dữ liệu vào RAM ?
Còn hình dưới em cắt bớt chứ do nó to quá.
Comment
-
Bạn kiếm đâu ra con chip sản xuất những năm 1976. Tôi học nó cách đây >20 năm, giờ quên hết rồi. Nhớ tải về datasheet cho từng con chips. z80, rom, ram, 74ls139.
Đại khái là nếu bạn muốn viết vào ram thì set a8=1, wr =0, rd=1 (??), mreq=1, dùng lệnh write data (hông nhớ trong assembly language) vào địa chỉ có a8=1, a7-a0 bằng địa chỉ nào mà bạn muốn.
hỏi lại là chip rom bạn đang có là gì? có dùng assembler hông?
giờ mà mấy con rom còn cửa sổ thì phải có uv eraser mới tẩy được.
Muốn thực sự nghiên cứu để sau nầy đi làm có kinh nghiệm thì nên tìm pic micro controller của microchip, hoặc arduino hoặc raspberry pi.
Mãi đi tìm vàng.
Comment
-
Con chíp đó em xin của một người thầy mua cách đây hơn 10 năm ở HCM, chip ROM em có là 1 con W27C02 256K X 8 xóa và nạp bằng điện lấy trong cái main máy tính cổ (main socket 7), RAM thì em có SRAM UT62256 32K X 8, assembler con này chắc phải nghiên cứu lại do tập lệnh nó hơi khác với chip của intel.Nguyên văn bởi KVLV Xem bài viếtBạn kiếm đâu ra con chip sản xuất những năm 1976. Tôi học nó cách đây >20 năm, giờ quên hết rồi. Nhớ tải về datasheet cho từng con chips. z80, rom, ram, 74ls139.
Đại khái là nếu bạn muốn viết vào ram thì set a8=1, wr =0, rd=1 (??), mreq=1, dùng lệnh write data (hông nhớ trong assembly language) vào địa chỉ có a8=1, a7-a0 bằng địa chỉ nào mà bạn muốn.
hỏi lại là chip rom bạn đang có là gì? có dùng assembler hông?
giờ mà mấy con rom còn cửa sổ thì phải có uv eraser mới tẩy được.
Muốn thực sự nghiên cứu để sau nầy đi làm có kinh nghiệm thì nên tìm pic micro controller của microchip, hoặc arduino hoặc raspberry pi.
Comment
Bài viết mới nhất
Collapse
-
bởi torasungChào anh em,
Mình đang tìm hiểu và cấu hình một con biến tần Delta model VFD037E43A dùng cho động cơ công suất nhỏ, ứng dụng băng tải và quạt. Trước đây mình chủ yếu làm với vài dòng khác của Delta nhưng chưa dùng nhiều model này, nên muốn...-
Channel: Điện tử công nghiệp
hôm nay, 09:13 -
-
Trả lời cho Vấn đề về tốc độ quaybởi nguyendinhvanSử dụng động cơ servor, hoặc lắp thêm một cái encoder vào động cơ bước. Encoder sẽ kiểm soát động cơ có quay hoặc đứng im.
-
Channel: Điện tử truyền hình
14-12-2025, 19:50 -
-
bởi Andrea14Chào mọi người,
Tôi muốn mô phỏng sự thay đổi các mùa bằng cách từ từ nghiêng một quả địa cầu 16 inch bằng một động cơ bước nhỏ. Một động cơ bước khác sẽ quay quả địa cầu theo thời gian thực. Hệ thống truyền động...-
Channel: Điện tử truyền hình
12-12-2025, 12:42 -

Comment