Chip MTK thường được sử dụng trong điện thoại giá rẻ của china, bạn đã bao giờ tự hỏi tại sao điện thoại dùng chip MTK này lại rẻ đến vậy ? Ở đây ta đứng trên phương diện kỹ thuật để tìm hiểu cấu trúc chip MTK ( cụ thể là chip MT 6226 ), và xem qua điện thoại dùng MTK này lập trình như thế nào ?
đây là datasheet của chip MT 6226.
MT 6226 .pdf
Và một dự án code mẫu cho phone MTK
MTK_MMI.rar
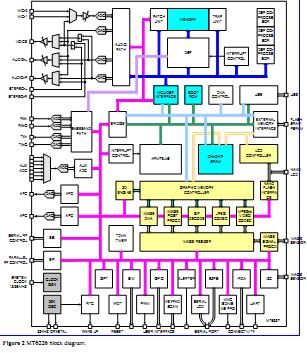
* Xem qua cấu trúc chip
Như bạn thấy chip này bao thầu mọi ngoại vi và cần rất ít linh kiện ngoài. Nên có thể làm giảm rất lớn giá thành sản phẩm cuối.

Cấu trúc bân trong của chip tích hợp rất cao, đây là dạng system on chip (SoC or SOC), và chạy lõi ARM7EJ-S.

====> bạn có thể tìm hiểu kỹ hơn trong datasheet của chip MT 6226.
Song song đó ITX gửi kèm một dự án code mẫu cho phone MTK.
Lưu ý: Đây chỉ là dự án, datasheet..v.v.v... chia sẻ với mục đích tham khảo, tìm hiểu, trên thực tế có thể chạy hoặc không.
Việc chia sẻ tài liệu này có thể là phạm pháp, ITX từ chối mọi trách nhiệm.
đây là datasheet của chip MT 6226.
MT 6226 .pdf
Và một dự án code mẫu cho phone MTK
MTK_MMI.rar
* Xem qua cấu trúc chip
Như bạn thấy chip này bao thầu mọi ngoại vi và cần rất ít linh kiện ngoài. Nên có thể làm giảm rất lớn giá thành sản phẩm cuối.
Cấu trúc bân trong của chip tích hợp rất cao, đây là dạng system on chip (SoC or SOC), và chạy lõi ARM7EJ-S.
====> bạn có thể tìm hiểu kỹ hơn trong datasheet của chip MT 6226.
Song song đó ITX gửi kèm một dự án code mẫu cho phone MTK.
Lưu ý: Đây chỉ là dự án, datasheet..v.v.v... chia sẻ với mục đích tham khảo, tìm hiểu, trên thực tế có thể chạy hoặc không.
Việc chia sẻ tài liệu này có thể là phạm pháp, ITX từ chối mọi trách nhiệm.
rẻ chán

Comment