+ đầu tiên mình tải phần mềm Pickit2.61 , nhưng trên đó tìm không thấy Pic 16F877A , máy mình win 7 64 bit , sang máy win xp 32 bit cũng vậy , cắm mạch nạp vào đèn xanh đã sáng , đèn đỏ khi cắm Pic 16F877A sau đó mở phần mềm đã nhấp nháy , hay thử ( Read ) đèn đỏ cũng nhấp nháy .
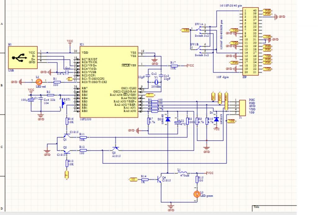
+ linh kiện :tran C1815 và A1015 , tụ 47u 16v , 100u 25v , cảm 470uH , diot 1N5819 , 1N4148...
+ quá trình test :
ban đầu khi chưa cắm Pic cần nạp

nhưng nếu gắn Pic 18F77A cần nạp vào thì VDD chỉ còn 4.8 V và nếu kể cả khi chưa gắn Pic nạp hay đã gắn chọn Bước1 : ( check communication) và thử Bước2
Read hay Wirte) thử thông báo lỗi VDD , sau OK thử thì thông báo tiếp lối như hình ( cứ lặp lại Bước 1 ... thì có lỗi VDD , còn bỏ qua Bước 1 làm lun bước 2 thì chỉ có thông báo lỗi số 2)

Mình xin nhờ vả các bác tìm giúp xem là tại sao , chứ ngay từ cái lỗi phần mềm không tìm được PIC 18F 77A mình đã chịu không hiểu có ai bị thế không rồi , mình gửi kèm cả mạch nguyên lý

http://www.mediafire.com/?dgk7dr8h3adxoyr
+ linh kiện :tran C1815 và A1015 , tụ 47u 16v , 100u 25v , cảm 470uH , diot 1N5819 , 1N4148...
+ quá trình test :
ban đầu khi chưa cắm Pic cần nạp
nhưng nếu gắn Pic 18F77A cần nạp vào thì VDD chỉ còn 4.8 V và nếu kể cả khi chưa gắn Pic nạp hay đã gắn chọn Bước1 : ( check communication) và thử Bước2
Read hay Wirte) thử thông báo lỗi VDD , sau OK thử thì thông báo tiếp lối như hình ( cứ lặp lại Bước 1 ... thì có lỗi VDD , còn bỏ qua Bước 1 làm lun bước 2 thì chỉ có thông báo lỗi số 2)Mình xin nhờ vả các bác tìm giúp xem là tại sao , chứ ngay từ cái lỗi phần mềm không tìm được PIC 18F 77A mình đã chịu không hiểu có ai bị thế không rồi , mình gửi kèm cả mạch nguyên lý
http://www.mediafire.com/?dgk7dr8h3adxoyr

Comment