mình mua được cái step-motor 12V 6 dây (2 dây nguồn và 4 dây điều khiển)
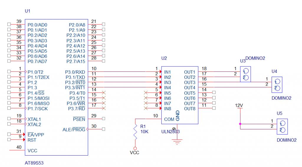
lúc đầu mình dùng 4 trong 8 output của ULN2803 để điều khine63 step-motor đó. nhưng chạy được 30s thì ULN2803 trở nên rất nóng. mình đoán là cái step motor đó xài dòng quá lớn (lớn hơn 0.5A mà mỗi output của ULN2803 cho phép). Nên mình định dùng tất cả 8 output của ULN2803 để điều khiển 4 dây của step-motor (mỗi dây step-motor sẽ được điều khiển thông qua 2 output của ULN2803) và lúc này thì mỗi dây được phép tải dòng lên đến 1A thay vì 0.5A như trước.
Dưới đây là sơ đồ nối dây của mình (mấy cái râu ria như tụ, thạch anh, nút reset... các bác bỏ qua nhé, mình chỉ tập trung vào con ULN2803 thôi). các bác xem qua rồi cho mình xin ý kiến nhé.
lúc đầu mình dùng 4 trong 8 output của ULN2803 để điều khine63 step-motor đó. nhưng chạy được 30s thì ULN2803 trở nên rất nóng. mình đoán là cái step motor đó xài dòng quá lớn (lớn hơn 0.5A mà mỗi output của ULN2803 cho phép). Nên mình định dùng tất cả 8 output của ULN2803 để điều khiển 4 dây của step-motor (mỗi dây step-motor sẽ được điều khiển thông qua 2 output của ULN2803) và lúc này thì mỗi dây được phép tải dòng lên đến 1A thay vì 0.5A như trước.
Dưới đây là sơ đồ nối dây của mình (mấy cái râu ria như tụ, thạch anh, nút reset... các bác bỏ qua nhé, mình chỉ tập trung vào con ULN2803 thôi). các bác xem qua rồi cho mình xin ý kiến nhé.

Comment