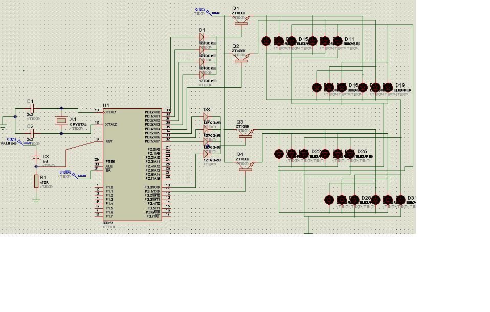
Em mô phỏng bằng proteus nhưng file em viết bằng hợp ngữ chạy mô phỏng được. Còn C có lẽ chương trình của em sai nhờ bác nào có thời gian xem qua chỉ giúp em với.
Câu lệnh "while(a==1);" trong hàm busy_flag()
Em đọc "cờ bận" P2.7 vào "a" nếu a=1 thì tiếp tục chờ a=0 thì thoát khỏi vòng lặp do-while
Câu lệnh "while(a==1);" trong hàm busy_flag()
Em đọc "cờ bận" P2.7 vào "a" nếu a=1 thì tiếp tục chờ a=0 thì thoát khỏi vòng lặp do-while
nhưng thích màm mò tí
,em thich học vdk lâu rùi
và cũng đang tìm hiểu về keil c nhưng không biết như thế nào và bắt đầu như thế nào,mong các anh giúp đỡ

Comment