Minh đang làm mạch điều khiển chuông lớp học sử dụng 89c51. Vậy sư huynh nào am hiểu xin chi giúp. M mới tập tành lập trình VDK thôi.Xin cảm ơn!
Thông báo
Collapse
No announcement yet.
Mạch điều khiển chuông lớp học?
Collapse
X
-
Cái này cũng đã có một số người làm, rồi trên bo mạch điều khiển cần có một số linh kiện chính:
- mc do bạn lựa chọn(8051,AVR..).
- rtc ds1307 hoặc ds1302.. để kiểm tra thời gian cái này lập trình cũng không khó đâu.
- relay
- LCD do bạn lựa chọn dùng để giao tiếp với quá trình thiết lập thời gian của bạn, thời gian có thể thay đổi theo mùa hoạc theo khối học. Hiển thị thời gian thực của rtc.
Quá trình thiết lập thời gian cho hệ thống bạn có thể dùng nút bấm điều khiển hoặc giao tiếp với phần mềm trên máy tính. Bạn có thể tham khảo một số bài viết liên quan đến giao tiếp với các thiết bị đã có trên diễn đàn để hoàn thành công việc của bạn.
-
có lẽ LTN làm cái chuông báo không phải để ra một sản phẩm mà là để tìm hiểu kĩ hơn về 8051.
Sơ đồ chung : uP nhận tín hiệu từ ic Ds12887 real-time-clock hiển thị lên led hay lcd, báo chuông bằng việc xuất tín hiệu đk relay.
Phím ấn thì dùng matrix cũng được, tốt hơn là dùng các ic giải mã để tiết kiệm chân cho uP.
nếu U cần thiết lắm thì liên hệ với tôi forfirefly@gmail.com, tôi có đề tài về phần này, chúc vui.học tập, lao động và làm việc theo gương chủ tịch Hồ Chí Minh vĩ đại .
Comment
-
e su dung : mach nguon (7805,7812), 89c51, 7447,74ls138,ban phim 16 nut,4 led hien thi gio,phut; mach chuong su dung MO3020,bta12,...phan cung ve co ban da xong nhung ....phan lap trinh chua on , anh co the "cho y kien"nhu la cach dinh thoi gian , lap trinh ban phim ...! em cam on !dieu khien chuong P2.0,hien thi Gio P0(byte cao dieu khien qua 74ls138,byte thap qua 7447),co lap trinh ding ho nua .
Comment
-
mạch báo chuông trường học!
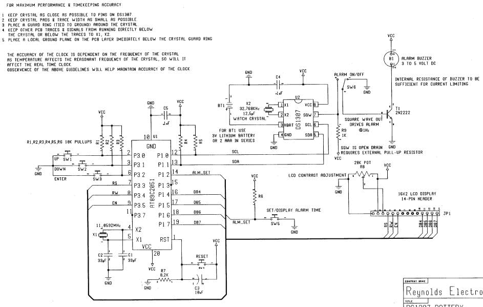
Chào bạn chuabietyeu !Nguyên văn bởi chuabietyeu Xem bài viếtMình mới tìm thấy tài liệu về mạch báo chuông gồm:
- Sơ đồ nguyên lý.
- Sơ đồ mạch in.
- Code.
Các bạn xem tham khảo nhé!
Thế bạn đã làm mạch này chưa vậy? Mình mô phỏng thử trên máy mà nó không chạy, mà đi mua con AT89S8252 mà không có. Chỉ có S8253 thôi vì hình như con S8252 kg sản xuất nữa, mà mạch nạp cho S8253 thì chưa có (theo mình biết là như vậy) nên bó tay luôn!
Comment
-
Bài viết mới nhất
Collapse
-
Trả lời cho cách làm led Hao Quang.có pro nào biết k nhỉ ???bởi StatusHello! I'm from Kazakhstan. Can anyone share the HEX file with me? The download link in post 50 doesn't work.
-
Channel: Vi điều khiển họ 8051
18-12-2025, 00:05 -
-
bởi mylinhattChào anh em cơ khí,
Trong quá trình tư vấn đầu tư thiết bị cho xưởng, mình gặp rất nhiều câu hỏi kiểu: “Nên mua máy phay CNC cũ để tiết kiệm, chọn máy mới phổ thông cho yên tâm, hay cố gắng lên máy chất lượng cao để làm hàng khó?”. Thực tế, đây không phải câu hỏi chỉ về...-
Channel: Máy công cụ
17-12-2025, 13:38 -
-
Trả lời cho Vấn đề về tốc độ quaybởi nguyendinhvanSử dụng động cơ servor, hoặc lắp thêm một cái encoder vào động cơ bước. Encoder sẽ kiểm soát động cơ có quay hoặc đứng im.
-
Channel: Điện tử truyền hình
14-12-2025, 19:50 -
-
bởi Andrea14Chào mọi người,
Tôi muốn mô phỏng sự thay đổi các mùa bằng cách từ từ nghiêng một quả địa cầu 16 inch bằng một động cơ bước nhỏ. Một động cơ bước khác sẽ quay quả địa cầu theo thời gian thực. Hệ thống truyền động...-
Channel: Điện tử truyền hình
12-12-2025, 12:42 -

Comment