Các bác làm ơn chỉ giúp em:
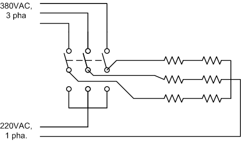
Em đang dùng lò đốt loại 6 con trở ( dây mayso) 3 pha ( 380v) giờ muốn chuyển đổi sang dùng điện 1 pha ( 220v) có được không và cách đấu dây thế nào ?
Em đang dùng lò đốt loại 6 con trở ( dây mayso) 3 pha ( 380v) giờ muốn chuyển đổi sang dùng điện 1 pha ( 220v) có được không và cách đấu dây thế nào ?

Comment