Thế là các bạn đã dược biết thêm về ga tự động nhờ bài viết của bạn Canigia, để tiếp tục bài viết tôi thí dụ từ pan đơn giàn đến phức tạp như máy phát điện gia đình không phát điện, các bạn sẽ bắt đầu sc từ đâu?mong các bạn góp ý kiến
Thông báo
Collapse
No announcement yet.
Điều chỉnh điện áp máy phát điện.
Collapse
X
-
Những bài QT viết thiên về các máy lớn. Nếu các bạn thích tìm hiểu về các máy nhỏ thì QT sẽ tìm thêm về để đáp ứng các bạn.
Trước mắt, với các máy lớn, bộ AVR luôn có một bộ phận giới hạn tỷ số U/F. Bộ phận này sẽ không cho phép kích từ quá mức khi tần số thấp như bác Caniggia nói. Hơn nữa, các máy lớn, hệ thống governor làm việc rất hiệu quả.
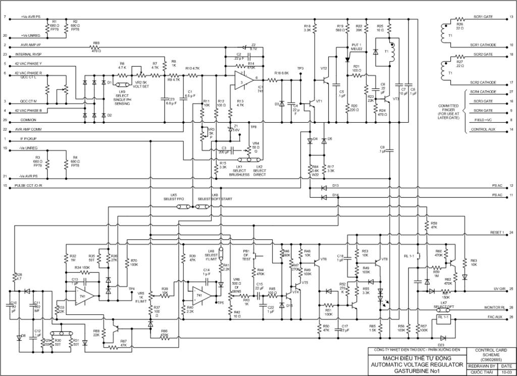
Hôm nay QT ngồi ì ạch vẽ 1 sơ đồ để gởi lên các bạn. Đây là một card trong bộ điều thế (AVR) của một máy phát điện kéo bằng turbine khí, công suất 22 MW, điện áp ra 10,5 kV.
Hệ thống dùng kích từ AC, có máy kích thích phụ (Pilot exciter) dùng nam châm vĩnh cửu, tần số 400 Hz. Máy kích thích chính 3 pha, cầu chỉnh lưu quay dùng 6 diode lắp trên trục. Bộ AVR dùng cầu chỉnh lưu 1 pha 400 Hz, cấp điện cho stator (phần cảm) của máy kích thích chính.
Bộ AVR có khoảng 8 card khác nhau. Hôm nay QT vẽ card chủ yếu trước. Các card còn lại sẽ vẽ sau. Ban đầu lưu ở dạng gif và jpg, nhưng bị khó đọc chữ nhỏ. Bạn nào cần, QT sẽ chia sẻ bản gốc Visio pic, hoặc bản lưu ở dạng wmf. Bảo đảm phóng lên thật lớn vẫn đọc rõ chữ.
http://www.4shared.com/file/33146721...1_control.html
QT sẽ gởi hình lên trước, và sẽ phân tích nó sau:
Comment
-
Trước khi bắt tay vào phân tích mạch điện, QT xin phép nhắc lại một số kiến thức rất cơ bản về tự động điều khiển. Thực ra cái này gần như ai cũng biết, nhưng có thể có vài bác chưa có dịp đến trường ĐH, nhưng lại có hứng thú với máy phát điện. Các bạn nào đã biết thì thông cảm.
Hệ thống điều khiển tự động
Một hệ thống điều khiển thường bao gồm các bộ phận chính như sau:- Thiết bị điều khiển: Ký hiệu là C (Controller)
- Đối tượng điều khiển: ký hiệu là O (object), và
- Thiết bị đo lường: ký hiệu là M (Measuring device).
Hệ thống điều khiển vòng hở
a). Sơ đồ điều khiển vòng hở: Sơ đồ này chủ yếu chỉ có Thiết bị điều khiển và đối tượng điều khiển. Thiết bị đo lường nếu có cũng chỉ mang tính chất chỉ thị. Sơ đồ như sau:
(Xem hình vẽ đính kèm)
Trong đó:
u: tín hiệu vào,
y; tín hiệu ra,
x: tín hiệu điều khiển.
Trong sơ đồ này, thiết bị được điều khiển theo một hướng. Tăng hoặc giảm tín hiệu đầu vào sẽ làm tăng hoặc giảm tín hiệu đầu ra.
Trong sơ đồ này các trị số được tính toán như sau:
x = u . kC
y = x . kO
y = u.kC.kO = u.k
Trong sơ đồ này ta thấy tín hiệu ra là một hàm của tín hiệu vào.
Ưu điểm: Kết cấu đơn giản, gọn nhẹ,
Khuyết điểm:
Bị ảnh hưởng bởi các nhiễu: nhiễu ở đầu vào, nhiễu ở đầu ra, nhiễu trong quá trình điều khiển.
Bị ảnh hưởng do độ trôi dạt thông số của thiết bị điều khiển và đối tượng điều khiển.
Người vận hành hệ thống phải luôn xem xét các giá trị đầu ra để có các quyết định thay đổi đầu vào kịp thời.
Comment
-
Sơ đồ điều khiển vòng kín:
Ngoải thiết bị điều khiển và đối tượng điều khiển, hệ thống đo lường cũng tích cực tham gia vào quá trình điều khiển.
Tín hiệu vào của hệ thống không phải là tín hiệu điều khiển trực tiếp thiết bị. Nó chỉ là một tín hiệu tiêu chuẩn, tượng trưng cho trị số đầu ra theo ý muốn của người vận hành hệ thống. Trong hệ thống sẽ có một phần tử so sánh trị số đo được qua thiết bị đo lường M với trị số quy chuẩn này. Các sai số phát sinh ra sẽ là tín hiệu đi điều khiển hệ thống.
(Các bạn xem hình)
Trong đó:
u: tín hiệu vào, phản ánh sự mong muốn của người vận hành hệ thống.
y: tín hiệu ra,
z: tín hiệu phản hồi, phản ánh tín hiệu đầu ra qua thiết bị đo lường
e: tín hiệu sai biệt, phản ánh độ sai khác giữa tín hiệu ra và mong muốn của người vận hành hệ thống.
x: tín hiệu điều khiển.
Trong sơ đồ này, thiết bị được điều khiển theo một vòng kín. Khi có sự thay đổi tín hiệu đầu ra ngoài ý muốn, sẽ tạo ra thêm sai số e, sai số này sẽ đưa vào thiết bị điều khiển để điều chỉnh theo hướng ngược lại, nhằm giảm bớt sự thay đổi đó.
Các thông số truyền được tính toán như sau:
z = kM.y
e = u – z = u - kM.y
x = e . kC
y = x . kO
y = e.kM.kC = e.k
Trong đó k là hệ số truyền dẫn của toàn hệ thống. Do k không phải là số vô cùng lớn, nên trong hệ thống luôn tồn tại 1 sai số e
Ưu điểm:- Giám sát chặt chẽ tín hiệu đầu ra. Vận hành viên chỉ đưa ra trị số mong muốn của mình. Hệ thống sẽ tự động điều chỉnh hệ thống theo mong muốn đó của VHV.
- Loại trừ được phần lớn nhiễu sinh ra trong quá trình điều khiển.
Khuyết điểm:- Kết cấu hệ thống phức tạp.
- Do hệ thống làm việc dựa vào sai số e, nên khi hệ thống ổn định luôn có 1 sai số. Vì thế hệ thống này còn gọi là hệ thống hữu sai.
- Để giảm thiểu sai số, phải tăng hệ số truyền của thiết bị điều khiển. Tuy nhiên, việc tăng hệ số này có nguy cơ dẫn đến mất ổn định và sinh ra dao động hệ thống
- Vẫn còn bị ảnh hưởng một ít của nhiễu, đặc biệt là nhiễu đầu vào.
Comment
-
Sơ đồ điều khiển vòng kín có bù nhiễu:
Ngoải các thiết bị như đã nêu trong hệ thống điều khiển vòng kín, người ta còn đưa các tín hiệu nhiễu, hoặc các tín hiệu phát sinh do nhiễu về bộ so sánh đầu vào, để gây ra các tác động ngược lại với tác động của nhiễu.
Sơ đồ điều khiển vòng kín phức hợp:
Trong các hệ thống điều khiển lớn, người ta có thể có nhiều vòng điều khiển khác nhau. Các còng điều khiển đó có thể liên kết với nhau theo nhiuều cách: song song, nối tiếp hoặc hỗn hợp cả hai. Ngoài ra, còn có thể có những vòng điều khiển lớn, bao gồm một hay nhiều vòng nhỏ hơn.
Comment
-
Quay trở lại bản vẽ: QT xin phép phân tích từng phần.
Trước hết, chúng ta muốn nói đến một vòng điều khiển có hồi tiếp rất lớn. Đầu ra của mạch điện tử này sẽ cấp điện cho một cuộn dây kích từ của máy kích thích AC. Cuộn dây phần ứng 3 pha sẽ được chỉnh lưu thành một chiều, cấp điện cho Rotor máy phát. Đầu ra của máy phát điện là 10,5 kV được đưa qua biến thế đo lường 11kV/110V. Một bộ biến áp đo lường phụ sẽ biến từ 105V/43V. Điện áp 43VAC 3 pha đó được đưa vào mạch này qua các chân 4, 5 và 6.
Trong vòng điều khiển rất lớn đó, có thể xem như máy kích thích và máy phát điện là đối tượng điều khiển. Các bộ biến áp đo lường (chính và phụ) cùng với một phần nhỏ trong card điều khiển này là thiết bị đo lường. Một số phần trong mạch điện này là thiết bị điều khiển.
Comment
-
Một phần của card điều khiển này là bộ phận đo lường. Phần đó là cầu chỉnh lưu 3 pha, sẽ biến 43 VAC 3 pha thành điện áp một chiều. Điện áp này sẽ được lọc san bằng dùng các mắt lọc RC và đưa về so sánh với một điện áp chuẩn. Điện áp chuẩn là điện áp ổn định -5,6V lấy từ Diode Zenner Z1. Op amp IC1 làm nhiệm vụ so sánh áp đo được và áp chuẩn 5,6 V bằng một mạch cộng tín hiệu. Các bạn lưu ý là do tín hiệu đo lường >0 còn tín hiệu chuẩn <0, nên mạch cộng trên sẽ tác động như một mạch so sánh. Sai số giữa 2 tín hiệu trên được khuếch đại và lọc san bằng thêm một lần nữa nhờ mạch lọc tích cực thông thấp, cũng do IC1 đảm nhiệm. Đầu ra của IC 1 sẽ được đưa vào điều khiển bộ tạo xung.
Trong mạch đo lường, các bạn có thể thấy thêm một điện trở nối từ chân số 6 và chân số 3. Đây là điện trở nhận dòng điện, tác động của nó QT sẽ trình bày sau.
QT vẽ lại một phần của mạch, xóa bỏ những phần khác để các bạn nhìn cho rõ:
Comment
-
Cám ơn anh QT rất nhiều vì đã gửi mail cho e. Em sẽ nghiên cứu và làm thử nếu thành công và có kinh nghiệm gì thêm em sẽ post lên để diễn đàn cùng chia sẻ.Mong anh tiếp tục giúp đỡ em trong quá trình thiết kế.Chân thành cảm ơn anh nhiều!Nguyên văn bởi quocthai Xem bài viếtMột phần của card điều khiển này là bộ phận đo lường. Phần đó là cầu chỉnh lưu 3 pha, sẽ biến 43 VAC 3 pha thành điện áp một chiều. Điện áp này sẽ được lọc san bằng dùng các mắt lọc RC và đưa về so sánh với một điện áp chuẩn. Điện áp chuẩn là điện áp ổn định -5,6V lấy từ Diode Zenner Z1. Op amp IC1 làm nhiệm vụ so sánh áp đo được và áp chuẩn 5,6 V bằng một mạch cộng tín hiệu. Các bạn lưu ý là do tín hiệu đo lường >0 còn tín hiệu chuẩn <0, nên mạch cộng trên sẽ tác động như một mạch so sánh. Sai số giữa 2 tín hiệu trên được khuếch đại và lọc san bằng thêm một lần nữa nhờ mạch lọc tích cực thông thấp, cũng do IC1 đảm nhiệm. Đầu ra của IC 1 sẽ được đưa vào điều khiển bộ tạo xung.
Trong mạch đo lường, các bạn có thể thấy thêm một điện trở nối từ chân số 6 và chân số 3. Đây là điện trở nhận dòng điện, tác động của nó QT sẽ trình bày sau.
QT vẽ lại một phần của mạch, xóa bỏ những phần khác để các bạn nhìn cho rõ:
Comment
-
mach avr trong may phat dien
tui ten Toan la sv truong dai hoc su pham ky thuat, minh dang thuc hien de tai nghien cuu khoa hoc ve de tai, mo hinh mo phong mach avr cho may phat dien, minh dang tim tai lieu ve no,cac ban co tai lieu nao lien quan xin gioi thieu gium minh cam on cac ban !
Comment
-
Comment
-
Cám ơn các bạn đã quan tâm.
Cũng thành thật cáo lỗi với các bạn là do dạo này QT hơi bận. Cuối năm nhiều việc, kể cả... việc liên hoan với hết tổ này đến nhóm khác
, nên ít viết bài. Mà quả thật cũng khó viết cho chuẩn xác được. Do đó, tạm thời QT chưa viết tiếp được bài phân tích cho các phần còn lại trong control card này.
Tạm thời QT gởi tiếp một số bản vẽ khác cũng trong bộ AVR này.
Dưới đây là 2 card công suất, với kết cấu rất đơn giản. Một card dùng cho chế độ điều áp bằng tay, một card dùng cho chế độ điều áp tự động. Mời các bạn tham khảo.
Ngoài ra trong mạch còn 2 card nữa, 1 card để giới hạn dòng kháng thiếu kích thích, điều phối giữa P, Q theo điện áp. Một cảd nữa để điều chỉnh hệ số Cos phi. QT sẽ lần lượt gởi lên và phân tích từng phần sau, vì chưa vẽ xong.
Comment
-
Hi hi. Anh Cuội này viết bài tài tử lắm. Hứng lúc nào viết lúc ấy, chứ làm gì có sẵn. Mấy anh chịu khó chờ thôi.
To anh Cuội: Nhậu ít ít thôi, còn để dành sự tỉnh táo trả lời bài chứ???Nhóc thích nghịch điện,
Nhóc thích xì păm,
Nhóc thích trêu mấy anh.
Hi hi.
Comment
Bài viết mới nhất
Collapse
-
bởi mylinhattTrong vận hành thực tế, nhiều xưởng gia công gặp tình trạng máy phay CNC bắt đầu sai kích thước, bề mặt rung nhẹ hoặc phát sinh lỗi thay dao dù chương trình và dao cắt không thay đổi. Phần lớn các vấn đề này không xuất phát từ lập trình mà đến từ việc bảo dưỡng máy chưa được thực hiện đúng và đủ....
-
Channel: Máy công cụ
hôm nay, 11:27 -
-
bởi ittcHì, em tính đi mua 1 cái máy Khoan và máy Mài (cắt), em đã chính thức gạt thằng BOSCH sang 1 bên vì giá cao hơn Dewalt và Makita, hơn nữa xem Cataloge của nó thì hàng ít model mẫu mã hơn.
Giá Dewalt và Makita thấy ngang ngửa nhau, thôi thì nhu...-
Channel: Điện tử gia dụng
hôm nay, 07:20 -
-
bởi DaoVanTrongChào Anh Em. Nay em có tạo 1 sơ đồ mạch UPS sau, xin Ae cho ý kiến.
Và nếu biết sản phẩm này nếu có sẵn thì em xin link để mua (nếu giá phù hợp) thì em đỡ phải làm ạ, vì em tìm nhưng không thấy:
╔═══════════════════[ĐIỆN_LƯỚI_220V]════════════════╗...-
Channel: Điện tử sáng tạo
Hôm qua, 23:32 -
-
Trả lời cho Nên mua máy phay CNC cũ, máy mới phổ thông hay máy chất lượng cao? Góc nhìn từ bài toán sản xuất thực tếbởi nguyendinhvanNgày trước, khi KT đang tăng trưởng, một cái máy tự động cũ tầm trung, thì khoảng 5 năm là hoàn vốn. Nhưng hiện tại, mọi việc đều chậm trễ, cạnh tranh, nên theo các xếp tính thì phải hơn 10 năm làm việc ngon lành thì mới hoàn vốn....
-
Channel: Máy công cụ
20-12-2025, 20:23 -
-
Trả lời cho cách làm led Hao Quang.có pro nào biết k nhỉ ???bởi StatusHello! I'm from Kazakhstan. Can anyone share the HEX file with me? The download link in post 50 doesn't work.
-
Channel: Vi điều khiển họ 8051
18-12-2025, 00:05 -
-
bởi mylinhattChào anh em cơ khí,
Trong quá trình tư vấn đầu tư thiết bị cho xưởng, mình gặp rất nhiều câu hỏi kiểu: “Nên mua máy phay CNC cũ để tiết kiệm, chọn máy mới phổ thông cho yên tâm, hay cố gắng lên máy chất lượng cao để làm hàng khó?”. Thực tế, đây không phải câu hỏi chỉ về...-
Channel: Máy công cụ
17-12-2025, 13:38 -
-
Trả lời cho Vấn đề về tốc độ quaybởi nguyendinhvanSử dụng động cơ servor, hoặc lắp thêm một cái encoder vào động cơ bước. Encoder sẽ kiểm soát động cơ có quay hoặc đứng im.
-
Channel: Điện tử truyền hình
14-12-2025, 19:50 -


Comment