em là dân newbie nên kiến thức còn hạn hẹp mong các cao thủ chỉ giáo
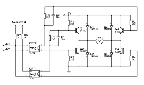
em muốn điều khiển motor lên mạng thì tìm được mạch cầu H, mong các anh chỉ giáo nên dùng con trán nào để lắp
hiện tại em có nguồn 12V, motor 12V(chỉ cần chạy được không cần đúng 12V)
em muốn điều khiển motor lên mạng thì tìm được mạch cầu H, mong các anh chỉ giáo nên dùng con trán nào để lắp
hiện tại em có nguồn 12V, motor 12V(chỉ cần chạy được không cần đúng 12V)
, với cả em lắp cho tran C1815 và A380(con này em không nhớ rõ để mai coi lại) em nghĩ là nó công suất bé quá nên không làm moto chạy được

Comment