Thông báo
Collapse
No announcement yet.
ai giúp em nguyên lí cái mạch inverter tàu này với,hì
Collapse
X
-
ai giúp em nguyên lí cái mạch inverter tàu này với,hì
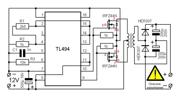
mạch dung 2 ic ka 7500b mà em nghe nói tl 494 thay thế được.em mò vẽ lại mạch mà hơi khó,em đang định làm từng phần,pânf công suốt và mạch cầu riêng,nhưng chưa vẽ lại được,ac nào đã làm mạch này giúp em với ạ.với lại nó toàn điện trở 5 vòng màu bé xíu lại bị mờ nữa,4 con mạch cầu h là IFR 740, 2 con công suốt là IFR z44 ạ
Tags: None
-
Mạch y chang loại bạn cầm thì mình chưa làm bao giờ, mình làm loại 1000W và khá phức tạp hơn loại bạn cầm, nếu bạn có ý định làm mạch công suất và mạch cầu riêng thì quá tốt rồi, trên diễn đàn có rất nhiều bài nói về inverter và UPS bạn có thể tham khảo và tìm hiểu kĩ cơ chế vận hành của nó trước khi làm, chứ còn như giờ mình quăng cho bạn cái đống schematic mạch thì bạn cũng chả hiểu được cái gì cả, mình cung cấp cho bạn cái sườn lý thuyết mà bạn phải biết:
1) tìm hiểu về cơ chế cho điện 12V hoặc 24V được PWM cao tần đưa vào con biến áp xung để được khoảng hơn 300V DC đầu ra, cái này là phần công suất của bạn đó.
2) tìm hiểu về việc mod cầu H dể từ 300V DC ra được khoảng 220V DC xung vuông.
3) tìm hiểu về cơ chế hồi tiếp, chống quá tải...
Sau khi thông tất cả bạn có thể tự chế inverter rồi đấy và dùng cái mạch của bạn tham khảo hoặc chỉnh sửa thêm, đó là cách học và tìm hiểu tốt nhất và điễn đàn có đầy đủ thông tin cho bạn tìm hiểu (thừa nữa là đằng khác). Chúc thành côngLàm sao mà bạn dám nói là không làm được khi bạn chưa từng thử một lần nào.
Ngay cả khi bạn đã làm 1 lần và thất bại bạn cũng không có quyền nói là không làm được vì bạn chưa làm lần thứ 2,3...
Comment
-
Mạch họ vẽ rõ như ban ngày thế kia thì bạn ko hiểu chỗ nào?? Nếu ko biết IRFZ44 mắc chân cẳng thế nào thì đây:Nguyên văn bởi maitrunghieu[ATTACH=CONFIG]60930[/ATTACH]
gúp em với kái con irfz44 mắc như thế nào
Còn việc bạn nhờ người khác vẽ dùm mạch in là ko thể vì cái con biến áp xung này bạn có ko và là loại gì?? trong mạch vẽ nó 5 chân và ko hề ghi thông số nào cả (có ghi thì cũng chả kiếm ra), biến áp xung bán sẵn thì thường có 2 loại là 22 chân và 16 chân, bạn biết cách xài nó ko?? cái mạch này người ta vẽ để tham khảo chứ mình chuyên về cái này thì thấy nó ko thể chạy được. Cách hỏi của các bạn nếu mà đi hỏi mấy ông thầy thì mấy ổng la chết đấy, nên tự tìm hiểu kĩ trước khi hỏi.Làm sao mà bạn dám nói là không làm được khi bạn chưa từng thử một lần nào.
Ngay cả khi bạn đã làm 1 lần và thất bại bạn cũng không có quyền nói là không làm được vì bạn chưa làm lần thứ 2,3...
Comment
-
dạ vâng, em xin tiếp thu sự chỉ giáo của các huynh
em không có ý nhờ vẽ mạch in,em chỉ hỏi xem có huynh nào từng làm chua để tham khảo kinh nghiệm
em đã vẽ xong và làm xong mạch công suốt,em nhổ cái biến áp kia sang hihi
hiện tại em đang trong thời gian nghỉ tết ở quê nên cũng chư ra chợ trời tìm ba xung được,2 đang học năm 2 dhcn năm nay được nghỉ nhiều quá phát chán,hic
em mới chỉ biết mò mẫm nghịch thui chứ đã được học gì đâu
nhân đây em cũng xin hỏi các huynh tí vầ phần mạch cầu
em thấy cái kich nhà em mua hồi 2009 hay mất điện đó,dung quạt hay cháy lắm,cả cái inverter tàu này quạt cũng không được êm lắm
em đang định cải tiến mạch cầu không dùng tl494 nữa mà dùng 89s52 để băm xung
nếu được thì huynh có thế cho em xin sơ đồ nguyên lí cái mạch cầu dùng 89s52 và phần lập trình không ạ
thú thật em dốt lập trình lắm,học điện tử mà dốt lập trình thì chết,híc,tuy chưa học nhưng em thấy minh không có năng khiếu lập trình,vì hoc paxcal và c em đều dốt
thế các huynh giúp em tí nhá,hihi
Comment
-
bác hoahauvn2
cho em hỏi tí
tại sao ở phần công suốt lại lấy xung ra ở chân 9,10
mà phần cầu h trong này em thấy lấy ra ở chân 8,11
em tra data sheet thì thấy lấy ở 8,11
trong nguồn atx em cúng thấy lấy chân 8 và 11
hay mỗi chân ra 1 kiểu xung ạ
em không hiểu nên thắc mắc tí mong bác giải đáp giùm
Comment
Bài viết mới nhất
Collapse
-
bởi bqvietMạch cồng kềnh nhưng khá bài bản. Nếu tự làm để học thì cũng đáng để bắt tay nghịch chơi. Nếu chỉ cần sản phẩm thì các sàn thương mại điện tử có sẵn UPS DC này ra 5V hoặc 12V rất sẵn, chạy pin, giá cũng không đắt.
-
Channel: Điện tử sáng tạo
Hôm qua, 18:28 -
-
bởi mylinhattTrong vận hành thực tế, nhiều xưởng gia công gặp tình trạng máy phay CNC bắt đầu sai kích thước, bề mặt rung nhẹ hoặc phát sinh lỗi thay dao dù chương trình và dao cắt không thay đổi. Phần lớn các vấn đề này không xuất phát từ lập trình mà đến từ việc bảo dưỡng máy chưa được thực hiện đúng và đủ....
-
Channel: Máy công cụ
22-12-2025, 11:27 -
-
bởi ittcHì, em tính đi mua 1 cái máy Khoan và máy Mài (cắt), em đã chính thức gạt thằng BOSCH sang 1 bên vì giá cao hơn Dewalt và Makita, hơn nữa xem Cataloge của nó thì hàng ít model mẫu mã hơn.
Giá Dewalt và Makita thấy ngang ngửa nhau, thôi thì nhu...-
Channel: Điện tử gia dụng
22-12-2025, 07:20 -
-
bởi DaoVanTrongChào Anh Em. Nay em có tạo 1 sơ đồ mạch UPS sau, xin Ae cho ý kiến.
Và nếu biết sản phẩm này nếu có sẵn thì em xin link để mua (nếu giá phù hợp) thì em đỡ phải làm ạ, vì em tìm nhưng không thấy:
╔═══════════════════[ĐIỆN_LƯỚI_220V]════════════════╗...-
Channel: Điện tử sáng tạo
21-12-2025, 23:32 -
-
Trả lời cho Nên mua máy phay CNC cũ, máy mới phổ thông hay máy chất lượng cao? Góc nhìn từ bài toán sản xuất thực tếbởi nguyendinhvanNgày trước, khi KT đang tăng trưởng, một cái máy tự động cũ tầm trung, thì khoảng 5 năm là hoàn vốn. Nhưng hiện tại, mọi việc đều chậm trễ, cạnh tranh, nên theo các xếp tính thì phải hơn 10 năm làm việc ngon lành thì mới hoàn vốn....
-
Channel: Máy công cụ
20-12-2025, 20:23 -
-
Trả lời cho cách làm led Hao Quang.có pro nào biết k nhỉ ???bởi StatusHello! I'm from Kazakhstan. Can anyone share the HEX file with me? The download link in post 50 doesn't work.
-
Channel: Vi điều khiển họ 8051
18-12-2025, 00:05 -
-
bởi mylinhattChào anh em cơ khí,
Trong quá trình tư vấn đầu tư thiết bị cho xưởng, mình gặp rất nhiều câu hỏi kiểu: “Nên mua máy phay CNC cũ để tiết kiệm, chọn máy mới phổ thông cho yên tâm, hay cố gắng lên máy chất lượng cao để làm hàng khó?”. Thực tế, đây không phải câu hỏi chỉ về...-
Channel: Máy công cụ
17-12-2025, 13:38 -
-
Trả lời cho Vấn đề về tốc độ quaybởi nguyendinhvanSử dụng động cơ servor, hoặc lắp thêm một cái encoder vào động cơ bước. Encoder sẽ kiểm soát động cơ có quay hoặc đứng im.
-
Channel: Điện tử truyền hình
14-12-2025, 19:50 -

Comment