Nguyên văn bởi duong_act
Xem bài viết
Thông báo
Collapse
No announcement yet.
chuyển xung vuông thành hình sin
Collapse
X
-
Nhưng đây là 1 lệnh được thực hiện nhiều lầnNguyên văn bởi qkhanh Xem bài viếtPWm là do bộ PWM tự động tạo ra mà. hơn nữa em đang sử dụng con ARM tần số 60M ,32 bit ,một chu kỳ máy có thể xử lý được 1-3 lệnh....
Đơn giản là thế này. Độ lấp đầy là thời gian On/ Off. Mà thời gian thì VDK nào cũng tính = chu kì máy.
Comment
-
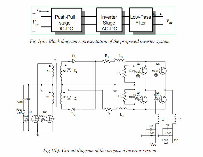
OK vấn đề khả năng xử lý của vi điều khiển phía trên coi như ok không bàn luận thêm nữa bác duong_act cùng các bác xem dùm em cái mạch phía trên và tham khảo thêm tài liệu nàyNguyên văn bởi duong_act Xem bài viếtNhưng đây là 1 lệnh được thực hiện nhiều lần
Đơn giản là thế này. Độ lấp đầy là thời gian On/ Off. Mà thời gian thì VDK nào cũng tính = chu kì máy.
Comment
-
Em thấy dở người_ Chưa thấy ai đi điều khiển sơ cấp. Lần đầu tiên em thấy. Cách này tốn 2 cái cầu kéo theo phải đk 2 cầu H. Mua việc vào người. Thường thì là DC-DC( Cao áp), sau đó DC-AC. Không thì DC-AC luôn( Ít dùng và có dùng thì chỉ là BA thường). Chắc tại em gà quá nên phát biểu ngớ ngẩn mong các bác thứ lỗi.
Add: 97 Quán Nam - Lê Chân - Hải Phòng.
Tel: 031 518648 Phone: 0904 283 505
Comment
-
Đúng là hơi gà đấy .Bây giờ người ta làm cách này đấy.hay là các giáo sư không còn việc gì để làm nên nghĩ lung tung.nếu có thể thì dịch vài câu trong tài liệu đó hoặc có thể tham khảo thêm xem vì sao người ta làm thế.Nguyên văn bởi hoangdai Xem bài viếtEm thấy dở người_ Chưa thấy ai đi điều khiển sơ cấp. Lần đầu tiên em thấy. Cách này tốn 2 cái cầu kéo theo phải đk 2 cầu H. Mua việc vào người. Thường thì là DC-DC( Cao áp), sau đó DC-AC. Không thì DC-AC luôn( Ít dùng và có dùng thì chỉ là BA thường). Chắc tại em gà quá nên phát biểu ngớ ngẩn mong các bác thứ lỗi.
còn cái mạch post lên phía trên thì tham khảo của một bạn trên diễn đàn còn chi tiết lên tham khảo tài liệu thiết kế inverter mình mới post lên ở bài trước.
tài liệu này là một bài báo viết về cách thiết kế inverter người ta dùng một con DSP để điều khiển (chứ không ai dùng con 8051 như sơ đồ ở phía trên).
thế DC-DC cao cáp là thế nào?Last edited by qkhanh; 13-06-2010, 02:45.
Comment
-
vậy mà đã phức tạp rồi sao.thế còn PWM + nghịch lưu đa bậc thì chắc "bó chíu"Nguyên văn bởi hoangdai Xem bài viếtTức là chuyển từ DC-DC. DC cao áp là điện áp sau BAX đã đc chỉnh lưu. Làm cách điều chỉnh trc BAX quá phức tạp.
.
DC cao áp là điện áp sau BAX đã đc chỉnh lưu thế là thế nào chẳng hiểu gì cả? .
Người ta muốn dùng biến áp xung như vậy nhằm mục đích giảm kích thước sản phẩm và điều chỉnh điện áp ra bằng khâu DC/DC. Cậu thử tính xem bộ nghịch lưu vài KW nếu dùng biến áp thường thì kích thước bằng bao nhiêu.nếu cá tải sụt áp thì điều chỉnh thế nào?
Comment
-
Ông này càng nói càng dở. Làm gì có cái hãng nào làm inverter cỡ trăm W mà dùng BA thường chưa?? Ông lại ko thèm biết DC cao áp là gì ah? Nó là điện áp DC đc chỉnh lưu sau BAX đấy. Thế thì hãy tạm quên ý tưởng làm inverter đi nhé. Bó tay với ông này.
Add: 97 Quán Nam - Lê Chân - Hải Phòng.
Tel: 031 518648 Phone: 0904 283 505
Comment
-
thế người ta đưa cái gì vào biến áp xung.đọc không chịu suy nghĩ phát biểu lung tung.Nguyên văn bởi hoangdai Xem bài viếtÔng này càng nói càng dở. Làm gì có cái hãng nào làm inverter cỡ trăm W mà dùng BA thường chưa?? Ông lại ko thèm biết DC cao áp là gì ah? Nó là điện áp DC đc chỉnh lưu sau BAX đấy. Thế thì hãy tạm quên ý tưởng làm inverter đi nhé. Bó tay với ông này.
theo đại ca thì người ta tạo ra dc cao áp như thế nào. không phải là nguồn ắc quy >> dc/dc à.
tất nhiên là chẳng ai làm biến áp thường nên mới nói như vậy.
mòi đại ca xem thêm ở đây http://sieuxeviet.com/forum/showthread.php?t=690
đọc kỹ xem người khác nói gì rồi hãng chê bai.
thế theo đại ca thì người ta làm thế nào?thử cho sơ đồ khối cái coi.Last edited by qkhanh; 13-06-2010, 22:54.
Comment
-
chán quá.bạn nói vậy thì nói làm gì.có nguồn AC rồi thì nói làm gìNguyên văn bởi dntiwdi2008 Xem bài viếttai sao ban phai chuyen song tu song vuong sang song sin cho met nhi. Ban cu dung thang song sin cua nguon AC vao cung dc ma
- 1 like
Comment
-
Làm cái này sẽ đối mặt với việc hiệu suất luôn thấp hơn 50 % vì 50% công suất sẽ biến thành nhiệt trên các con tran và với cái kiểu này thu được 1KW thì phải tốn thêm 1K nữa để " hâm nóng" tran và tổng bỏ ra là 2KW để đổi lấy 1KW. Đó là chưa tính các hao phí khác.Nguyên văn bởi dntiwdi2008 Xem bài viếttai sao ban phai chuyen song tu song vuong sang song sin cho met nhi. Ban cu dung thang song sin cua nguon AC vao cung dc ma
Comment
-
à bạn không nói rõ nên mình hiểu nhầm.không thể dùng thẳng sóng sin đó vào khuếch đại được .như bác duong_act đã nói nó gây tổn hao quá lớn.linh kiện công suất cần chịu dòng cao ( tốn tiền) , cánh tản nhiệt khá lớn tuổi thọ không cao.Nguyên văn bởi dntiwdi2008 Xem bài viếttai sao ban phai chuyen song tu song vuong sang song sin cho met nhi. Ban cu dung thang song sin cua nguon AC vao cung dc ma
bác duong_act cho em chút ý kiến với .Em có viết gì sai hay có chỗ nào "lơ mơ" không mong bác chỉ giáo
Comment
Bài viết mới nhất
Collapse
-
bởi mylinhattTrong vận hành thực tế, nhiều xưởng gia công gặp tình trạng máy phay CNC bắt đầu sai kích thước, bề mặt rung nhẹ hoặc phát sinh lỗi thay dao dù chương trình và dao cắt không thay đổi. Phần lớn các vấn đề này không xuất phát từ lập trình mà đến từ việc bảo dưỡng máy chưa được thực hiện đúng và đủ....
-
Channel: Máy công cụ
Hôm qua, 11:27 -
-
bởi ittcHì, em tính đi mua 1 cái máy Khoan và máy Mài (cắt), em đã chính thức gạt thằng BOSCH sang 1 bên vì giá cao hơn Dewalt và Makita, hơn nữa xem Cataloge của nó thì hàng ít model mẫu mã hơn.
Giá Dewalt và Makita thấy ngang ngửa nhau, thôi thì nhu...-
Channel: Điện tử gia dụng
Hôm qua, 07:20 -
-
bởi DaoVanTrongChào Anh Em. Nay em có tạo 1 sơ đồ mạch UPS sau, xin Ae cho ý kiến.
Và nếu biết sản phẩm này nếu có sẵn thì em xin link để mua (nếu giá phù hợp) thì em đỡ phải làm ạ, vì em tìm nhưng không thấy:
╔═══════════════════[ĐIỆN_LƯỚI_220V]════════════════╗...-
Channel: Điện tử sáng tạo
21-12-2025, 23:32 -
-
Trả lời cho Nên mua máy phay CNC cũ, máy mới phổ thông hay máy chất lượng cao? Góc nhìn từ bài toán sản xuất thực tếbởi nguyendinhvanNgày trước, khi KT đang tăng trưởng, một cái máy tự động cũ tầm trung, thì khoảng 5 năm là hoàn vốn. Nhưng hiện tại, mọi việc đều chậm trễ, cạnh tranh, nên theo các xếp tính thì phải hơn 10 năm làm việc ngon lành thì mới hoàn vốn....
-
Channel: Máy công cụ
20-12-2025, 20:23 -
-
Trả lời cho cách làm led Hao Quang.có pro nào biết k nhỉ ???bởi StatusHello! I'm from Kazakhstan. Can anyone share the HEX file with me? The download link in post 50 doesn't work.
-
Channel: Vi điều khiển họ 8051
18-12-2025, 00:05 -
-
bởi mylinhattChào anh em cơ khí,
Trong quá trình tư vấn đầu tư thiết bị cho xưởng, mình gặp rất nhiều câu hỏi kiểu: “Nên mua máy phay CNC cũ để tiết kiệm, chọn máy mới phổ thông cho yên tâm, hay cố gắng lên máy chất lượng cao để làm hàng khó?”. Thực tế, đây không phải câu hỏi chỉ về...-
Channel: Máy công cụ
17-12-2025, 13:38 -
-
Trả lời cho Vấn đề về tốc độ quaybởi nguyendinhvanSử dụng động cơ servor, hoặc lắp thêm một cái encoder vào động cơ bước. Encoder sẽ kiểm soát động cơ có quay hoặc đứng im.
-
Channel: Điện tử truyền hình
14-12-2025, 19:50 -

Comment