Anh em có fw AMANTA-DVD 995A Cho em xin .em xin cám ơn trước
Thông báo
Collapse
No announcement yet.
CODE/ROM TIVI . Tập hợp các vần đề về rom màn hình màu .
Collapse
This is a sticky topic.
X
X
-
tặng bạn dùng thửNguyên văn bởi luu van binh Xem bài viếtxin các bạn trên diễn đàn file đầu VIETSOUND.DVD8588.8202L
SKG.DV826
cám ơn các bạn nhiều.Attached Files
- 1 like
Comment
-
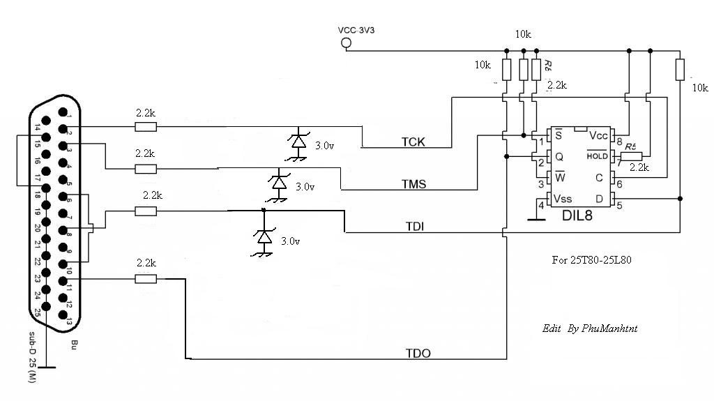
sơ đồ này dề hư cổng máy in lắm mình láp có con IC nó bảo vệ cổng Máy inNguyên văn bởi x_menlg Xem bài viếtĐây là mạch nạp của bạn phumanhtoko
thì hay hơn
Email :
Comment
Bài viết mới nhất
Collapse
-
Trả lời cho Nên mua máy phay CNC cũ, máy mới phổ thông hay máy chất lượng cao? Góc nhìn từ bài toán sản xuất thực tếbởi nguyendinhvanNgày trước, khi KT đang tăng trưởng, một cái máy tự động cũ tầm trung, thì khoảng 5 năm là hoàn vốn. Nhưng hiện tại, mọi việc đều chậm trễ, cạnh tranh, nên theo các xếp tính thì phải hơn 10 năm làm việc ngon lành thì mới hoàn vốn....
-
Channel: Máy công cụ
Hôm qua, 20:23 -
-
Trả lời cho cách làm led Hao Quang.có pro nào biết k nhỉ ???bởi StatusHello! I'm from Kazakhstan. Can anyone share the HEX file with me? The download link in post 50 doesn't work.
-
Channel: Vi điều khiển họ 8051
18-12-2025, 00:05 -
-
bởi mylinhattChào anh em cơ khí,
Trong quá trình tư vấn đầu tư thiết bị cho xưởng, mình gặp rất nhiều câu hỏi kiểu: “Nên mua máy phay CNC cũ để tiết kiệm, chọn máy mới phổ thông cho yên tâm, hay cố gắng lên máy chất lượng cao để làm hàng khó?”. Thực tế, đây không phải câu hỏi chỉ về...-
Channel: Máy công cụ
17-12-2025, 13:38 -
-
Trả lời cho Vấn đề về tốc độ quaybởi nguyendinhvanSử dụng động cơ servor, hoặc lắp thêm một cái encoder vào động cơ bước. Encoder sẽ kiểm soát động cơ có quay hoặc đứng im.
-
Channel: Điện tử truyền hình
14-12-2025, 19:50 -
-
bởi Andrea14Chào mọi người,
Tôi muốn mô phỏng sự thay đổi các mùa bằng cách từ từ nghiêng một quả địa cầu 16 inch bằng một động cơ bước nhỏ. Một động cơ bước khác sẽ quay quả địa cầu theo thời gian thực. Hệ thống truyền động...-
Channel: Điện tử truyền hình
12-12-2025, 12:42 -


Comment