Tôi đang có mấy cái Radio mua về để sưu tầm:
1: Radio Knight KN-130 không có sóng zin nguyên bản chạy bóng điện tử.
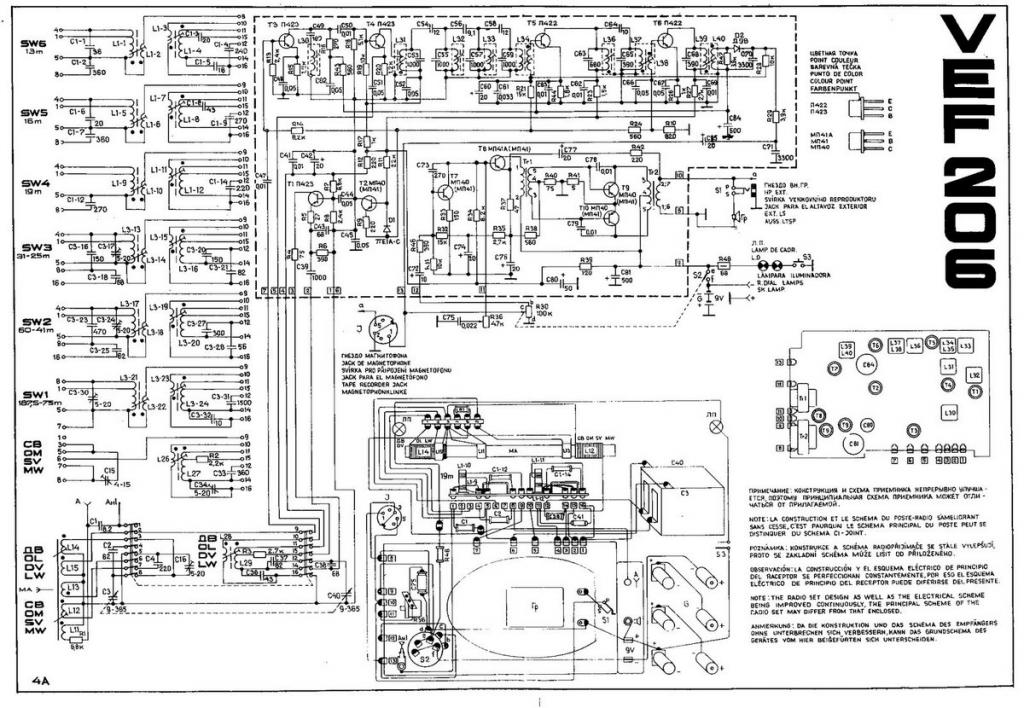
2: Đài VEF 206 Có sóng bắt bình thường... Tiếng nhỏ và Ngắt quãng run run như dao động.
3: Đài National Chạy 6 quả Pin A...... Được Cụ mit tặng gửi từ trong Ninh Thuận ra. Tiếng không có.
Bác nào ở Hải Phòng có thể giúp được xin cho tôi add tôi mang tới làm giúp........ Tôi xin cảm ơn!
1: Radio Knight KN-130 không có sóng zin nguyên bản chạy bóng điện tử.
2: Đài VEF 206 Có sóng bắt bình thường... Tiếng nhỏ và Ngắt quãng run run như dao động.
3: Đài National Chạy 6 quả Pin A...... Được Cụ mit tặng gửi từ trong Ninh Thuận ra. Tiếng không có.
Bác nào ở Hải Phòng có thể giúp được xin cho tôi add tôi mang tới làm giúp........ Tôi xin cảm ơn!

Comment