Thông báo

Collapse
No announcement yet.

BlackMask23 : Thảo luận về làm loa siêu trầm ( Sub )

Collapse
This is a sticky topic.
X
X
 
  • Lọc
  • Giờ
  • Show
Clear All
new posts

  • Nguyên văn bởi phuong.hng Xem bài viết
    Lang thang đi chơi thì gặp cái của nợ này các bác à, mua không cần suy nghĩ về lại chế chơi vì giờ đang rảnh!







    Loa sub 30cm, mạch lọc siêu trầm thì sẽ chế tạo theo kiểu cũ của subJBL
    Nhìn ngon đấy.
    Pác tậu con này nhiu $ vậy?

    Comment


    • Hi mình lấy chỗ anh bạn nên cứ cầm về nghịch trước ùi tính sau bác ah, bạn bè mà.
      Cái tăng âm trên là của Gryphon bác ah, ampli của BA nó vuông thành sắc cạnh hơn không có cánh tỏa nhiệt gồ ghề như vậy
      By three methods we may learn wisdom:
      First, by reflection, which is noblest;
      Second, by imitation, which is easiest;
      and third by experience, which is the bitterest

      Comment


      • Nguyên văn bởi phuong.hng Xem bài viết
        Hi mình lấy chỗ anh bạn nên cứ cầm về nghịch trước ùi tính sau bác ah, bạn bè mà.
        Cái tăng âm trên là của Gryphon bác ah, ampli của BA nó vuông thành sắc cạnh hơn không có cánh tỏa nhiệt gồ ghề như vậy
        Mà con này giống tản Goldmund hơn. nó là của Gryphon nhưng em đang bảo độ hầm nố nó giống mà.hi

        Comment


        • mà con Gryphon của pác này là monoblock 2 trong 1 ah. vì thấy có 2 đường out, balance, công tắc nguồn, ổ cắm nguồn riêng biệt. :P

          Comment


          • Bạn lại nhầm rồi Goldmund kiểu dáng không khoe mẽ đâu, còn AMP này là loại stereo nhưng thiết kế dạng dual mono, mỗi tội chạy chế độ A có 150Watts.
            By three methods we may learn wisdom:
            First, by reflection, which is noblest;
            Second, by imitation, which is easiest;
            and third by experience, which is the bitterest

            Comment


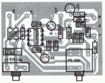
            • Thấy các bác đánh giá cao mạch lọc dùng TL072 mà em ko mua đc con này. Giờ em thay con TL072 bằng con NE5532 thì có ổn ko các bác cho em xin ý kiến với.
              À mà cái mạch dung Tl072 này có chỉnh tần số cắt đc đúng ko các bác, dải tần số có thể chỉnh đc là bao nhiêu vậy
              Attached Files

              Comment


              • Nguyên văn bởi student_dtvt Xem bài viết
                Thấy các bác đánh giá cao mạch lọc dùng TL072 mà em ko mua đc con này. Giờ em thay con TL072 bằng con NE5532 thì có ổn ko các bác cho em xin ý kiến với.
                À mà cái mạch dung Tl072 này có chỉnh tần số cắt đc đúng ko các bác, dải tần số có thể chỉnh đc là bao nhiêu vậy
                Ở hn bác ra 17A Hàn Thuyên hoặc ra Điện Tử Hiền Hiệp ở chợ giời ý. một rổ. :P

                Comment


                • cho mình hỏi chút mình mù tịt điện tử nhưng cũng khoái cái món này. Cái mạch trên chạy nguồn bao nhiêu V , và loa bass loại nào thích hợp hả các bạn. Dùng Sup này để hộ trợ hát gia đình có ổn không? Thank pro 4Rom

                  Comment


                  • có bác nào có mạch in của con TDA 2030 không? cho mình xin cái

                    Comment


                    • Em đang thừa 2 con biến áp 220/25X2 (AC), hai con này em đang định đấu nối tiếp để có đầu ra 50VAC X2, công suất mỗi con là 1500W, nguyên ở cái UPS Upselect 1500LA, các bác cho ý kiến xem liệu có loại sò nào chịu được cỡ nguồn +-70VDC để em tận dụng 2 con này không nhỉ? nếu lắp được thì có một quả sub vô đối : ( mỗi con biến áp nặng cỡ 13KG)!
                      Chán ko buồn ký.

                      Comment


                      • Em có 1 cặp loa này không biết ráp lên SUP có được không các bác cho ý kiến ạ:
                        line nó nè: www.forum.poweraudio.ro • Vezi subiect - Constructie incinta Woofer Mobile Authority , 250 W, 8 Ohm
                        Click image for larger version

Name:	2e2guio.jpg
Views:	1
Size:	44.1 KB
ID:	1354900

                        Comment


                        • Nguyên văn bởi chickvip Xem bài viết
                          Em có 1 cặp loa này không biết ráp lên SUP có được không các bác cho ý kiến ạ:
                          line nó nè: www.forum.poweraudio.ro • Vezi subiect - Constructie incinta Woofer Mobile Authority , 250 W, 8 Ohm
                          [ATTACH=CONFIG]38467[/ATTACH]
                          Con này trông gân, màng có vẻ dày dạn, nhưng thú thực "củ" nam châm hơi nhỏ, theo em cú chọn loa có củ gần to bằng màng loa là làm sub tôt nhất, cũng nên dòm xem cái cuộn coin phải to và nên có lỗ thông hơi ở giữa lõi sắt thì mới tốt.
                          như này này:
                          Click image for larger version

Name:	Mid-Range-Loudspeaker-LM1000-.jpg
Views:	1
Size:	43.0 KB
ID:	1354916
                          Click image for larger version

Name:	Sub_Woofer__Car_Speaker.jpg
Views:	1
Size:	52.3 KB
ID:	1354917
                          Click image for larger version

Name:	65inch-Highimpact-Bass-Speaker-TS632_2.jpg
Views:	1
Size:	93.6 KB
ID:	1354918
                          Last edited by tho hoc viec; 09-01-2012, 22:53.
                          Chán ko buồn ký.

                          Comment


                          • Nguyên văn bởi chickvip Xem bài viết
                            Em có 1 cặp loa này không biết ráp lên SUP có được không các bác cho ý kiến ạ:
                            line nó nè: www.forum.poweraudio.ro • Vezi subiect - Constructie incinta Woofer Mobile Authority , 250 W, 8 Ohm
                            [ATTACH=CONFIG]38467[/ATTACH]
                            Minh ao ước co' 1 cặp như cua ban tu nam 2005 tới giờ

                            Comment


                            • Nguyên văn bởi tho hoc viec Xem bài viết
                              Con này trông gân, màng có vẻ dày dạn, nhưng thú thực "củ" nam châm hơi nhỏ, theo em cú chọn loa có củ gần to bằng màng loa là làm sub tôt nhất, cũng nên dòm xem cái cuộn coin phải to và nên có lỗ thông hơi ở giữa lõi sắt thì mới tốt.
                              như này này:
                              [ATTACH=CONFIG]38495[/ATTACH]
                              [ATTACH=CONFIG]38496[/ATTACH]
                              [ATTACH=CONFIG]38497[/ATTACH]
                              mình cũng muốn có một loa như thế này nhưng ở chỗ mình đâu có bán
                              mình ở hà nam tìm cả thành phố phủ lý hiiiiii (không to lam
                              }}}===(¯`*(¯`v´¯)*´¯)===>
                              Ngu dốt không đáng thẹn bằng thiếu ý chí học hỏi
                              Chưa thử sức thì không bao giờ biết hết năng lực của mình
                              }==={>>0978885615>>>

                              Comment


                              • Được là đằng khác bạn ah, để tái tạo âm tần thấp thì: cuộn dây loa cần có hành trình di chuyển dài trong từ trường mạnh và ổn định(kết hợp với gân loa và thùng loa). Nếu từ trường của nam châm mà không đủ mạnh thì đường sức từ lan tỏa ngắn, khi cuôn dây chạy quá vùng từ trường lý tưởng sẽ xảy ra hiện tượng méo âm. Méo âm còn do màng loa và nhiều thứ khác nhé.....
                                By three methods we may learn wisdom:
                                First, by reflection, which is noblest;
                                Second, by imitation, which is easiest;
                                and third by experience, which is the bitterest

                                Comment

                                Về tác giả

                                Collapse

                                tranhunghq Tìm hiểu thêm về tranhunghq

                                Bài viết mới nhất

                                Collapse

                                Đang tải...
                                X