Thông báo
Collapse
No announcement yet.
Mạch đèn nháy theo nhạc ( VU mete )
Collapse
This is a sticky topic.
X
X
-
em cám ơn bác nhiều. Nhưng bác ơi cái chỗ Bác nói là tụ thật sự là em ko hiểu là loại tụ zì vì thấy Bác đánh dấu ba đầu là số 4, 3 đầu là số 11như zậy thì mình mắc tụ như thế nào và loại tụ zì? và hai điểm em đánh dấu là zì, và cách mắc như thế nào(Bác có thể nói em chậm hiểuNguyên văn bởi vietquan Xem bài viếtđó là tụ điện & cái TMlog là biến trở bn ak còn thêm hiệu ứng thì bn dùng vxl nhé
) nhưng tính em hok hiểu chổ nào là hỏi tới cùng, mong bác giúp đỡ.
Comment
-
To pác Vietquan !
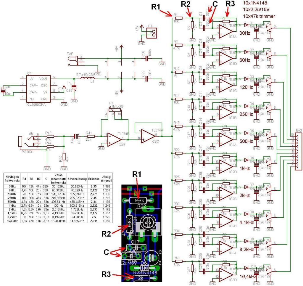
em xem trên diễn đàn thấy pác đã hoàn thiện được vụ led nháy theo nhạc này rùi ! mong pác chỉ giúp tụi em về cách tính giá trị của các R1, R2, R3, và C sao cho được các bộ lọc chất lượng caochỉ có tâm hồn là nơi duy nhất: có thể biến thiên đường thành địa ngục và ngược lại có thể biến địa ngục hóa thiên đường
Everything should be made as simple as possible, but not simpler
Comment
-
to pác vietquan pác làm ơn chỉ giùm em xem trong sơ đồ này giá trị R1,R2, R3 và C1, C2 tính toán như thế nào để có được bộ lọc chất lượng cao. em làm theo của pác trong sơ đồ nhưng mà vấn đề của em là chỉ được một vài tần số đầu thì có sự lựa chọn tốt còn các tần số cao từ 1 K đến 16 K thì nó không đúng. các bộ lọc ở các tần số ấy có sự chồng chéo lên nhau nhiêu lắm . ví dụ ở bộ lọc 1k thì lọc được ở cả tần số 6,5 k nữa...
mong pác chỉ giúp em cách chỉnh sửa hoặc pác có sơ đồ khác chỉ giùm em.
chỉ có tâm hồn là nơi duy nhất: có thể biến thiên đường thành địa ngục và ngược lại có thể biến địa ngục hóa thiên đường
Everything should be made as simple as possible, but not simpler
Comment
-
Tôi cũng làm một cái xong phần mạch lưu đỉnh rồi nhưng ngại hoàn thiện quá . Tôi là mỗi cậy một tần số . Tần số thay đổi bằng tụ . Ví dụ mình muốn cây này tần số 1Khz thì lắp tụ xx . Cây kia tần số 100hz thì lắp tụ yy . Kết hợp các cậy theo thứ tự thì được một bộ Spectrum . Nếu nghèo nghèo vốn thì chỉ chơi hai cây không lắp tụ gì để được toàn dải .Attached FilesChuyên làm các mạch điện tử bí hiểm và kỳ quặc .
nguyendinhvan1968@gmail.com
Mobil : 0903 252 168 Chỉ gọi từ 09 giờ đến 17 giờ . Từ 18 giờ ngoài vùng phủ sóng
Comment
-
mạch này e đã làm chạy r` bác ạ, e có chỉnh sửa lại 1 số đường dây, thằng tác giả nó giấu nghề ý.Nguyên văn bởi nguyendinhvan Xem bài viếtCái mạch này chạy không chuẩn . Khi lắp xong rất khó điều chỉnh chuẩn . Mạch bất ổn định theo nhiệt độ .
Tóm lại không sài được .
Ai phán đối thì chuẩn bị chồng xiền ra tôi thanh lý cho 2 bộ PCB y chang thế này .
Comment
-
Nguyên văn bởi daohuytien Xem bài viếtto pác vietquan pác làm ơn chỉ giùm em xem trong sơ đồ này giá trị R1,R2, R3 và C1, C2 tính toán như thế nào để có được bộ lọc chất lượng cao. em làm theo của pác trong sơ đồ nhưng mà vấn đề của em là chỉ được một vài tần số đầu thì có sự lựa chọn tốt còn các tần số cao từ 1 K đến 16 K thì nó không đúng. các bộ lọc ở các tần số ấy có sự chồng chéo lên nhau nhiêu lắm . ví dụ ở bộ lọc 1k thì lọc được ở cả tần số 6,5 k nữa...
mong pác chỉ giúp em cách chỉnh sửa hoặc pác có sơ đồ khác chỉ giùm em.
[ATTACH=CONFIG]44870[/ATTACH]
công thức nè, nhưng làm = số không đc 9 xác lém, với lại mạch này e đã từng làm: f=0.636x10^-6/C Hz (C là điện dung của tụ, đơn vị Fara)
lúc trc e chọn R1 = R2 = 120K, R3 = 960K ~ 1M! còn C1 = C2 = công thức trên, r` suy ra! do dân trung cấp chỉ bik có nhiu đó, có j` sai sót mong các bác bỏ wa cho e!Last edited by nguyenhatung; 17-05-2012, 20:05.
Comment
-
ông nói thằng tác giả akNguyên văn bởi nguyenhatung Xem bài viếtmạch này e đã làm chạy r` bác ạ, e có chỉnh sửa lại 1 số đường dây, thằng tác giả nó giấu nghề ý.
tôi cũng làm như nó mà có sao đâu.ông sang nước nga mà chửi nó
)
01689961326
Comment
-
bác share cho mọi người cùng em cái mạch được không bác ! em kết quá ! thaks bác !Nguyên văn bởi hadaica_pro Xem bài viết
Comment
-
thôi mà pác vietquan em thấy trên sơ đồ đó cũng có những chỗ đấu dây như thế thì chưa ổn lắm, lên em cũng tìm hiểu ra được và chỉnh sửa 1 tí là ngon rùi, pác search được tài liệu up lên cho anh em tham khảo thế là quý rồi, cảm ơn pác nhé ! một số thông tin thêm về cái này ( MFB ) bộ lọc thông đa hồi tiếp này có ở trong web mời anh em tham khảo để hiểu thêm nữa :Multiple Feedback Bandpass Filter
mời anh em tham khảo !chỉ có tâm hồn là nơi duy nhất: có thể biến thiên đường thành địa ngục và ngược lại có thể biến địa ngục hóa thiên đường
Everything should be made as simple as possible, but not simpler
Comment
-
cái này của anh em có vẻ chất lượng không tốt cho lắm bởi nó còn có tham số nữa là phẩm chất Q của mạch. mình nghĩ để tìm hiểu sâu về cái này còn phải biết về quãng tám ( là 1 quãng tám , 1/2 quãng tám hay 1/3 quãng tám nữa), phẩm chất chọn lọc của mạch Q, băng thông.Nguyên văn bởi nguyenhatung Xem bài viếtcông thức nè, nhưng làm = số không đc 9 xác lém, với lại mạch này e đã từng làm: f=0.636x10^-6/C Hz (C là điện dung của tụ, đơn vị Fara)
lúc trc e chọn R1 = R2 = 120K, R3 = 960K ~ 1M! còn C1 = C2 = công thức trên, r` suy ra! do dân trung cấp chỉ bik có nhiu đó, có j` sai sót mong các bác bỏ wa cho e!chỉ có tâm hồn là nơi duy nhất: có thể biến thiên đường thành địa ngục và ngược lại có thể biến địa ngục hóa thiên đường
Everything should be made as simple as possible, but not simpler
Comment
Bài viết mới nhất
Collapse
-
bởi mylinhattTrong vận hành thực tế, nhiều xưởng gia công gặp tình trạng máy phay CNC bắt đầu sai kích thước, bề mặt rung nhẹ hoặc phát sinh lỗi thay dao dù chương trình và dao cắt không thay đổi. Phần lớn các vấn đề này không xuất phát từ lập trình mà đến từ việc bảo dưỡng máy chưa được thực hiện đúng và đủ....
-
Channel: Máy công cụ
hôm nay, 11:27 -
-
bởi ittcHì, em tính đi mua 1 cái máy Khoan và máy Mài (cắt), em đã chính thức gạt thằng BOSCH sang 1 bên vì giá cao hơn Dewalt và Makita, hơn nữa xem Cataloge của nó thì hàng ít model mẫu mã hơn.
Giá Dewalt và Makita thấy ngang ngửa nhau, thôi thì nhu...-
Channel: Điện tử gia dụng
hôm nay, 07:20 -
-
bởi DaoVanTrongChào Anh Em. Nay em có tạo 1 sơ đồ mạch UPS sau, xin Ae cho ý kiến.
Và nếu biết sản phẩm này nếu có sẵn thì em xin link để mua (nếu giá phù hợp) thì em đỡ phải làm ạ, vì em tìm nhưng không thấy:
╔═══════════════════[ĐIỆN_LƯỚI_220V]════════════════╗...-
Channel: Điện tử sáng tạo
Hôm qua, 23:32 -
-
Trả lời cho Nên mua máy phay CNC cũ, máy mới phổ thông hay máy chất lượng cao? Góc nhìn từ bài toán sản xuất thực tếbởi nguyendinhvanNgày trước, khi KT đang tăng trưởng, một cái máy tự động cũ tầm trung, thì khoảng 5 năm là hoàn vốn. Nhưng hiện tại, mọi việc đều chậm trễ, cạnh tranh, nên theo các xếp tính thì phải hơn 10 năm làm việc ngon lành thì mới hoàn vốn....
-
Channel: Máy công cụ
20-12-2025, 20:23 -
-
Trả lời cho cách làm led Hao Quang.có pro nào biết k nhỉ ???bởi StatusHello! I'm from Kazakhstan. Can anyone share the HEX file with me? The download link in post 50 doesn't work.
-
Channel: Vi điều khiển họ 8051
18-12-2025, 00:05 -
-
bởi mylinhattChào anh em cơ khí,
Trong quá trình tư vấn đầu tư thiết bị cho xưởng, mình gặp rất nhiều câu hỏi kiểu: “Nên mua máy phay CNC cũ để tiết kiệm, chọn máy mới phổ thông cho yên tâm, hay cố gắng lên máy chất lượng cao để làm hàng khó?”. Thực tế, đây không phải câu hỏi chỉ về...-
Channel: Máy công cụ
17-12-2025, 13:38 -
-
Trả lời cho Vấn đề về tốc độ quaybởi nguyendinhvanSử dụng động cơ servor, hoặc lắp thêm một cái encoder vào động cơ bước. Encoder sẽ kiểm soát động cơ có quay hoặc đứng im.
-
Channel: Điện tử truyền hình
14-12-2025, 19:50 -


Comment