Thông báo

Collapse
No announcement yet.

chia sẻ phần mềm rết pin laptop

Collapse
X
 
  • Lọc
  • Giờ
  • Show
Clear All
new posts

  • chia sẻ phần mềm rết pin laptop

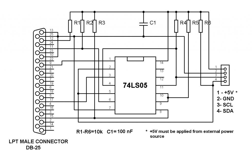
    mình có phần mền và mạch reset pin laptop, muốn chia sẻ cho các bạn
    Attached Files
    kỹ sư cơ khí thích học hỏi điện tử

  • #2
    demo hả bác_có final ko?keke


    Add: 97 Quán Nam - Lê Chân - Hải Phòng.
    Tel: 031 518648 Phone: 0904 283 505

    Comment


    • #3
      cái này hay nhỉ nhưng mà có sài được không vậy

      Comment


      • #4
        Nguyên văn bởi hieulax Xem bài viết
        cái này hay nhỉ nhưng mà có sài được không vậy
        cái này chưa tét cho tất cả các dòng pin , các bác tì chân đúng và chạy ct
        kỹ sư cơ khí thích học hỏi điện tử

        Comment


        • #5
          Sao mà chữ DEMO nó to đùng ngay cái file ZIP thế,. hehe.
          Mà hình như nghe mấy bác làm PIN nói giờ PIN mấy mode sau này hết có dùng Soft thường thường reset đuợc rồi. Chỉ còn thay CELL nếu hên hên con chip nó còn chạy thì chạy thôi nhưng không được bền lâu như lúc Reset chip+thay cell.

          mà giờ tính ra thay cell cũng mắc quá mà khi thay rồi mình cũng có biết cell đó người ta thay vô tốt hay xấu nên theo mình mua luôn pin mới của TQ cho nó lành.

          Comment


          • #6
            mình đọc kỹ rồi nhưng vẫn ko hiểu để làm gì
            theo mình biết thì cách dùng pin( lap,ppc..) để bền thì xả pin( dùng cạn) nghĩa là nó reset phải ko nhỉ?

            Comment


            • #7
              Reset pin có nghĩa là làm sao cho cái mạch đếm số lần nạp / xả của gói pin đó trả về 0 ạ. Một số pin laptop khi dùng được một số lần nạp/ xả nhất định thì mạch báo cho máy tính biết là pin hết đát rồi, thay đi.
              Ác hơn nữa là nó không nhận hết dung lượng pin (giới hạn áp pin).
              Reset + thay cell mới ta lại có 1 củ pin mới

              Comment


              • #8
                các bạn dùng cái này nên cẩn thận kẻo nó xóa sạch chương trình trong rom đấy, rồi máy còn không nhận ra cả hãng sản xuất cái quả pin đấy nưa đâu, tốt nhất trước khi nhấn nút reset các bạn nên đọc chương trình trong rom ra trước đề phòng reset không thành công thì còn có chương trình mà nạp lại
                Last edited by empires; 30-03-2010, 17:23.

                Comment


                • #9
                  hay quá.mình đã làm thử rùi.cũng hay đấy
                  Sửa chữa biến tần, servo, plc, sửa hệ thống máy cnc Fanuc, Mitsubishi...

                  Comment


                  • #10
                    Bác truongquang ơi em đã ráp mạch 7405 xong và cài phần mềm SBW_DEMO nhưng em không biết có cài đặt gì cho bỏad 7405 khônng . Em thử reset cho pin toshiba mà pm báo adapter not fout là thiếu gì hả bác trân trọng cảm ơn bác

                    Comment

                    Về tác giả

                    Collapse

                    truongquang Tìm hiểu thêm về truongquang

                    Bài viết mới nhất

                    Collapse

                    Đang tải...
                    X