Thông báo

Collapse
No announcement yet.

tắt mở đèn ngủ bằng ánh sáng

Collapse
X
 
  • Lọc
  • Giờ
  • Show
Clear All
new posts

  • tắt mở đèn ngủ bằng ánh sáng

    ý mình là dùng SCR và quang trở, chì 2 thiết bị này thôi(càng nhỏ càng tốt, để bỏ vào cái phích cắm cho tiện) mình từng thấy có người làm rồi, chạy dc tốt, nhưng tìm mấy ngày trời trên google và dien đàn đều dùng rơ le rất phúc tạp, có ai biết cách làm cái này thì cho mình cái sơ đồ
    SCR 3p6m và quang trở!
    trời ơi, thank lắm! nếu dc mình xin hậu tạ!
    TamPhieuLuuKy@yahoo.com
    092 2838 712 --->>

  • #2
    Nguyên văn bởi superhieu1 Xem bài viết
    ý mình là dùng SCR và quang trở, chì 2 thiết bị này thôi(càng nhỏ càng tốt, để bỏ vào cái phích cắm cho tiện) mình từng thấy có người làm rồi, chạy dc tốt, nhưng tìm mấy ngày trời trên google và dien đàn đều dùng rơ le rất phúc tạp, có ai biết cách làm cái này thì cho mình cái sơ đồ
    SCR 3p6m và quang trở!
    trời ơi, thank lắm! nếu dc mình xin hậu tạ!
    Cái này tắt mở kiểu gì giả sử bật được đèn rồi thì tắt đèn thế nào.... Còn bạn ngay như SCR là gì, chân như thế nào còn chưa biết vậy làm mạch này liệu có làm được không????

    Comment


    • #3
      Nguyên văn bởi nguyenha7940 Xem bài viết
      Cái này tắt mở kiểu gì giả sử bật được đèn rồi thì tắt đèn thế nào.... Còn bạn ngay như SCR là gì, chân như thế nào còn chưa biết vậy làm mạch này liệu có làm được không????
      vì điện xoay chieu nên ở nữa chu kỳ kia SCR tự tắt, nhưng mình ko biết cách câu như thế nào để khi có ành sáng là đén tắt, hết ành sáng là đèn bật!
      TamPhieuLuuKy@yahoo.com
      092 2838 712 --->>

      Comment


      • #4
        cái đèn này cũng hay đấy bạn làm đi hễ thành công thì post lên cho mọi người cùng xem nhé.

        Comment


        • #5
          Nguyên văn bởi superhieu1 Xem bài viết
          ý mình là dùng SCR và quang trở, chì 2 thiết bị này thôi(càng nhỏ càng tốt, để bỏ vào cái phích cắm cho tiện) mình từng thấy có người làm rồi, chạy dc tốt, nhưng tìm mấy ngày trời trên google và dien đàn đều dùng rơ le rất phúc tạp, có ai biết cách làm cái này thì cho mình cái sơ đồ
          SCR 3p6m và quang trở!
          trời ơi, thank lắm! nếu dc mình xin hậu tạ!
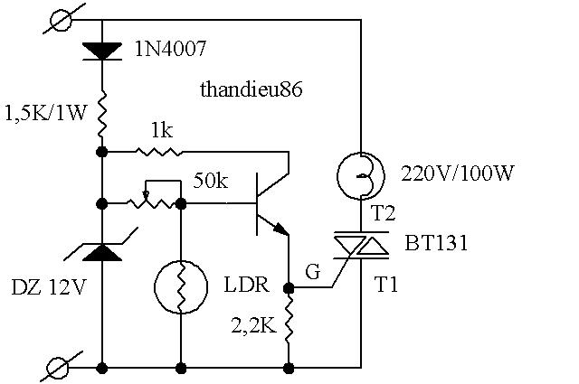
          -không phải dùng SCR đâu. SCR là thyristor chỉ hoạt động ở nửa chu kì. Nếu bạn dùng thyristor thì bóng đền của bạn chỉ đạt 50% công suất thôi, không sáng hết cỡ được
          - Với mạch xoay chiều thì phải dùng triac
          - Với yêu cầu của bạn chỉ cần 1 triac +quang trở vài linh kiện là có thể làm được( lưu ý là chỉ hoạt động với đèn sợi đốt thôi đấy.
          - Các linh kiện cần dùng (trong sơ đồ)
          Attached Files

          Comment


          • #6
            Nguyên văn bởi thandieu86 Xem bài viết
            -không phải dùng SCR đâu. SCR là thyristor chỉ hoạt động ở nửa chu kì. Nếu bạn dùng thyristor thì bóng đền của bạn chỉ đạt 50% công suất thôi, không sáng hết cỡ được
            - Với mạch xoay chiều thì phải dùng triac
            - Với yêu cầu của bạn chỉ cần 1 triac +quang trở vài linh kiện là có thể làm được( lưu ý là chỉ hoạt động với đèn sợi đốt thôi đấy.
            - Các linh kiện cần dùng (trong sơ đồ)
            Anh dùng Triac mà mạch kích lại chỉnh lưu 1/2 chu kỳ thì đâu có khác gì SCR?

            Nhóc thích nghịch điện,
            Nhóc thích xì păm,
            Nhóc thích trêu mấy anh.
            Hi hi.

            Comment


            • #7
              Nguyên văn bởi cô nhóc Xem bài viết
              Anh dùng Triac mà mạch kích lại chỉnh lưu 1/2 chu kỳ thì đâu có khác gì SCR?

              Chuẩn! bổ xung thêm 1 cái tụ lọc nguồn 1000uF/16V song song với diot ổn áp là đc. không cần fai chỉnh lưu 2 nửa chu kì đâu.

              Comment


              • #8
                lắm chuyện quá có thích thì làm với bóng led cho rẻ mà cũng không tốn điện hơn nữa chạy điện 12v để cò có thể lắp với điệ mặt tròi cho dễ. xu hướng tiết kiệm mà
                Mãi mãi vì điện tử

                Comment


                • #9
                  Chủ đề này thấy cũng hơn 2 năm rùi, xới lên tí, vì giờ mới mò tới con quang trở này. Thấy nó cũng hay hay...
                  Mạch dùng nguồn 220v (điện lưới lun cho khỏe) vì lúc đầu mình thử nghiệm chỉ có cái bóng trái ớt dùng điện 220v và đã thành công với mạch chỉ gồm 1 Diac + 1 Triac + 1Quang trở + 1 tụ + 2 trở thường + 1 biến trở.
                  Như mạch trên chỉ cần thay bộ kích transistor bằng con diac, lấy sụt áp trên con quang trở là được.
                  Mạch thì chưa bít cách post, đang tìm cách...

                  Comment


                  • #10
                    Anh thandieu86 koi lai giup em con tro 1.5k/1w voi! no nong wa ak! sau mot hoi thi boc khoi thui! neu ma dung ca dem thi cai mach die thui! co cach nao khac phuc hok ta. thanks!

                    Comment

                    Về tác giả

                    Collapse

                    superhieu1 Tìm hiểu thêm về superhieu1

                    Bài viết mới nhất

                    Collapse

                    Đang tải...
                    X