Thật sự quá mơ hồ.
Cách quấn thì có 2 loại đó là loại quấn lõi không khí và lõi Ferrit.
Lõi không khí thì chủ yếu thấy quấn theo dạng tròn áp dụng công thức sơ bộ là
http://upload.wikimedia.org/wikipedi...cc92ec2b17.png
Lõi Ferrit thì có 2 loại là dạng tròn và dạng hình vuông.
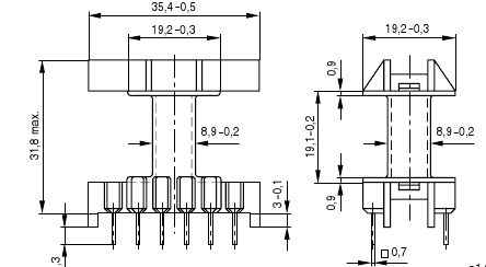
Về cơ bản mấy cái cục bán ngoài chợ thì thường chỉ có loại hình vuông dạng chứ EI ghép lại
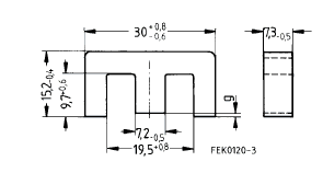
Đây là loại E30/15/7


Em làm mạch điều khiển độ sáng đèn huỳnh quang dùng chương trình Ballasts Designer V4 để thiết kế con IC IRS2530D Nguồn vào 186-260vac cho ống T8/40w mục Config chọn Single Lamp/Voltage Mode heating
Thì ra cái cuộn dây dùng E30/15/7 số vòng quấn cho LRES là 206 vòng, đường kính dây loại 0.3mm thì ra được hệ số L=1.5mH. Nếu điều chỉnh sang E32 thì vòng quấn còn 196 vòng.
Còn đi mua ngoài chợ Nhật tảo thì nó nói có dạng E28 hoặc E33, không có E30 với E32 mới đau.
đây là công thức search trên wikimedia với lõi là hình vuông dạng cắt ngang
http://upload.wikimedia.org/wikipedi...7f556ac936.png
Với d2 là đường kính ngoài, còn d1 là đường kính trong của cuộn dây. thử tính cũng không thể nào ra được.
Ai biết cách tính thì có thể giúp mình được không?
hay công thức trên là sai
Nếu công thức tính là như các anh chị tính thì tính theo lớp vỏ có lớp nhựa bao quanh luôn như zầy

hay là chỉ tính cái dựa trên kích thước của cái lõi EI đó

Tại em đang làm đồ án tốt nghiệp, chuẩn bị nộp rùi mà quấn cái dây này chưa được nữa nên chưa vẽ được mạch với lại em dùng remote tivi để điều khiển nó nữa nên sợ bị nhiễu thì mình làm thế nào bây giờ.
Thanks tất cả
thân ái
Cách quấn thì có 2 loại đó là loại quấn lõi không khí và lõi Ferrit.
Lõi không khí thì chủ yếu thấy quấn theo dạng tròn áp dụng công thức sơ bộ là
http://upload.wikimedia.org/wikipedi...cc92ec2b17.png
Lõi Ferrit thì có 2 loại là dạng tròn và dạng hình vuông.
Về cơ bản mấy cái cục bán ngoài chợ thì thường chỉ có loại hình vuông dạng chứ EI ghép lại
Đây là loại E30/15/7
Em làm mạch điều khiển độ sáng đèn huỳnh quang dùng chương trình Ballasts Designer V4 để thiết kế con IC IRS2530D Nguồn vào 186-260vac cho ống T8/40w mục Config chọn Single Lamp/Voltage Mode heating
Thì ra cái cuộn dây dùng E30/15/7 số vòng quấn cho LRES là 206 vòng, đường kính dây loại 0.3mm thì ra được hệ số L=1.5mH. Nếu điều chỉnh sang E32 thì vòng quấn còn 196 vòng.
Còn đi mua ngoài chợ Nhật tảo thì nó nói có dạng E28 hoặc E33, không có E30 với E32 mới đau.
đây là công thức search trên wikimedia với lõi là hình vuông dạng cắt ngang
http://upload.wikimedia.org/wikipedi...7f556ac936.png
Với d2 là đường kính ngoài, còn d1 là đường kính trong của cuộn dây. thử tính cũng không thể nào ra được.
Ai biết cách tính thì có thể giúp mình được không?
hay công thức trên là sai
Nếu công thức tính là như các anh chị tính thì tính theo lớp vỏ có lớp nhựa bao quanh luôn như zầy
hay là chỉ tính cái dựa trên kích thước của cái lõi EI đó
Tại em đang làm đồ án tốt nghiệp, chuẩn bị nộp rùi mà quấn cái dây này chưa được nữa nên chưa vẽ được mạch với lại em dùng remote tivi để điều khiển nó nữa nên sợ bị nhiễu thì mình làm thế nào bây giờ.
Thanks tất cả
thân ái

Comment