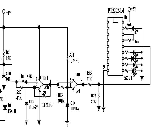
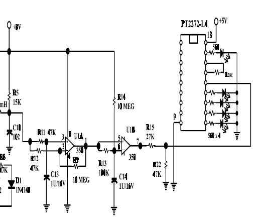
các anh cho em hỏi chút,em lắp mạch điều khiển từ xa bằng RF dùng pt2262/2272,modul rf 49mhz,hoạt động tốt nhưng khi lắp vào mạch thì 2272 không thấy phản ứng gì cả,ngoài phần RF ra thì em lắp mạch như trong datasheet của cặp này,trở dao động em dùng 2,2M cho 62,20k cho 72,cắm phần đầu vào của mạch loa vào phần data out của lm358 thì thấy chuỗi kêu pip pip pip dài chứng tỏ mạch thu và phát hoạt động tốt,phần so sánh cũng vậy,không biết em làm sai chỗ nào nữa
Thông báo
Collapse
No announcement yet.
hỏi về pt2262/2272
Collapse
X
-
Bạn sai ở phần Rosc của 2272. Với rosc của con 62 là 2,2m thì rosc của con 72 phải là 390k. Bạn để 20k là quá thấp. Bạn tìm trong datasheet có bảng chọn Rosc cho 62 và 72 tùy vào điện áp nguồn đấy.nêuy không biết nữa thì thay vào đấy 1 biến trở chỉnh khi nào nhận được lệnh thì đo giá trị biến trở là được.Thất nghiệp :(
-
Cơ bản là nguồn bao nhiêu ???Nguyên văn bởi thinking Xem bài viếtem đã thử thay Rosc là 2M vào 62 và 470k vào 72 giống như trong trang queduong.tk mà vẫn không được,thử dùng cặp ic khác cũng thế,các anh giúp em với
Bên phát 9 -12V dùng trở 2M - 2,2M bên thu 5V dùng trở 390K - 470K
Bên phát 9-12V dùng trở 4,7M bên thu 5V dùng 820KModule RF chuyên dụng điều khiển, truyền dữ liệu, thiết kế đề tài, dự án điện tử - chuyển giao công nghệ... ĐT: 0904964977 - email: dientuqueduong@yahoo.com
Comment
-
em lắp như sơ đồ nhưng dùng nguồn 5v của máy tính thì nó không thu được mặc dù em đã dùng modul phát bán sẵn ngoài chợ trở dao dông của nó la 4M7.mà cứ 1 lúc sau là con 2272 nó nóng lên không biết có phải nó bị quá dòng không? ai biết chỉ giúp em với.Nguyên văn bởi queduong Xem bài viếtCơ bản là nguồn bao nhiêu ???
Bên phát 9 -12V dùng trở 2M - 2,2M bên thu 5V dùng trở 390K - 470K
Bên phát 9-12V dùng trở 4,7M bên thu 5V dùng 820KNever forget who you are!
Comment
-
Bình thường con 72 chạy mát lắm ... chỉ có con 62 nếu cấp >12V có thể nóng ... Nhưng tóm lại nóng là không tốt rồi ( hoặc có sự cố , hoặc chưa có nhưng rồi sẽ nhanh toi )Nguyên văn bởi nhquangdt3k5 Xem bài viếtem lắp như sơ đồ nhưng dùng nguồn 5v của máy tính thì nó không thu được mặc dù em đã dùng modul phát bán sẵn ngoài chợ trở dao dông của nó la 4M7.mà cứ 1 lúc sau là con 2272 nó nóng lên không biết có phải nó bị quá dòng không? ai biết chỉ giúp em với.
Module RF chuyên dụng điều khiển, truyền dữ liệu, thiết kế đề tài, dự án điện tử - chuyển giao công nghệ... ĐT: 0904964977 - email: dientuqueduong@yahoo.com
Comment
-
thế cái mạch phát của bác thì tần số phát 315MHz là do con tran ở ngoài dao động tạo ra đúng không ạ? thế cho em hỏi cách tính tần số như thế nào? em tính F= 1/(2*Pi*căn LC) mà nó không ra 315MHz em định làm mạch phát sóng tần số 6.5MHz dùng khối dao động như của bác nhưng em không hiểu cách tính tần số trên mạch này của bác :http://www.flickr.com/photos/32704778@N08/5157580933#/ con L1 có tác dụng gì? nó có ảnh hưởng gì đến tần số không? em tưởng chỉ có con L2 và tụ 6p tạo dao động thôi chứ? bác chỉ giúp em với.( em mới học năm đầu chưa được học về điện tử nên có gì bác thông cảm cho)Nguyên văn bởi queduong Xem bài viếtBình thường con 72 chạy mát lắm ... chỉ có con 62 nếu cấp >12V có thể nóng ... Nhưng tóm lại nóng là không tốt rồi ( hoặc có sự cố , hoặc chưa có nhưng rồi sẽ nhanh toi )
Last edited by nhquangdt3k5; 22-01-2011, 23:20.Never forget who you are!
Comment
-
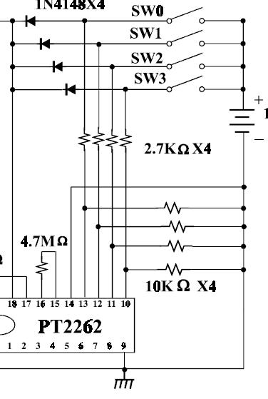
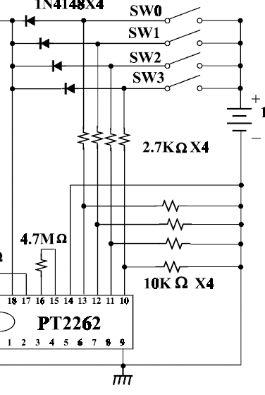
Muốn tín hiệu ngỏ ra không giử (Tạm thời) thì sử dụng PT2272-M4
PT2272-AB (A=Data output type, B=Data Bits)
A=L=Latch type: Loại chốt
A=M=Momentary type: Loại tạm thời
B=4: 4 Bits.Thien Minh Electronic Solutions Co,ltd
226 Tan Phuoc, Ward 6, District 10, HCM City
Website:
Comment
-
Nguyên văn bởi hoasua_2005 Xem bài viếtcác bác cho em hỏi, em muốn thay đổi tần số thu phát thì phải thay đổi linh kiện gì ?
bó tay toàn tập. có thể hay đổi điện trở cũng ảnh hưởng tới tần số thu phát , thay đổi điện áp nguồn cũng ảnh hưởng đến tần số thu phát ... thay đổi C, L cũng làm ảnh hưởng đến tần số thu phát . Trong mạch LC thì L, C có giá trị quyết định phần lớn , có ảnh hưởng lớn đến tần số thu phát ... nên thay đổi L,C thôi là có thể thay đổi !Module RF chuyên dụng điều khiển, truyền dữ liệu, thiết kế đề tài, dự án điện tử - chuyển giao công nghệ... ĐT: 0904964977 - email: dientuqueduong@yahoo.com
Comment
-
bác mua ở chợ trời ak sao e hỏi có thấy bán đâu bác mua chỗ nào vậy chỉ e với cái modul bán sẵn ýNguyên văn bởi nhquangdt3k5 Xem bài viếtem lắp như sơ đồ nhưng dùng nguồn 5v của máy tính thì nó không thu được mặc dù em đã dùng modul phát bán sẵn ngoài chợ trở dao dông của nó la 4M7.mà cứ 1 lúc sau là con 2272 nó nóng lên không biết có phải nó bị quá dòng không? ai biết chỉ giúp em với.
Email:
Gmail:
Comment
Bài viết mới nhất
Collapse
-
bởi mylinhattTrong vận hành thực tế, nhiều xưởng gia công gặp tình trạng máy phay CNC bắt đầu sai kích thước, bề mặt rung nhẹ hoặc phát sinh lỗi thay dao dù chương trình và dao cắt không thay đổi. Phần lớn các vấn đề này không xuất phát từ lập trình mà đến từ việc bảo dưỡng máy chưa được thực hiện đúng và đủ....
-
Channel: Máy công cụ
Hôm qua, 11:27 -
-
bởi ittcHì, em tính đi mua 1 cái máy Khoan và máy Mài (cắt), em đã chính thức gạt thằng BOSCH sang 1 bên vì giá cao hơn Dewalt và Makita, hơn nữa xem Cataloge của nó thì hàng ít model mẫu mã hơn.
Giá Dewalt và Makita thấy ngang ngửa nhau, thôi thì nhu...-
Channel: Điện tử gia dụng
Hôm qua, 07:20 -
-
bởi DaoVanTrongChào Anh Em. Nay em có tạo 1 sơ đồ mạch UPS sau, xin Ae cho ý kiến.
Và nếu biết sản phẩm này nếu có sẵn thì em xin link để mua (nếu giá phù hợp) thì em đỡ phải làm ạ, vì em tìm nhưng không thấy:
╔═══════════════════[ĐIỆN_LƯỚI_220V]════════════════╗...-
Channel: Điện tử sáng tạo
21-12-2025, 23:32 -
-
Trả lời cho Nên mua máy phay CNC cũ, máy mới phổ thông hay máy chất lượng cao? Góc nhìn từ bài toán sản xuất thực tếbởi nguyendinhvanNgày trước, khi KT đang tăng trưởng, một cái máy tự động cũ tầm trung, thì khoảng 5 năm là hoàn vốn. Nhưng hiện tại, mọi việc đều chậm trễ, cạnh tranh, nên theo các xếp tính thì phải hơn 10 năm làm việc ngon lành thì mới hoàn vốn....
-
Channel: Máy công cụ
20-12-2025, 20:23 -
-
Trả lời cho cách làm led Hao Quang.có pro nào biết k nhỉ ???bởi StatusHello! I'm from Kazakhstan. Can anyone share the HEX file with me? The download link in post 50 doesn't work.
-
Channel: Vi điều khiển họ 8051
18-12-2025, 00:05 -
-
bởi mylinhattChào anh em cơ khí,
Trong quá trình tư vấn đầu tư thiết bị cho xưởng, mình gặp rất nhiều câu hỏi kiểu: “Nên mua máy phay CNC cũ để tiết kiệm, chọn máy mới phổ thông cho yên tâm, hay cố gắng lên máy chất lượng cao để làm hàng khó?”. Thực tế, đây không phải câu hỏi chỉ về...-
Channel: Máy công cụ
17-12-2025, 13:38 -
-
Trả lời cho Vấn đề về tốc độ quaybởi nguyendinhvanSử dụng động cơ servor, hoặc lắp thêm một cái encoder vào động cơ bước. Encoder sẽ kiểm soát động cơ có quay hoặc đứng im.
-
Channel: Điện tử truyền hình
14-12-2025, 19:50 -

Comment