mình đang cần làm 1 mạch amply dùng pin cỡ 3.6v->9v , các bác nào có mạch thì xin chỉ giúp , cần mạch stereo , có nút volume, 2 loa. xin cho sơ đồ chi tiết . mình là người mới . thanks
Thông báo
Collapse
No announcement yet.
làm mạch amply dùng pin
Collapse
X
-
-
cái này chỉ cần lắp thêm 1 em volume vao là êm. Dùng 1 quả pin di động + 2em loa diện thoại tàu (20k 1 đôi giá ngoài chợ trời), lắp xong rồi dặt ra giữa nhà mở lên dập cho hàng xóm cùng nghe. Chúc bạn thành côngNguyên văn bởi henryhung241 Xem bài viếtmình đang cần làm 1 mạch amply dùng pin cỡ 3.6v->9v , các bác nào có mạch thì xin chỉ giúp , cần mạch stereo , có nút volume, 2 loa. xin cho sơ đồ chi tiết . mình là người mới . thanks
toandt: 0988846132
Comment
-
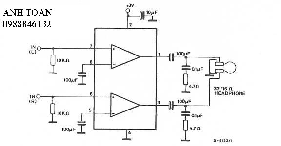
Sory nhé! Cái mach đó dùng em IC TDA2822Nguyên văn bởi vandat07 Xem bài viếtCác bác cho mạch mà không ghi rõ là linh kiện gì thì ai mà hiểu. Đề nghị Bác toandt đính chính mạch hoặc bác nào đó cũng được.
Thank!
toandt: 0988846132
Comment
-
Đây là kết quả của mình, modul loa ngoài + Led nháy theo nhac, hôm nay up lên các bác cho em y kiếnNguyên văn bởi manhhungplei Xem bài viết
toandt: 0988846132
Comment
-
mạch này mình làm rồi, mạch của mình dùng IC TEA 2025B, nghe rất ngon, cho thêm tần chỉnh bas/tres của bác minhdt vào nữa là OK luôn đó, mình không biết úp hình lên nhưng enu61 cần thì mail cho mình: chuyentinh_hoathuytinh2002@yahoo.com, bạn cứ lắp y như daatasheet nhưng phải chỉnh lại 1 tí là tốt thôi, mình mạch tone để làm mạch chỉnh âm sắc, không cần bas/tress. nếu bạn cần thì mình send cho. mạch dùng nguồn từ 3 --> 15 V. có gì thì liên lạc nha
Comment
-
Nói chung là không nên làm mạch dùng pin. Dùng pin công suất nhỏ, mà công suất nhỏ thì điều đương nhiên là âm thanh có chất lượng không hay do các âm trầm và siêu trầm bị suy giảm mạnh. Cùng 1 công hãy làm mạch loa công suất cao lên chút dùng biến áp.
Mạch công suất cao khi chạy tiếng trầm rất mạnh nghe rất thích còn cái mạch pin nghe tiếng bass toàn thấy " phạch, phạch " chán lắm.
Comment
Bài viết mới nhất
Collapse
-
Trả lời cho Nên mua máy phay CNC cũ, máy mới phổ thông hay máy chất lượng cao? Góc nhìn từ bài toán sản xuất thực tếbởi nguyendinhvanNgày trước, khi KT đang tăng trưởng, một cái máy tự động cũ tầm trung, thì khoảng 5 năm là hoàn vốn. Nhưng hiện tại, mọi việc đều chậm trễ, cạnh tranh, nên theo các xếp tính thì phải hơn 10 năm làm việc ngon lành thì mới hoàn vốn....
-
Channel: Máy công cụ
Hôm qua, 20:23 -
-
Trả lời cho cách làm led Hao Quang.có pro nào biết k nhỉ ???bởi StatusHello! I'm from Kazakhstan. Can anyone share the HEX file with me? The download link in post 50 doesn't work.
-
Channel: Vi điều khiển họ 8051
18-12-2025, 00:05 -
-
bởi mylinhattChào anh em cơ khí,
Trong quá trình tư vấn đầu tư thiết bị cho xưởng, mình gặp rất nhiều câu hỏi kiểu: “Nên mua máy phay CNC cũ để tiết kiệm, chọn máy mới phổ thông cho yên tâm, hay cố gắng lên máy chất lượng cao để làm hàng khó?”. Thực tế, đây không phải câu hỏi chỉ về...-
Channel: Máy công cụ
17-12-2025, 13:38 -
-
Trả lời cho Vấn đề về tốc độ quaybởi nguyendinhvanSử dụng động cơ servor, hoặc lắp thêm một cái encoder vào động cơ bước. Encoder sẽ kiểm soát động cơ có quay hoặc đứng im.
-
Channel: Điện tử truyền hình
14-12-2025, 19:50 -
-
bởi Andrea14Chào mọi người,
Tôi muốn mô phỏng sự thay đổi các mùa bằng cách từ từ nghiêng một quả địa cầu 16 inch bằng một động cơ bước nhỏ. Một động cơ bước khác sẽ quay quả địa cầu theo thời gian thực. Hệ thống truyền động...-
Channel: Điện tử truyền hình
12-12-2025, 12:42 -

Comment