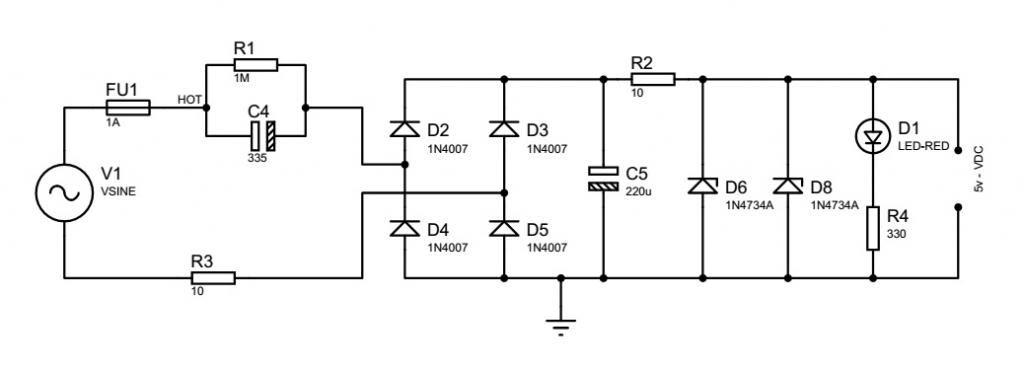
Sau quá trình tìm hiểu trên mạng thì em đã thiết kế được mạch transformerless này
Nguồn vào 220v, điện áp ra là 5.6v
Em sử dụng tụ 335J - 400v để hạ áp, theo tính toán thì dòng ra của mạch có thể lên hơn 200mA
Diode zener em sử dụng là 1W, các điện trở R1, R2, R3 là 2W.
Mạch sử dụng cho 89s52 để điều khiển thiết bị bằng role
Sau khi thi công và chạy thử thì em nhận được kết quả như sau:
- Điện áp ra là 6V
- Áp trên R2: 2V - DC => 0.4W
- Áp trên R3: 2V - AC => 0.4W
=> Dòng qua mạch là 0.2mA
Nhưng vấn đề là tuy chỉ tỏa nhiệt 0.4W nhưng chạy khoảng 1 giờ là 2 con R2 và R3 khá nóng, zener và tụ X không nóng
Không biết việc R2 và R3 nóng như vậy có bình thường không. Em sợ là chạy thời gian lâu thì mạch gặp vấn đề
Nguồn vào 220v, điện áp ra là 5.6v
Em sử dụng tụ 335J - 400v để hạ áp, theo tính toán thì dòng ra của mạch có thể lên hơn 200mA
Diode zener em sử dụng là 1W, các điện trở R1, R2, R3 là 2W.
Mạch sử dụng cho 89s52 để điều khiển thiết bị bằng role
Sau khi thi công và chạy thử thì em nhận được kết quả như sau:
- Điện áp ra là 6V
- Áp trên R2: 2V - DC => 0.4W
- Áp trên R3: 2V - AC => 0.4W
=> Dòng qua mạch là 0.2mA
Nhưng vấn đề là tuy chỉ tỏa nhiệt 0.4W nhưng chạy khoảng 1 giờ là 2 con R2 và R3 khá nóng, zener và tụ X không nóng
Không biết việc R2 và R3 nóng như vậy có bình thường không. Em sợ là chạy thời gian lâu thì mạch gặp vấn đề

Comment