Em định làm một cái mạch: một điện áp ngưỡng là 5V. KHi tín hiệu vào mạch dưới 5V thì không có tín hiệu ra, khi >5V thì có điện áp xuất ra, điện áp xuất ra có thể được dùng để cảnh báo. Do học điệ tử chưa nhiều nên mong các anh góp ý cho em để em ứng dụng nó vào đề tài luận văn. Cám ơn các anh rất nhiều.
Thông báo
Collapse
No announcement yet.
Mạch so sánh điện áp
Collapse
X
-
bác cũng có thể dùng cầu điện trở để tạo điện áp ngưỡng.Nguyên văn bởi tuanbk Xem bài viếtEm định làm một cái mạch: một điện áp ngưỡng là 5V. KHi tín hiệu vào mạch dưới 5V thì không có tín hiệu ra, khi >5V thì có điện áp xuất ra, điện áp xuất ra có thể được dùng để cảnh báo. Do học điệ tử chưa nhiều nên mong các anh góp ý cho em để em ứng dụng nó vào đề tài luận văn. Cám ơn các anh rất nhiều.Thích nghe tụ nổ !
Thích xem nổ tụ !
Comment
-
Mạch này dùng được đấy nhưng OPAMP có điện áp dư nên khi đầu ra ở mức thấp thì U=1-->2V (chớ không phải U=0V), còn ở mức cao thì U=Unguồn trừ 1-->2V. Vậy có phù hợp với y/c của tuanbk không ?Nguyên văn bởi kqha2006 Xem bài viếtDùng OPAMP để so sánh. 1 con zenner 5V để lấy nguồn 5V ổn định đưa vào đẩu vào đảo. Điện áp cần so sánh đưa vào đầu vào không đảo. Nguồn cấp cho OPAMP thì dùng 9V, hoặc 12V. Thế thôi.Chuyển điện điều hòa Nhật, nồi cơm IH ... từ 100V sang 220V
Hoàng Thanh Tâm- Km32, QL32 Hà Nội - Sơn Tây-ĐT:0912242352
Comment
-
chính xác cái em cần làm là như thế này:Nguyên văn bởi hoangtam741 Xem bài viếtMạch này dùng được đấy nhưng OPAMP có điện áp dư nên khi đầu ra ở mức thấp thì U=1-->2V (chớ không phải U=0V), còn ở mức cao thì U=Unguồn trừ 1-->2V. Vậy có phù hợp với y/c của tuanbk không ?
- Đặt một điện áp ngưỡng là 5V, khi ngỏ vào <5V thì không báo động
- khi ngỏ vào >5V và thời gian vượt qua mức 5V đấy <0.5 giây thì vẫ không báo động.
- khi ngỏ vào >5V và thời gian vượt qua mức 5V đấy >0.5 giây thì không báo động.
Nghĩa là cần 2 yếu tố: U vào>5V và thời gian vượt qua mức 5V đấy >0.5 thì mạch sẽ báo động
xin các anh chỉ bảo thêm.
Comment
-
1/Down load cái data sheet của LM311 về xemNguyên văn bởi tuanbk Xem bài viếtchính xác cái em cần làm là như thế này:
- Đặt một điện áp ngưỡng là 5V, khi ngỏ vào <5V thì không báo động
- khi ngỏ vào >5V và thời gian vượt qua mức 5V đấy <0.5 giây thì vẫ không báo động.
- khi ngỏ vào >5V và thời gian vượt qua mức 5V đấy >0.5 giây thì không báo động.
Nghĩa là cần 2 yếu tố: U vào>5V và thời gian vượt qua mức 5V đấy >0.5 thì mạch sẽ báo động
xin các anh chỉ bảo thêm.
2/Dùng 555 tạo mạch định thời.
Nghiên cứu 2 cái IC đó là đủ làm mạch này rồi!
Cứ làm đi không khó đâu!
Cách đây 10 năm tôi đã làm rồi!



Comment
-
con IC5 thì em làm mạch định thời được rồi, còn con LM311 thì chưa hiểu lắm, xin nói rõ hơn một chútNguyên văn bởi mrgiang99 Xem bài viết1/Down load cái data sheet của LM311 về xem
2/Dùng 555 tạo mạch định thời.
Nghiên cứu 2 cái IC đó là đủ làm mạch này rồi!
Cứ làm đi không khó đâu!
Cách đây 10 năm tôi đã làm rồi!




Comment
-
Giúp em làm Chuyển mạch điện tử
Em đang thiết kế 1 bộ chuyển mạch dùng IC, nhưng chưa biết bắt đầu từ đâu.Yêu cầu đầu vào hơi bị nhiều, có 3 mức so sánh chuẩn là 5,5v; 8v và 18v. Trong khi đó thì điện áp điều khiển là 1 chiều có sự biến thiên từ 2 đến 80v. Nếu tách làm 3 con chuyển mạch thì có vẻ nhẹ nhàng hơn. nhưng nếu gộp cả 3 lại thì hay quá. Yêu cầu của chuyển mạch là chập đất hoặc cho tín hiệu điều khiển đi qua, mức áp không quá 27v và dòng không quá 5mA. Em định làm 1 mạch so sánh trước, sau đó lấy điện áp điều khiển để đóng mở chuyển mạch. Híc, cũng chẳng biết là dùng cái gì làm chuyển mạch đây?? Em định dùng Lm339 làm mạch so sánh có được không nhỉ? Mong các bác Siêu nhân giúp em với.
Comment
-
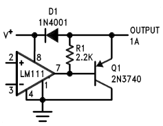
Chỏi tí...cái mạch so sánh áp để điều khiển van solenoid như hình có gởi kèm theo đó....có chổ ko hiểu lắm là thêm vào diode D1 và con Q1 chi thế? có cần thiết ko vậy?nếu ko thêm vào thì có ảnh hưởng gì ko?
Nếu mình ko thêm vào D1 và Q1 mà chỉ dùng R1 làm tải rồi ngõ ra nối với rờ-le để điều khiển van solenoid thì có ổn ko vậy?
Comment
Bài viết mới nhất
Collapse
-
Trả lời cho Yêu thơ mê nhạc, mời các bác vào đây!bởi vi van phamCảm ơn cháu đã bỏ chút thời gian vàng ngọc xem ông già gần 80 tuổi kể hối ký chuyện tình cùa mình. Những chương trình học hồi lớp 6 ( đệ thất) và lớp 7 ( đệ luc) học họa và nhạc sau này đã giúp đỡ tôi rất nhiều trong việc tìm...
-
Channel: Tâm tình dân kỹ thuật
Hôm qua, 22:15 -
-
Trả lời cho Yêu thơ mê nhạc, mời các bác vào đây!bởi dinhthuong92Chúc mừng bác có cuộc tình rất lãng mạn, cuộc hôn nhân gắn bó dài lâu nhé!...
-
Channel: Tâm tình dân kỹ thuật
Hôm qua, 13:49 -
-
Trả lời cho Yêu thơ mê nhạc, mời các bác vào đây!bởi vi van phamHôn nhân của tôi dường như có bàn tay sắp đặt của ông tơ, bà nguyệt. Bà xả nói tôi viết hồi ký duyên số này. Tôi đã viết vào tập 100 trang học sinh. Sau 50 năm lật tới, lật lui xem quyển hối ký có nơi rách nát. Tôi viết lại bằng AI, giọng đọc VBBe, ca sĩ hát là là Synthesizer V.
...-
Channel: Tâm tình dân kỹ thuật
15-05-2026, 14:18 -
-
Trả lời cho Công thức tính định luật kirchhoffbởi nguyendinhvanCông thức này chắc là để áp dụng cho UAV để bắn máy bay F15....
-
Channel: Hỗ trợ học tập
14-05-2026, 21:17 -
-
Trả lời cho Yêu thơ mê nhạc, mời các bác vào đây!bởi dinhthuong92GIỚI THIỆU CA KHÚC VỀ CHA MẸ:
Nặng Nghĩa Mẹ Cha
Sáng tác: Hoàng Đình Thường
Giọng hát: AI
Công cha cao tựa như Thái Sơn
Nghĩa mẹ sâu nước biếc xanh trong
Mong con khôn lớn đời hạnh phúc
Mẹ cha...-
Channel: Tâm tình dân kỹ thuật
12-05-2026, 16:22 -
-
bởi afrendlyCảm ơn bạn. Mình hỏi để thợ có thể tham khảo thôi chứ không đủ kiển thức để sửa, mà cũng không có đồ nghề, mua đồ nghề quá tiền máy. Gọi nhiều lần mà thợ hẹn mãi chưa có tới ấy bạn. Mình muốn sửa được chứ bỏ thì uống, nhưng sợ là được mỗi người thợ mà lại không sửa nổi....
-
Channel: Điện tử gia dụng
11-05-2026, 00:34 -
-
bởi mèomướpDạ nó bị tắc ẩm hoặc rò thiếu gas hoặc lốc yếu hoặc van tiết lưu có vấn đề hoặc tất cả những nguyên nhân trên ạ. Chú ko chuyên về mảng này thì bán đi, giành thời gian trồng rau sạch đem ra chợ bán lấy tiền mua tủ mới ạ. Còn...
-
Channel: Điện tử gia dụng
10-05-2026, 17:01 -
-
bởi afrendlyXin chào mọi người. Mình lại có vấn đề về đồ điện cần nhờ mọi người hỗ trợ giúp. Mình có tủ lạnh Sharp dùng cũng lâu rồi. Trước có bị kém lạnh, không đông đá thì có thợ họ mang về, sục đường ga gì đó hết 900k và đã dùng...
-
Channel: Điện tử gia dụng
10-05-2026, 16:53 -
-
bởi dinhthuong92Đấy, cái tôi thắc mắc là chỗ màu hồng ấy bạn, để áp vào cao chứ không bị sụt gần bằng áp pin thì rất cần cuộc cảm để làm điều đó. Tuy nhiên, trong công thức bác thớt dẫn không thấy mặt L, và một vài mạch MPPT tôi đã kiểm...
-
Channel: Nguồn!
09-05-2026, 10:01 -

Comment