Thông báo

Collapse
No announcement yet.

ON/OFF mạch Boots áp

Collapse
X
 
  • Lọc
  • Giờ
  • Show
Clear All
new posts

  • ON/OFF mạch Boots áp

    Chào mọi người,
    Em đang làm thử mạch Boots áp. Thấy trên datasheet của một số loại IC Boots áp mà em xem qua có cấu trúc mạch như trong hình em đính kèm. Em thấy nó có chân ON/OFF nhưng theo em thấy nếu OFF thì theo cách mắc mạch như trong hình thì tuy IC không hoạt động, ngõ ra không được Boots lên nhưng ngõ ra cũng vẫn tồn tại điện áp mà điện áp đó chạy từ điện áp ngõ vào qua cuộn dây ra. Tức là ngõ ra bằng với ngõ vào khi OFF IC. Vậy câu hỏi em muốn đặt ra là để khi không cho IC Boots hoạt động như ngõ ra sẽ về 0v thay vì nó lên bằng với ngõ vào. Các anh trên diễn đàn có ý kiến hay giải pháp nào giúp em với!
    Cám ơn rất nhiều.

  • #2
    Giải pháp : khi Off thì ngắt dây đầu ra hoặc đầu vào ......

    Comment


    • #3
      đầu ra cho thêm 1 cái công tắc, vậy là xong

      Comment


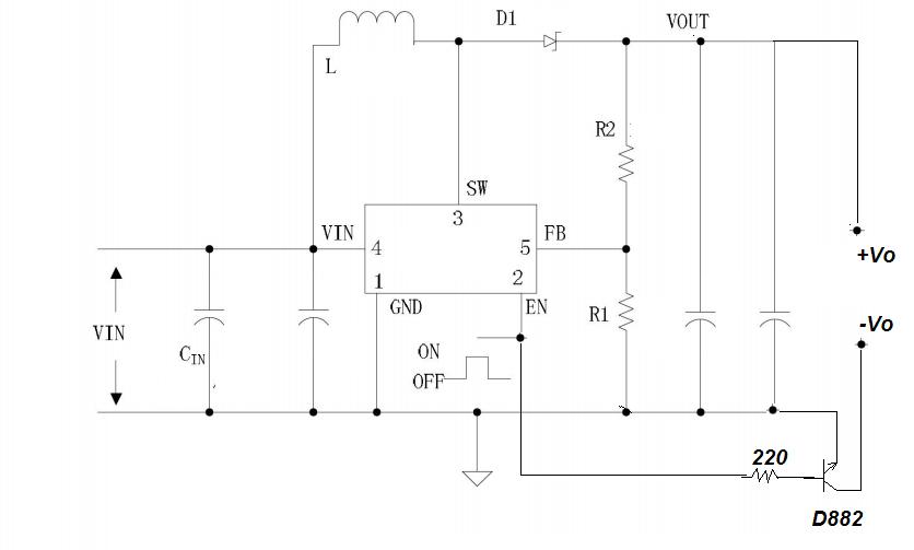
      • #4
        Cái này dễ ợt mà bạn, nếu mạch đầu ra ăn dòng dưới 3A thì bạn có thể ráp như sau nhé:
        Attached Files

        Comment


        • #5
          Cám ơn anh dinhthuong80. Liệu rằng giải pháp của anh khi có tải vẫn hoạt động tốt chứ! Anh có thể nói chút nguyên lí khi mạch đó hoạt động k ạ.
          Giải pháp ngắt đầu vào hoặc ra của hai anh ở trên em thấy không phải là thiết kế tối ưu (Vì vừa ON/OFF IC, vừa ngắt đầu vào hoặc ra ) không biết các anh trên diễn đàn có cách nào hay hơn không ạ!
          Trân trọng,

          Comment


          • #6
            Coi chừng lửa khói đấy !!!!!!

            Comment


            • #7
              Chả phải bạn muốn có công tắc on/off IC và muốn khi off thì ngắt hoàn toàn đầu ra hay sao?
              Đảm bảo mạch chạy tốt, nếu muốn dòng cao có thể dùng fet.
              ề việc áp giảm trên transistor ngắt khi off thì không thành vấn đề, chỉ cần tính toán nâng lên thêm 0.2-0.6V là được.
              Mình rất muốn xem một thiết kế tối ưu hơn cho yêu cầu của bạn.

              Comment

              Về tác giả

              Collapse

              binh117959 Tìm hiểu thêm về binh117959

              Bài viết mới nhất

              Collapse

              Đang tải...
              X