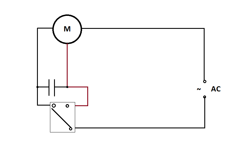
chào các anh chị, em không phải dân điện, nhưng hôm nay cần mọi người giúp 1 chuyện. Em có cái quạt thông gió có công tắc đảo chiều, do nghịch ngợm nên đã tháo hết dây ra và giờ không biết nối lại, ra hàng họ ngại không làm nên phải tự loay hoay. Em tự vẽ hình minh hoạ này, mong mọi người giúp đỡ.
Thông báo
Collapse
No announcement yet.
Hướng dẫn nối dây motor quạt thông gió có đảo chiều
Collapse
X
Bài viết mới nhất
Collapse
-
Trả lời cho cách làm led Hao Quang.có pro nào biết k nhỉ ???bởi StatusHello! I'm from Kazakhstan. Can anyone share the HEX file with me? The download link in post 50 doesn't work.
-
Channel: Vi điều khiển họ 8051
hôm nay, 00:05 -
-
bởi mylinhattChào anh em cơ khí,
Trong quá trình tư vấn đầu tư thiết bị cho xưởng, mình gặp rất nhiều câu hỏi kiểu: “Nên mua máy phay CNC cũ để tiết kiệm, chọn máy mới phổ thông cho yên tâm, hay cố gắng lên máy chất lượng cao để làm hàng khó?”. Thực tế, đây không phải câu hỏi chỉ về...-
Channel: Máy công cụ
Hôm qua, 13:38 -
-
bởi torasungChào anh em,
Mình đang tìm hiểu và cấu hình một con biến tần Delta model VFD037E43A dùng cho động cơ công suất nhỏ, ứng dụng băng tải và quạt. Trước đây mình chủ yếu làm với vài dòng khác của Delta nhưng chưa dùng nhiều model này, nên muốn...-
Channel: Điện tử công nghiệp
16-12-2025, 09:13 -
-
Trả lời cho Vấn đề về tốc độ quaybởi nguyendinhvanSử dụng động cơ servor, hoặc lắp thêm một cái encoder vào động cơ bước. Encoder sẽ kiểm soát động cơ có quay hoặc đứng im.
-
Channel: Điện tử truyền hình
14-12-2025, 19:50 -
-
bởi Andrea14Chào mọi người,
Tôi muốn mô phỏng sự thay đổi các mùa bằng cách từ từ nghiêng một quả địa cầu 16 inch bằng một động cơ bước nhỏ. Một động cơ bước khác sẽ quay quả địa cầu theo thời gian thực. Hệ thống truyền động...-
Channel: Điện tử truyền hình
12-12-2025, 12:42 -

Comment