Em định thiết kế mạch chuyển từ USB -> COM bằng con PL2303TA, đọc datasheet thì thấy nó khác với mấy dòng cũ như PL2303HX, PL2303HXA,... trong tay em thì có mạch sử dụng PL2303 ghép với 8051 không qua MAX232 nhưng không rõ là loại nào, liệu có thể áp dụng với PL2303TA được không.
Nếu được, xin các anh, chị thiết kế dùm em cái mạch sử dụng PL2303TA này để dùng 2 chân TXD, RXD đưa thẳng vào 8051 mà không qua MAX232. Xin chân thành cảm ơn!

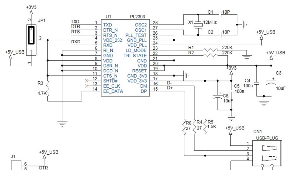
Ở dưới đính kèm các file là datasheet của PL2303TA, và hình ảnh mạch PL2303 mà em đang giữ.
Nếu được, xin các anh, chị thiết kế dùm em cái mạch sử dụng PL2303TA này để dùng 2 chân TXD, RXD đưa thẳng vào 8051 mà không qua MAX232. Xin chân thành cảm ơn!
Ở dưới đính kèm các file là datasheet của PL2303TA, và hình ảnh mạch PL2303 mà em đang giữ.

Comment