chào mọi người.tình hình em đang cần 1 mạch điện như sau :em có 8 cái role.giờ em muốn có 1 mạch điều khiển (dùng vi mạch)đóng lần lượt từ 1-8 ví dụ như dóng cái thứ 1 trong 2s rồi cắt,2s sau đóng tiếp cái thứ 2 trong 2s rồi cắt.cứ thế cho đến cái thứ 8 sau đó lặp lại từ đầu.thời gian đóng-cắt có thể điều chỉnh đôc lập dc thì tốt ạ.mong mn giúp em.em cảm ơn ạ
Thông báo
Collapse
No announcement yet.
giúp em mạch đóng cắt theo thứ tự
Collapse
X
-
Công việc này có thể làm bằng IC logic, bằng vi điều khiển, thậm chí bằng mạch cơ điện. Nhưng nếu dùng cho công nghiệp thì PLC là phù hợp nhất đấy. Đám micro PLC của các hãng rất sẵn : Logo (Siemens), Zen (Omron) ...
- 1 like
Comment
-
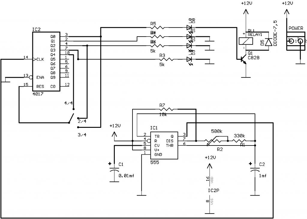
bác vẽ giúp em sơ đồ dc ko ạ,em cảm ơnNguyên văn bởi vi van pham Xem bài viếtEm dùng ic 4017 là mạch đếm thập phân, đếm từ 0 đến 9. Dùng clock 2s để kích
Comment
-
Xem tại đây cách sử dụng 4017 và xung 555 : http://www.dientuvietnam.net/forums/...tch?id=1346934.
Hàn chân 15 vào chân 9 Q8 để 4017 chỉ điều khiển 8 relay.
Sửa mạch 555 để có xung 2s kiách vào chân 14 cd4017.
- 1 like
Comment
-
cám ơn bác đã nhiệt tình chỉ bảo.nhưng em chỉ biết làm điện công nghiệp.còn điện tử thì em chỉ mod theo thôi.thực sự em ko có chuyên môn nên bác có thể giúp em lần nữa.thiết kế-vẽ luôn giúp em mạch điều khiển 8 role thời gian đóng cắt có trhể điều chỉnh dc ko ạ.em cám ơnNguyên văn bởi vi van pham Xem bài viếtXem tại đây cách sử dụng 4017 và xung 555 : http://www.dientuvietnam.net/forums/...tch?id=1346934.
Hàn chân 15 vào chân 9 Q8 để 4017 chỉ điều khiển 8 relay.
Sửa mạch 555 để có xung 2s kiách vào chân 14 cd4017.
Comment
-
Em không có chuyên môn thì nên dùng PLC.Nguyên văn bởi hoangxmc Xem bài viếtcám ơn bác đã nhiệt tình chỉ bảo.nhưng em chỉ biết làm điện công nghiệp.còn điện tử thì em chỉ mod theo thôi.thực sự em ko có chuyên môn nên bác có thể giúp em lần nữa.thiết kế-vẽ luôn giúp em mạch điều khiển 8 role thời gian đóng cắt có trhể điều chỉnh dc ko ạ.em cám ơn
Comment
-
PLC mà làm cái này thì thật sự quá phí rồi, không tự lắp được thì nhờ hoặc thuê bác nhé. Mỗi người có chuyên môn riêng mà đừng làm luôn việc mà mình không thạo.Nguyên văn bởi vi van pham Xem bài viết
Em không có chuyên môn thì nên dùng PLC.
- 1 like
Comment
-
vẫn biết là như thế.nhưng học hỏi thì không bao giờ là đủ bác ạ.hơn nữa em nghĩ chi phí để làm mạch này cũng ko tốn lắm.ngu 1 vài lần,cháy nổ 1 vài bộ cũng ko sao.quan trọng mong có người chỉ bảoNguyên văn bởi thientanvt Xem bài viếtPLC mà làm cái này thì thật sự quá phí rồi, không tự lắp được thì nhờ hoặc thuê bác nhé. Mỗi người có chuyên môn riêng mà đừng làm luôn việc mà mình không thạo.
Comment
-
Diễn đàn luôn giúp đỡ các bạn.Nguyên văn bởi hoangxmc Xem bài viếtvẫn biết là như thế.nhưng học hỏi thì không bao giờ là đủ bác ạ.hơn nữa em nghĩ chi phí để làm mạch này cũng ko tốn lắm.ngu 1 vài lần,cháy nổ 1 vài bộ cũng ko sao.quan trọng mong có người chỉ bảo
Ráp mạch theo hướng dẩn không hiểu thì hỏi.
Comment
-
Yêu cầu của bạn là kích lần lượt các relay, cái này đống 2s rồi nghỉ 2s rồi tới cái khác cứ thế. Nếu ráp mạch với 1 con 4017 và 555 như vvp nói sẽ ko đáp ứng được yêu cầu vì các chân 4017 chỉ đuổi nhau nó không có khoảng dừng đủ lâu giữa 2 chân.
Comment
-
Ai nói không làm được khõang thời gian nghĩ của 2 relay?Nguyên văn bởi moto Xem bài viếtYêu cầu của bạn là kích lần lượt các relay, cái này đống 2s rồi nghỉ 2s rồi tới cái khác cứ thế. Nếu ráp mạch với 1 con 4017 và 555 như vvp nói sẽ ko đáp ứng được yêu cầu vì các chân 4017 chỉ đuổi nhau nó không có khoảng dừng đủ lâu giữa 2 chân.
Sao lại NGU lắp 1 con 4017 để rồi nói không làm được?
Biết thì nói, không biết dựa cột mà nghe.
Comment
-
Ko biết dạo này bác vvp có vấn đề j ko mà ăn nói cọc cằn nghe ghê wá. Với một con 4017 mà bác chỉ chủ thớt thì theo e nó chỉ đuổi nhau thôi. Theo e phải 2 con và chân bỏ chân lấy mới được. Còn với một con thì nói thiệt là e NGU e vẫn ko nghĩ ra. Vậy bác giúp e hiểu rõ hơn được ko ạNguyên văn bởi vi van pham Xem bài viết
Ai nói không làm được khõang thời gian nghĩ của 2 relay?
Sao lại NGU lắp 1 con 4017 để rồi nói không làm được?
Biết thì nói, không biết dựa cột mà nghe.
Comment
Bài viết mới nhất
Collapse
-
bởi mylinhattTrong vận hành thực tế, nhiều xưởng gia công gặp tình trạng máy phay CNC bắt đầu sai kích thước, bề mặt rung nhẹ hoặc phát sinh lỗi thay dao dù chương trình và dao cắt không thay đổi. Phần lớn các vấn đề này không xuất phát từ lập trình mà đến từ việc bảo dưỡng máy chưa được thực hiện đúng và đủ....
-
Channel: Máy công cụ
hôm nay, 11:27 -
-
bởi ittcHì, em tính đi mua 1 cái máy Khoan và máy Mài (cắt), em đã chính thức gạt thằng BOSCH sang 1 bên vì giá cao hơn Dewalt và Makita, hơn nữa xem Cataloge của nó thì hàng ít model mẫu mã hơn.
Giá Dewalt và Makita thấy ngang ngửa nhau, thôi thì nhu...-
Channel: Điện tử gia dụng
hôm nay, 07:20 -
-
bởi DaoVanTrongChào Anh Em. Nay em có tạo 1 sơ đồ mạch UPS sau, xin Ae cho ý kiến.
Và nếu biết sản phẩm này nếu có sẵn thì em xin link để mua (nếu giá phù hợp) thì em đỡ phải làm ạ, vì em tìm nhưng không thấy:
╔═══════════════════[ĐIỆN_LƯỚI_220V]════════════════╗...-
Channel: Điện tử sáng tạo
Hôm qua, 23:32 -
-
Trả lời cho Nên mua máy phay CNC cũ, máy mới phổ thông hay máy chất lượng cao? Góc nhìn từ bài toán sản xuất thực tếbởi nguyendinhvanNgày trước, khi KT đang tăng trưởng, một cái máy tự động cũ tầm trung, thì khoảng 5 năm là hoàn vốn. Nhưng hiện tại, mọi việc đều chậm trễ, cạnh tranh, nên theo các xếp tính thì phải hơn 10 năm làm việc ngon lành thì mới hoàn vốn....
-
Channel: Máy công cụ
20-12-2025, 20:23 -
-
Trả lời cho cách làm led Hao Quang.có pro nào biết k nhỉ ???bởi StatusHello! I'm from Kazakhstan. Can anyone share the HEX file with me? The download link in post 50 doesn't work.
-
Channel: Vi điều khiển họ 8051
18-12-2025, 00:05 -
-
bởi mylinhattChào anh em cơ khí,
Trong quá trình tư vấn đầu tư thiết bị cho xưởng, mình gặp rất nhiều câu hỏi kiểu: “Nên mua máy phay CNC cũ để tiết kiệm, chọn máy mới phổ thông cho yên tâm, hay cố gắng lên máy chất lượng cao để làm hàng khó?”. Thực tế, đây không phải câu hỏi chỉ về...-
Channel: Máy công cụ
17-12-2025, 13:38 -
-
Trả lời cho Vấn đề về tốc độ quaybởi nguyendinhvanSử dụng động cơ servor, hoặc lắp thêm một cái encoder vào động cơ bước. Encoder sẽ kiểm soát động cơ có quay hoặc đứng im.
-
Channel: Điện tử truyền hình
14-12-2025, 19:50 -

Comment