Xin các bạn cho biết, điều kiện để một nhà máy điện muốn hòa vào điện lưới quốc gia là gì? Và kỹ thuật mắc vào như thế nào?
Thông báo
Collapse
No announcement yet.
Hòa vào điện lưới quốc gia cần những gì?
Collapse
X
-
điều kiện để nhà máy điện hòa vào nguồn điện lưới quốc gia là:Nguyên văn bởi anhvo Xem bài viếtXin các bạn cho biết, điều kiện để một nhà máy điện muốn hòa vào điện lưới quốc gia là gì? Và kỹ thuật mắc vào như thế nào?
1. cùng thứ tự pha.
2. cùng nguồn điện áp.
3. cùng tần số.
-
bạn có thể nói rõ hơn không, mình không hiểu cấu điện áp cần hòa phải bằng điện áp lưới cần hòa ý của bạn muốn nói có phải điện áp của nhà máy muốn hòa vào nguồn điện lưới quốc gia thi điện áp đó phải bằng điện áp của nguồn lưới điện quốc gia không, nếu đúng thì mình đã nói rồi mà.Nguyên văn bởi dominhthu Xem bài viếtAnh ấy còn thiếu một điều kiện hết sức quan trọng đó là điện áp cần hòa phải bằng điện áp lưới cần hòa
điều kiện để nhà máy điện hòa vào nguồn điện lưới quốc gia là:
1. cùng thứ tự pha.
2. cùng nguồn điện áp.
3. cùng tần số.
Comment
-
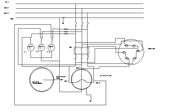
Khi hoà điện 3 pha từ máy phát vào lướI điện 3 pha đang có điện,ngoài các thiết bị an toàn khi hoà mạng ,
cần một sự đồng bộ về tốc độ của máy phát vớI tần số của lướI điện,
để làm điều này ,ngườI ta quan sát các đồng hồ volts,đồng hồ tần số và 6 bóng đèn tim mắc theo vị trí vòng tròn và chia ra 3 cặp bóng nốI tiếp ,
Cặp 1,đấu nốI tiếp 2 bóng 220v,100w từ pha 1 điện lướI vớI pha 1 máy phát.
Cặp 2 đấu nốI tiếp 2 bóng 220v,100w từ pha 2 điện lướI vớI pha 3 máy phát
Cặp 3, đấu nốI tiếp 2 bóng 220v,100w từ pha 3 điện lướI vớI pha 2 máy phát
nếu máy phát quay nhanh hơn tần số điện lướI,có 4 bóng sáng và 2 bóng tắt sẽ quay theo 1 chiều
,nếu máy phát quay chậm hơn tần số điện lướI,vòng sáng sẽ quay chiều ngược,
chỉnh gas tốc độ máy kéo máy phát
nếu tần số máy phát bằng tần số điện lướI,vòng sáng đứng yên (trong điều kiện 2 bóng tắt là pha 1 của lướI điện vớI pha 1 của máy phát),các đồng hồ volst phảI có trị số bằng nhau,và ngay lúc này,có thể nốI mạch,hoà mạng.
Sau khi hoà mạng,tần số máy phát sẽ tự điều chỉnh đồng bộ vớI điện lướI,và không phảI chỉnh gas tốc độ trong một giớI hạn nào đó
Máy phát cần nốI dây trung tính ,mắc hình sao.Last edited by robotech; 23-04-2010, 09:17.
Comment
-
Điều kiện để nối một máy phát điện vào lưới điện quốc gia rất phức tạp:
1/. Trước hết máy phát của anh phải được đăng ký với hệ thống, và xin phép được nối với lưới điện.
2/. Anh phải có hệ thống thông tin liên lạc (nội bộ hoặc ngoài) với trung tâm điều độ hệ thống điện. Máy lớn thì với điều độ quốc gia, máy nhỏ như các máy trong các cơ sở cong nghiệp với điều độ miền.
3/. Máy của anh phải đạt được tất cả những tiêu chuẩn trước khi nối vào lưới:
a/. Hệ thống điều tốc phải ổn định, phải có chế độ droop,
b/. hệ thống điều thế phải ổn định và phải có độ droop điều chỉnh được. Với máy lớn, còn cần phải có hệ thống cường kích.
c/. Máy phát phải có những rơ le bảo vệ cần thiết.
d/. Máy biến áp tăng, giảm áp phải đạt các tiêu chuẩn kỹ thuật.
e/. Các thiết bị đóng cắt phải tin cậy.
f/. Phải có hệ thống hòa đồng bộ bảo đảm tin cậy.
g/. Cần phải có các thiết bị đo lường đạt yêu cầu về độ chính xác. Thí dụ với các nhà máy lớn thì PT, CT và công tơ đo đếm điện năng phải có độ chính xác 0,2.
Đó là những điều kiện ban đầu. Sau đó mỗi lần hòa điện vào lưới phải:
Được sự điều động của trung tâm điều độ hệ thống điện.
Đạt được các yêu cầu về kỹ thuật, như các anh đã bàn:
Điều kiện về điện áp.
Điều kiện về tần số.
Điều kiện về pha. Chỉ cần điều kiện về góc pha thôi. Thứ tự pha chỉ cần kiểm tra lần đầu khi mới lắp đặt.Nhóc thích nghịch điện,
Nhóc thích xì păm,
Nhóc thích trêu mấy anh.
Hi hi.
Comment
-
Cái này nhiều nơi đã dùng rồi, nhưng không biết có dùng được ở "ta" không? (ảnh)Nguyên văn bởi cô nhóc Xem bài viếtĐiều kiện để nối một máy phát điện vào lưới điện quốc gia rất phức tạp:
1/. Trước hết máy phát của anh phải được đăng ký với hệ thống, và xin phép được nối với lưới điện.....................
Đó là những điều kiện ban đầu. Sau đó mỗi lần hòa điện vào lưới phải:
........................................
Được sự điều động của trung tâm điều độ hệ thống điện. .............................
.
Nếu được phép dùng thì những ai ở vùng "gió Lào" sẽ được lợi từ "đặc sản" quê hương.
Comment
-
Thủ tục cần thiết: Liên hệ với Điện lực.Nguyên văn bởi anhvo Xem bài viếtXin các bạn cho biết, điều kiện để một nhà máy điện muốn hòa vào điện lưới quốc gia là gì? Và kỹ thuật mắc vào như thế nào?
http://www.4shared.com/file/Iylq_YcP..._BCN_2006.html
http://www.4shared.com/file/hy9EwF2U...u_thu_tuc.html
http://www.4shared.com/file/zNt3XKSf..._noi_luoi.htmlLast edited by thienpht; 16-12-2010, 14:50.
Comment
Bài viết mới nhất
Collapse
-
bởi mylinhattTrong vận hành thực tế, nhiều xưởng gia công gặp tình trạng máy phay CNC bắt đầu sai kích thước, bề mặt rung nhẹ hoặc phát sinh lỗi thay dao dù chương trình và dao cắt không thay đổi. Phần lớn các vấn đề này không xuất phát từ lập trình mà đến từ việc bảo dưỡng máy chưa được thực hiện đúng và đủ....
-
Channel: Máy công cụ
hôm nay, 11:27 -
-
bởi ittcHì, em tính đi mua 1 cái máy Khoan và máy Mài (cắt), em đã chính thức gạt thằng BOSCH sang 1 bên vì giá cao hơn Dewalt và Makita, hơn nữa xem Cataloge của nó thì hàng ít model mẫu mã hơn.
Giá Dewalt và Makita thấy ngang ngửa nhau, thôi thì nhu...-
Channel: Điện tử gia dụng
hôm nay, 07:20 -
-
bởi DaoVanTrongChào Anh Em. Nay em có tạo 1 sơ đồ mạch UPS sau, xin Ae cho ý kiến.
Và nếu biết sản phẩm này nếu có sẵn thì em xin link để mua (nếu giá phù hợp) thì em đỡ phải làm ạ, vì em tìm nhưng không thấy:
╔═══════════════════[ĐIỆN_LƯỚI_220V]════════════════╗...-
Channel: Điện tử sáng tạo
Hôm qua, 23:32 -
-
Trả lời cho Nên mua máy phay CNC cũ, máy mới phổ thông hay máy chất lượng cao? Góc nhìn từ bài toán sản xuất thực tếbởi nguyendinhvanNgày trước, khi KT đang tăng trưởng, một cái máy tự động cũ tầm trung, thì khoảng 5 năm là hoàn vốn. Nhưng hiện tại, mọi việc đều chậm trễ, cạnh tranh, nên theo các xếp tính thì phải hơn 10 năm làm việc ngon lành thì mới hoàn vốn....
-
Channel: Máy công cụ
20-12-2025, 20:23 -
-
Trả lời cho cách làm led Hao Quang.có pro nào biết k nhỉ ???bởi StatusHello! I'm from Kazakhstan. Can anyone share the HEX file with me? The download link in post 50 doesn't work.
-
Channel: Vi điều khiển họ 8051
18-12-2025, 00:05 -
-
bởi mylinhattChào anh em cơ khí,
Trong quá trình tư vấn đầu tư thiết bị cho xưởng, mình gặp rất nhiều câu hỏi kiểu: “Nên mua máy phay CNC cũ để tiết kiệm, chọn máy mới phổ thông cho yên tâm, hay cố gắng lên máy chất lượng cao để làm hàng khó?”. Thực tế, đây không phải câu hỏi chỉ về...-
Channel: Máy công cụ
17-12-2025, 13:38 -
-
Trả lời cho Vấn đề về tốc độ quaybởi nguyendinhvanSử dụng động cơ servor, hoặc lắp thêm một cái encoder vào động cơ bước. Encoder sẽ kiểm soát động cơ có quay hoặc đứng im.
-
Channel: Điện tử truyền hình
14-12-2025, 19:50 -

Comment