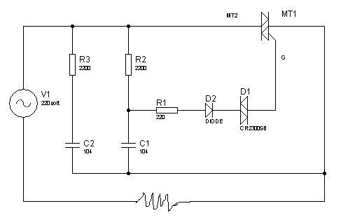
các bác phân tích giúp em mạch kích triac này với.....

em thấy ở các mạch bình thường thì không có con D2 . trong mạch này con D2 chỉ dẫn ở 1 bán kỳ còn bán kỳ kia thì ngưng dẫn do đó mạch TRIAC chỉ mỡ tối đa là 110v (input là 220v). và nếu nối tiếp với R2 1 biến trở 50k thì mạch có thể điều chỉnh từ 0 - 110v. em phân tích như vậy đúng không các bác. mạch này xài cho động cơ có ảnh hưởng gì không ạ........ mong các bác chỉ bảo nhiều, em cám ơn nhiều ạ.
em thấy ở các mạch bình thường thì không có con D2 . trong mạch này con D2 chỉ dẫn ở 1 bán kỳ còn bán kỳ kia thì ngưng dẫn do đó mạch TRIAC chỉ mỡ tối đa là 110v (input là 220v). và nếu nối tiếp với R2 1 biến trở 50k thì mạch có thể điều chỉnh từ 0 - 110v. em phân tích như vậy đúng không các bác. mạch này xài cho động cơ có ảnh hưởng gì không ạ........ mong các bác chỉ bảo nhiều, em cám ơn nhiều ạ.

Comment