Các bác cho em hỏi tí, mua cái cục sạc điện thoại ô tô đó ở đâu giá rẻ nhỉ, em ở HCM. cho cái giá và địa chỉ cụ thể với
Thông báo
Collapse
No announcement yet.
DIY - Pin Dự Phòng Cho Mobile
Collapse
X
-
Mạch báo dung lượng pin bác làm kiểu j thếNguyên văn bởi manhluong Xem bài viếthihi đây sản phẩm của em mới hoàn thành !
[ATTACH=CONFIG]60776[/ATTACH]
khi không có tải thì điện áp ra là 6v
[ATTACH=CONFIG]60777[/ATTACH]
khi có tải thì khoảng 5v3
[ATTACH=CONFIG]60778[/ATTACH]
thêm mạch báo dung lượng pin cho pro
[ATTACH=CONFIG]60779[/ATTACH]
tận dụng 2 cell lap cũ bỏ đi chả biết dung lượng còn lại là bao nhiêu
mạch bảo vệ và nạp pin tháo pin nokia hỏng đo khi sạc dòng sạc khoảng 500mA, sạc no pin thì được 4.14v sạc điện thoại pin 1500mA mất 2h thì đầy.và 2cell còn lại 3,74v Tip41c ấm ấm ^^
Comment
-
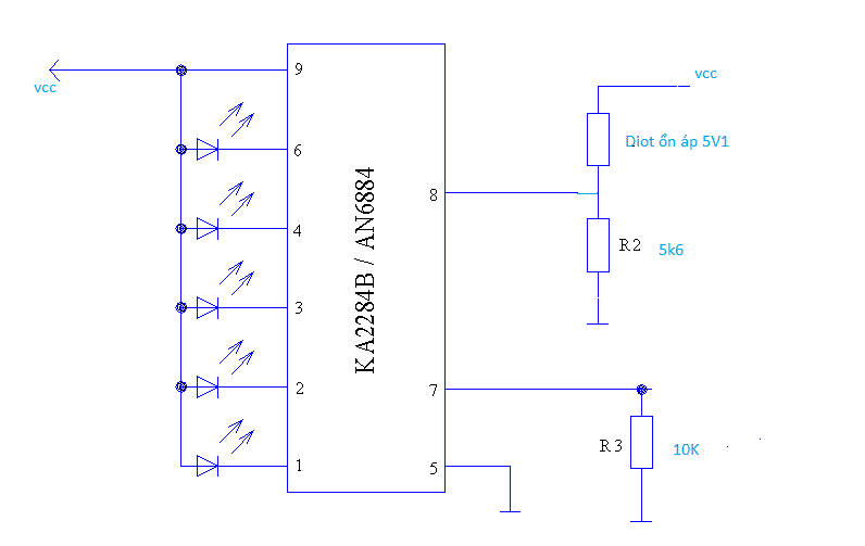
hình như là AN6884 thì phải!Nguyên văn bởi 01663146510 Xem bài viếtMạch báo dung lượng pin bác làm kiểu j thế
Bùi Thành Hậu
Gmail:
Fb:
Comment
-
đúng rùi mình dùng AN 6884, chân 8 mình nối diot ổn áp 5v1 + trở 5k6, pin còn 3,6v thì 1 đèn sáng. 4.2v thì 4 đèn sáng. nếu đang cắm sạc thì 5 đèn sáng ^^ m sửa lại mạch chút rùi mới quấn lại cuộn cảm để tránh shut áp, khi ko tải thì 5.1v cắm tải sạc điện thoại 1500mA thì còn 4,96V. dòng sạc 800mA sạc 2h tiếng đầy pin. tip41 mát gần như ko bị tổn hao năng lượng nhiều do tỏa nhiệt
Comment
-
bác up sơ đồ lên cho mọi người tham khảo được ko??Nguyên văn bởi manhluong Xem bài viếtđúng rùi mình dùng AN 6884, chân 8 mình nối diot ổn áp 5v1 + trở 5k6, pin còn 3,6v thì 1 đèn sáng. 4.2v thì 4 đèn sáng. nếu đang cắm sạc thì 5 đèn sáng ^^ m sửa lại mạch chút rùi mới quấn lại cuộn cảm để tránh shut áp, khi ko tải thì 5.1v cắm tải sạc điện thoại 1500mA thì còn 4,96V. dòng sạc 800mA sạc 2h tiếng đầy pin. tip41 mát gần như ko bị tổn hao năng lượng nhiều do tỏa nhiệtBùi Thành Hậu
Gmail:
Fb:
Comment
-
chà!con ic này chỗ em mua ko có đây!dù sao cũng cảm ơn bác đã chia sẻNguyên văn bởi manhluong Xem bài viết[ATTACH=CONFIG]60951[/ATTACH]
[ATTACH=CONFIG]60952[/ATTACH]Bùi Thành Hậu
Gmail:
Fb:
Comment
-
ic này phổ biến bán nhiều trên thị trường mà bác, tận dụng ở mấy mạch cũ cũng có nhiều mà, mạch của em làm toàn linh kiên tận dụng main cũ thôi, chứ có mua được cái gì đâu !Nguyên văn bởi thanhhaudt33 Xem bài viếtchà!con ic này chỗ em mua ko có đây!dù sao cũng cảm ơn bác đã chia sẻ
Comment
-
chỗ của mình là tỉnh nhỏ,nên buôn bán cũng theo hướng có cầu-có cung nên linh kiện nào ít mua thì người ta ít nhập hàng về lắm nên hiếm ở đây là nhu cầu tiêu dùng quá hạn chế.Bác thịt con ic này ở đâu thế??Nguyên văn bởi manhluong Xem bài viếtic này phổ biến bán nhiều trên thị trường mà bác, tận dụng ở mấy mạch cũ cũng có nhiều mà, mạch của em làm toàn linh kiên tận dụng main cũ thôi, chứ có mua được cái gì đâu !Bùi Thành Hậu
Gmail:
Fb:
Comment
-
AN 6884 thì ở cái mạch sound metter ở ampli hay có, còn MC34063 thì ở mấy mạch model hay switch mạng gì đó, nói chung mình ra chỗ hàng phế liệu ve chai lượm màNguyên văn bởi thanhhaudt33 Xem bài viếtchỗ của mình là tỉnh nhỏ,nên buôn bán cũng theo hướng có cầu-có cung nên linh kiện nào ít mua thì người ta ít nhập hàng về lắm nên hiếm ở đây là nhu cầu tiêu dùng quá hạn chế.Bác thịt con ic này ở đâu thế??
Comment
-
mấy bác có ve chai sướng nhỉ!em ở phú yên ko biết chỗ nào có ve để vào chai nữa đây!^ ^Nguyên văn bởi manhluong Xem bài viếtAN 6884 thì ở cái mạch sound metter ở ampli hay có, còn MC34063 thì ở mấy mạch model hay switch mạng gì đó, nói chung mình ra chỗ hàng phế liệu ve chai lượm màBùi Thành Hậu
Gmail:
Fb:
Comment
-
xém té vì cái cục pin khủng quá 4600mAh bác post mạch sạc lên cho a e học hỏi với e mới nhìn cái hình nếu e đoán ko lầm thì con này là 7805 đây mạch sạc khá đơn giảnNguyên văn bởi luatronglohd Xem bài viếtxin được cái đèn pin . không có nạp. mình cũng làm cái mạch nạp . hi hi . nhưng đầy không tự ngắt . nạp khoảng 2 tiếng thì đầy . [ATTACH=CONFIG]60955[/ATTACH][ATTACH=CONFIG]60957[/ATTACH][ATTACH=CONFIG]60958[/ATTACH][ATTACH=CONFIG]60960[/ATTACH]
Comment
-
thích vỏ in 10000mAh cũng cóNguyên văn bởi kimman3 Xem bài viếtxém té vì cái cục pin khủng quá 4600mAh bác post mạch sạc lên cho a e học hỏi với e mới nhìn cái hình nếu e đoán ko lầm thì con này là 7805 đây mạch sạc khá đơn giản
con này thực chỉ có 1700mAh la cùng
Comment
-
con diode xung bác dùng con j thế và cuộn cảm bác cuốn lại bao nhiêuNguyên văn bởi manhluong Xem bài viết[ATTACH=CONFIG]60951[/ATTACH]
[ATTACH=CONFIG]60952[/ATTACH]
đang sạc nokia X1
[ATTACH=CONFIG]60956[/ATTACH]
Last edited by 01663146510; 25-02-2013, 19:37.
Comment
Bài viết mới nhất
Collapse
-
bởi mylinhattTrong vận hành thực tế, nhiều xưởng gia công gặp tình trạng máy phay CNC bắt đầu sai kích thước, bề mặt rung nhẹ hoặc phát sinh lỗi thay dao dù chương trình và dao cắt không thay đổi. Phần lớn các vấn đề này không xuất phát từ lập trình mà đến từ việc bảo dưỡng máy chưa được thực hiện đúng và đủ....
-
Channel: Máy công cụ
hôm nay, 11:27 -
-
bởi ittcHì, em tính đi mua 1 cái máy Khoan và máy Mài (cắt), em đã chính thức gạt thằng BOSCH sang 1 bên vì giá cao hơn Dewalt và Makita, hơn nữa xem Cataloge của nó thì hàng ít model mẫu mã hơn.
Giá Dewalt và Makita thấy ngang ngửa nhau, thôi thì nhu...-
Channel: Điện tử gia dụng
hôm nay, 07:20 -
-
bởi DaoVanTrongChào Anh Em. Nay em có tạo 1 sơ đồ mạch UPS sau, xin Ae cho ý kiến.
Và nếu biết sản phẩm này nếu có sẵn thì em xin link để mua (nếu giá phù hợp) thì em đỡ phải làm ạ, vì em tìm nhưng không thấy:
╔═══════════════════[ĐIỆN_LƯỚI_220V]════════════════╗...-
Channel: Điện tử sáng tạo
Hôm qua, 23:32 -
-
Trả lời cho Nên mua máy phay CNC cũ, máy mới phổ thông hay máy chất lượng cao? Góc nhìn từ bài toán sản xuất thực tếbởi nguyendinhvanNgày trước, khi KT đang tăng trưởng, một cái máy tự động cũ tầm trung, thì khoảng 5 năm là hoàn vốn. Nhưng hiện tại, mọi việc đều chậm trễ, cạnh tranh, nên theo các xếp tính thì phải hơn 10 năm làm việc ngon lành thì mới hoàn vốn....
-
Channel: Máy công cụ
20-12-2025, 20:23 -
-
Trả lời cho cách làm led Hao Quang.có pro nào biết k nhỉ ???bởi StatusHello! I'm from Kazakhstan. Can anyone share the HEX file with me? The download link in post 50 doesn't work.
-
Channel: Vi điều khiển họ 8051
18-12-2025, 00:05 -
-
bởi mylinhattChào anh em cơ khí,
Trong quá trình tư vấn đầu tư thiết bị cho xưởng, mình gặp rất nhiều câu hỏi kiểu: “Nên mua máy phay CNC cũ để tiết kiệm, chọn máy mới phổ thông cho yên tâm, hay cố gắng lên máy chất lượng cao để làm hàng khó?”. Thực tế, đây không phải câu hỏi chỉ về...-
Channel: Máy công cụ
17-12-2025, 13:38 -
-
Trả lời cho Vấn đề về tốc độ quaybởi nguyendinhvanSử dụng động cơ servor, hoặc lắp thêm một cái encoder vào động cơ bước. Encoder sẽ kiểm soát động cơ có quay hoặc đứng im.
-
Channel: Điện tử truyền hình
14-12-2025, 19:50 -

Comment