Chào các Bác.
Chắc hẳn mọi người đã biết ưu điểm của mạch hạ áp bằng tụ là rất rẻ tiền, nhỏ gọn, không cồng kềnh như mạch sử dụng các biến áp quấn dây. Nhưng chúng chỉ sử dụng được cho những mạch công suất nhỏ, và dễ bị điện giật (do không cách ly với lưới điên). Đối với những mạch điện tử công suất nhỏ, thì sử dụng chúng thật là tuyện vời.Trên thực tế thì ngoài thị trường có bán rất nhiều loại adapter hạ áp bằng tụ, nếu ta mua chúng về xài luôn thì còn gì để bàn nữa
, còn gì là nghiên cứu, học tập nữa.
Qua tìm hiểu thì em có thấy nhiều bài thảo luận về vấn đề này, nhưng dường như các bài ấy có điểm chung là chưa đi đến cái chốt cuối cùng là mạch được thiết kế như thế nào mới ưu việt, sử dụng lâu dài và hiệu quả. Nên em mạn phép lập cái topic này để các bác thảo luận, để đi đến cái mạch hoàn chỉnh, mọi người có thể thiết kế và sử dụng.
Em nghĩ chắc hẳn cũng có nhiều bác khi ráp cái mạch này cũng gặp phải những tình huống như em là: Mạch quá nóng (Có thể là phát nhiệt ở trở, ở tụ), xài lâu bị nổ tụ C1, thủng zener nữa, không biết sao tính được công suất của mạch,...
Sau đây là một số mạch em đã sưu tầm được trên các sản phẩm thực tế, mời các bác cùng xem:

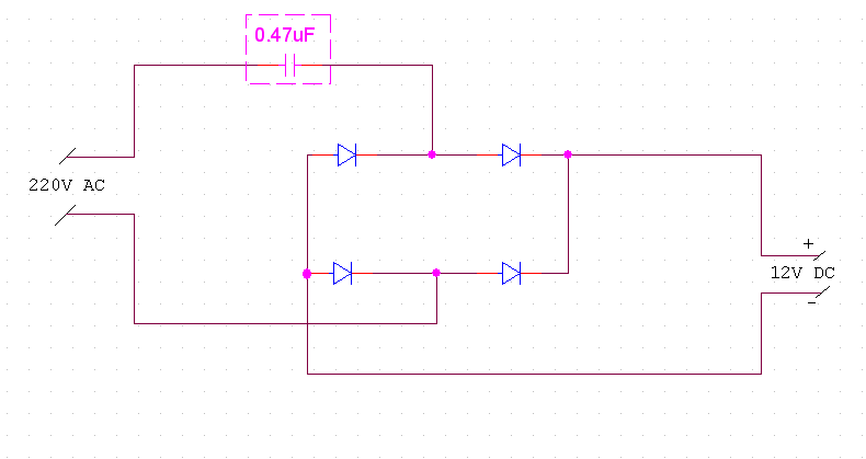
Hình 1 là mạch hạ áp bằng tụ cơ bản nhất, mạch này em lấy từ cái đèn ngủ. Mạch thực tế không có con R2, để an toàn cho mạch điện nên em đã vẽ thêm con R2, nhiệm vụ của R2 là giảm dòng nạp ban đầu cho tụ C1 khi ta mới cấp điện cho mạch.
Thắc mắc tồn tại ở mạch này là: Tại sao khi em tháo bỏ con led ra, đo điện áp ở đầu ra của cầu nắn lên tới hơn 200V DC, nhưng khi lắp lại led vào thì led vẫn sáng bình thường, không bị cháy, lúc này khi đo lại là khoảng 7v (tổng điện áp của dãy led, 2,3x3 ~7V). Điều này suy ra, phải chăng led cũng có tính ổn áp như zener sao???

Ở hình 2, đây là mạch em tháo ra từ cái chuông cửa không dây, nó có thêm con Zener ổn áp cho mạch. Lúc này ở đâu ra cần bao nhiêu Vôn thì chỉ việc chọn đúng giá trị sử dụng của zener. Nhưng nhiều lúc trong quá trình thử nghiệm, em thấy con zener này bị nóng. Đo điện áp ở 2 đầu zener thì lun được gim ở mức áp cố định, không bị thay đổi theo mạch hình 1.

Khác với hình 2, mạch hình 3 có thêm con R3 gim áp cho Zener. Đây là mạch hạ áp bằng tụ em vẽ lại trong mạch đèn trang trí ngày tết. Quan sát kỹ broad mạch em thấy chỗ con Zener hơn bị nán đen, phải chăng là khi hoạt động con Zener tỏa nhiệt cao.
Ngoài 3 mạch điển hình như đã nêu trên. Em để ý một số mạch khác có thêm con linh kiện ký ký hiệu là RH mắc nối tiếp R2. RH có hình dạng giống con transistor nhưng chỉ có 2 chân thông. Hình như con Rh được thêm vào để ổn định nhiệt thì phải?
Còn có một linh kiện khác có hình dáng giống cái tụ gốm vậy. Một đầu mắc trước C1, một đầu mắc sau R2. Qua tìm hiểu hình như nó là linh kiện MOV, dùng để bảo vệ tụ C1 thì phải. Hai linh kiện trên đều là những linh kiện lạ, ít sử dụng, đặc biệt là đối với tụi sinh viên mới tập tành học điện tử công suất như em đây
. Bác nào có tài liệu về chúng thì xin chỉ em với. Em cám ơn.
Trên đó chỉ là một trong vô số những mạch cơ bản hạ áp bằng tụ. Chỉ thêm bớt đi 1 vài linh kiện thôi mà chúng đã biến hóa quá. Không biết số lượng linh kiện có đi kèm với chất lượng mạch không đây?
Cám ơn các bác đã dành thời gian đọc bài viết này, mong học hỏi thêm từ các bác
.
Chắc hẳn mọi người đã biết ưu điểm của mạch hạ áp bằng tụ là rất rẻ tiền, nhỏ gọn, không cồng kềnh như mạch sử dụng các biến áp quấn dây. Nhưng chúng chỉ sử dụng được cho những mạch công suất nhỏ, và dễ bị điện giật (do không cách ly với lưới điên). Đối với những mạch điện tử công suất nhỏ, thì sử dụng chúng thật là tuyện vời.Trên thực tế thì ngoài thị trường có bán rất nhiều loại adapter hạ áp bằng tụ, nếu ta mua chúng về xài luôn thì còn gì để bàn nữa
, còn gì là nghiên cứu, học tập nữa.Qua tìm hiểu thì em có thấy nhiều bài thảo luận về vấn đề này, nhưng dường như các bài ấy có điểm chung là chưa đi đến cái chốt cuối cùng là mạch được thiết kế như thế nào mới ưu việt, sử dụng lâu dài và hiệu quả. Nên em mạn phép lập cái topic này để các bác thảo luận, để đi đến cái mạch hoàn chỉnh, mọi người có thể thiết kế và sử dụng.
Em nghĩ chắc hẳn cũng có nhiều bác khi ráp cái mạch này cũng gặp phải những tình huống như em là: Mạch quá nóng (Có thể là phát nhiệt ở trở, ở tụ), xài lâu bị nổ tụ C1, thủng zener nữa, không biết sao tính được công suất của mạch,...
Sau đây là một số mạch em đã sưu tầm được trên các sản phẩm thực tế, mời các bác cùng xem:
Hình 1 là mạch hạ áp bằng tụ cơ bản nhất, mạch này em lấy từ cái đèn ngủ. Mạch thực tế không có con R2, để an toàn cho mạch điện nên em đã vẽ thêm con R2, nhiệm vụ của R2 là giảm dòng nạp ban đầu cho tụ C1 khi ta mới cấp điện cho mạch.
Thắc mắc tồn tại ở mạch này là: Tại sao khi em tháo bỏ con led ra, đo điện áp ở đầu ra của cầu nắn lên tới hơn 200V DC, nhưng khi lắp lại led vào thì led vẫn sáng bình thường, không bị cháy, lúc này khi đo lại là khoảng 7v (tổng điện áp của dãy led, 2,3x3 ~7V). Điều này suy ra, phải chăng led cũng có tính ổn áp như zener sao???
Ở hình 2, đây là mạch em tháo ra từ cái chuông cửa không dây, nó có thêm con Zener ổn áp cho mạch. Lúc này ở đâu ra cần bao nhiêu Vôn thì chỉ việc chọn đúng giá trị sử dụng của zener. Nhưng nhiều lúc trong quá trình thử nghiệm, em thấy con zener này bị nóng. Đo điện áp ở 2 đầu zener thì lun được gim ở mức áp cố định, không bị thay đổi theo mạch hình 1.
Khác với hình 2, mạch hình 3 có thêm con R3 gim áp cho Zener. Đây là mạch hạ áp bằng tụ em vẽ lại trong mạch đèn trang trí ngày tết. Quan sát kỹ broad mạch em thấy chỗ con Zener hơn bị nán đen, phải chăng là khi hoạt động con Zener tỏa nhiệt cao.
Ngoài 3 mạch điển hình như đã nêu trên. Em để ý một số mạch khác có thêm con linh kiện ký ký hiệu là RH mắc nối tiếp R2. RH có hình dạng giống con transistor nhưng chỉ có 2 chân thông. Hình như con Rh được thêm vào để ổn định nhiệt thì phải?
Còn có một linh kiện khác có hình dáng giống cái tụ gốm vậy. Một đầu mắc trước C1, một đầu mắc sau R2. Qua tìm hiểu hình như nó là linh kiện MOV, dùng để bảo vệ tụ C1 thì phải. Hai linh kiện trên đều là những linh kiện lạ, ít sử dụng, đặc biệt là đối với tụi sinh viên mới tập tành học điện tử công suất như em đây
. Bác nào có tài liệu về chúng thì xin chỉ em với. Em cám ơn.Trên đó chỉ là một trong vô số những mạch cơ bản hạ áp bằng tụ. Chỉ thêm bớt đi 1 vài linh kiện thôi mà chúng đã biến hóa quá. Không biết số lượng linh kiện có đi kèm với chất lượng mạch không đây?
Cám ơn các bác đã dành thời gian đọc bài viết này, mong học hỏi thêm từ các bác
.

Comment