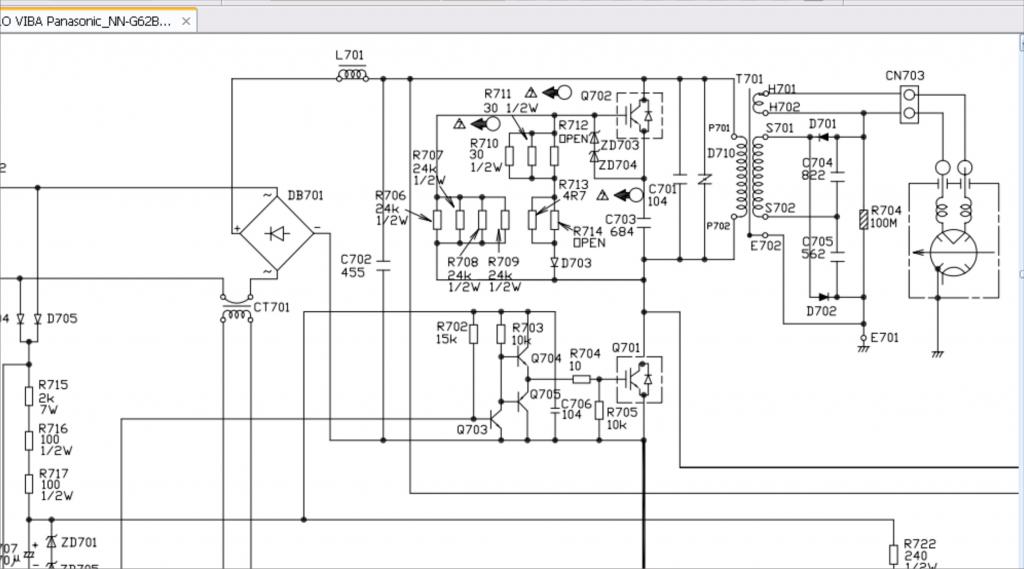
Tôi là dân ngoại đạo thích vọc, có cái lò vi sóng national nn-s652wf hết bảo hành bị hỏng. Anh Chị nào có sơ đồ mạch của "nó" hoặc các model tương tự vui long cho mình tham khảo vơi. Cám ơn rất nhiều!
Có Pro nào biết cách kiểm tra bộ biến áp lò vi sóng mà không bị giật không, rất cần được giúp đỡ? Thanks!
Có Pro nào biết cách kiểm tra bộ biến áp lò vi sóng mà không bị giật không, rất cần được giúp đỡ? Thanks!

Comment