vậy thì fpt đai rồi còn j
Thông báo
Collapse
No announcement yet.
DAEWOO Tập hợp các vấn đề về màn hình màu DAEWOO
Collapse
This is a sticky topic.
X
X
-
Em cũng bị tình trạng giống như bác, không biết bác đã xử lý được chưa, giúp em với. Cảm ơn bác nhiều!!!Nguyên văn bởi hanhtiep Xem bài viếtcảm ơn các bác nhiều cho em hỏi chút là sao file lại không bắt được đài nhỉviettuan
Comment
-
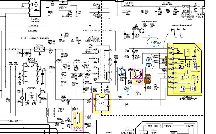
bạn nên độc lập riêng phần nguồn sẽ dễ tìm pan hơn nếu có lệnh STB từ xử lí về opto bạn nên hút bỏ chân này kt các lk mạch so sánh (các đường ăn về opto) và từ opto về chân 1 ic6708 làm sao đủ dk chân 1 ic 6708 dc 2.5v chân 2 0v chân 4 khoảng 19.5v là ok vài lời góp ý cùng bạn vậy chúc bạn thành côngNguyên văn bởi vanlinh146 Xem bài viếtchào ae. mình đang sữa tivi daewoo dtk-20d3 chạy nguồn str6708. hiện h nguồn nhịp ở tắt cả các nguồn. mình đã đo nguội kiểm tra ở sơ cấp ko có linh kiện nào hư. các bạn từng gặp pan này xin chỉ giúp. hoặc các bạn có thể đưa ra hướng giải quyết giùm mình. mình bí qua. ko có sơ đồHỌC-HỌC NỮA-HỌC MÃI
TÌNH --> ? <-- ĐỜI
Comment
-
bạn ơi. ic str 6708 tới 9 chân. chân 1 nguồn. chân 2 mas. chân 9 là chân dao động. hình như bạn có nhằm gì ở đây rồi. xin góp ý cho mình vớiLast edited by vanlinh146; 16-06-2013, 15:25.
Comment
-
thành thật xin lỗi bạn mình có chút nhầm lẫn không biết cái này có giúp gì dc bạn không (str6707 str 6708) như nhauNguyên văn bởi vanlinh146 Xem bài viếtbạn ơi. ic str 6708 tới 9 chân. chân 1 nguồn. chân 2 mas. chân 9 là chân dao động. hình như bạn có nhằm gì ở đây rồi. xin góp ý cho mình vớiHỌC-HỌC NỮA-HỌC MÃI
TÌNH --> ? <-- ĐỜI
Comment
-
anh em diễn đàn có fw tivi daewoo ,DS-21S8SBA-DW 769670 M8-BBI,LV1116N-24C32-SLIM cho mình xin mình đang cần gấp cảm ơn ae trước nhe.dientuhoainhon
ấp 1-hàng vịnh-năm căn-cà mau
yahoo:dientuhoainhon
email:dientuhoainhon@yahoo.com
dd:0915997577
Comment
-
Bác thử fw d đ này xem sao:Nguyên văn bởi hoainhon Xem bài viếtanh em diễn đàn có fw tivi daewoo ,DS-21S8SBA-DW 769670 M8-BBI,LV1116N-24C32-SLIM cho mình xin mình đang cần gấp cảm ơn ae trước nhe.
Comment
Bài viết mới nhất
Collapse
-
Trả lời cho Nên mua máy phay CNC cũ, máy mới phổ thông hay máy chất lượng cao? Góc nhìn từ bài toán sản xuất thực tếbởi nguyendinhvanNgày trước, khi KT đang tăng trưởng, một cái máy tự động cũ tầm trung, thì khoảng 5 năm là hoàn vốn. Nhưng hiện tại, mọi việc đều chậm trễ, cạnh tranh, nên theo các xếp tính thì phải hơn 10 năm làm việc ngon lành thì mới hoàn vốn....
-
Channel: Máy công cụ
Hôm qua, 20:23 -
-
Trả lời cho cách làm led Hao Quang.có pro nào biết k nhỉ ???bởi StatusHello! I'm from Kazakhstan. Can anyone share the HEX file with me? The download link in post 50 doesn't work.
-
Channel: Vi điều khiển họ 8051
18-12-2025, 00:05 -
-
bởi mylinhattChào anh em cơ khí,
Trong quá trình tư vấn đầu tư thiết bị cho xưởng, mình gặp rất nhiều câu hỏi kiểu: “Nên mua máy phay CNC cũ để tiết kiệm, chọn máy mới phổ thông cho yên tâm, hay cố gắng lên máy chất lượng cao để làm hàng khó?”. Thực tế, đây không phải câu hỏi chỉ về...-
Channel: Máy công cụ
17-12-2025, 13:38 -
-
Trả lời cho Vấn đề về tốc độ quaybởi nguyendinhvanSử dụng động cơ servor, hoặc lắp thêm một cái encoder vào động cơ bước. Encoder sẽ kiểm soát động cơ có quay hoặc đứng im.
-
Channel: Điện tử truyền hình
14-12-2025, 19:50 -
-
bởi Andrea14Chào mọi người,
Tôi muốn mô phỏng sự thay đổi các mùa bằng cách từ từ nghiêng một quả địa cầu 16 inch bằng một động cơ bước nhỏ. Một động cơ bước khác sẽ quay quả địa cầu theo thời gian thực. Hệ thống truyền động...-
Channel: Điện tử truyền hình
12-12-2025, 12:42 -

Comment