Bài viết này sẽ hướng dẫn các bạn làm mạch đèn nháy chạy pin sử dụng IC lấy từ dây đèn nháy trang trí.
Hiện ngoài thị trường có bán các loại dây đèn nháy trang trí dùng điện lưới 220V,các bạn có thể tận dụng mạch điện trong hộp điều khiển để làm mạch đèn nháy sử dụng nguồn thấp hơn,có thể từ 3V DC(vì IC dùng nguồn 3V) mà không cần phải thay đổi gì nhiều.
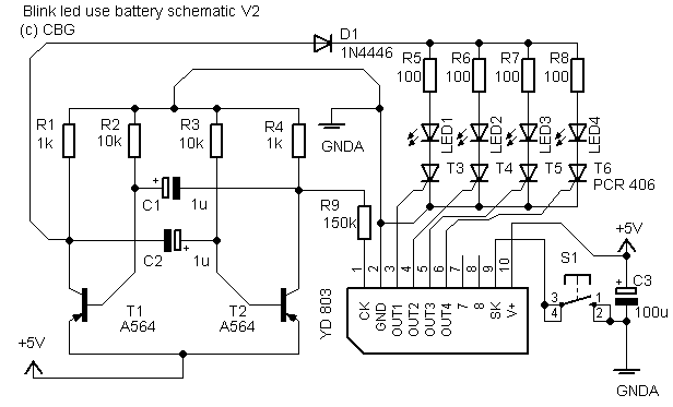
Sơ đồ mạch :
- Mạch 1

- Mạch 2

Mạch 2 đảm bảo chạy ngay,mạch 1 các bạn cần thiết kế tải trên mỗi kênh cho phù hợp mới chạy được.
Tùy vào nguồn các bạn sử dụng mà thiết kế tải cho phù hợp.VD nguồn 3V tải được 1 led mỗi kênh,nguồn 9V tải được 4 led mỗi kênh.Với mạch nguyên bản chạy điện 220V thì mỗi kênh khoảng 28 led tùy nhà sản xuất.
Các bạn chỉ cần làm thêm một mạch dao động cấp vào chân CK của IC (chân có trở 1M hoặc 2M đi vào) là mạch có thể chạy được với nguồn DC rồi.
Hiện ngoài thị trường có bán các loại dây đèn nháy trang trí dùng điện lưới 220V,các bạn có thể tận dụng mạch điện trong hộp điều khiển để làm mạch đèn nháy sử dụng nguồn thấp hơn,có thể từ 3V DC(vì IC dùng nguồn 3V) mà không cần phải thay đổi gì nhiều.
Sơ đồ mạch :
- Mạch 1
- Mạch 2
Mạch 2 đảm bảo chạy ngay,mạch 1 các bạn cần thiết kế tải trên mỗi kênh cho phù hợp mới chạy được.
Tùy vào nguồn các bạn sử dụng mà thiết kế tải cho phù hợp.VD nguồn 3V tải được 1 led mỗi kênh,nguồn 9V tải được 4 led mỗi kênh.Với mạch nguyên bản chạy điện 220V thì mỗi kênh khoảng 28 led tùy nhà sản xuất.
Các bạn chỉ cần làm thêm một mạch dao động cấp vào chân CK của IC (chân có trở 1M hoặc 2M đi vào) là mạch có thể chạy được với nguồn DC rồi.

Comment